Brake and reverse lights

2002 FORD EXPLORER SPORT TRAC
140,000 MILES • V6 • 2WD • AUTOMATIC
Avatar
LISA N GERALD PAHUKOA
  • MEMBER
  • 1 POST
Brake and reverse lights not working. Brake lights were working but stopped last night. Indicators work okay.
Jun 24, 2017 at 8:45 AM
Advertisement
Avatar
STRAILER
  • CERTIFIED EXPERT
  • 53,854 POSTS
Hello,

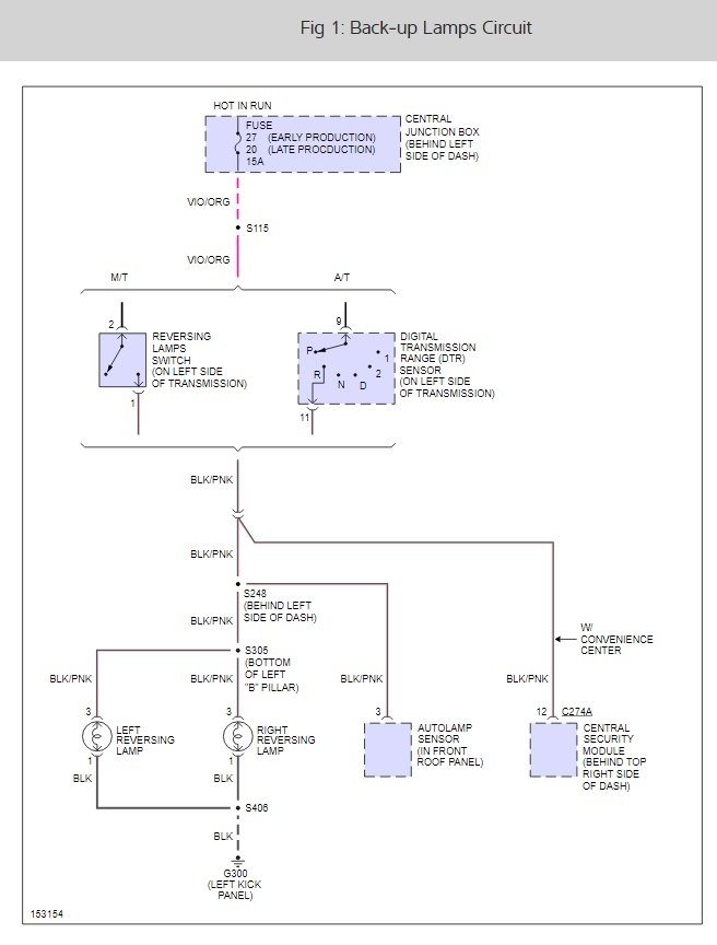
It sounds like the position switch on the transmission has gone out but to confirm we should do should testing. Here is a guide and a wiring diagram (below) please check for power at the switch and then going to the lights.

https://www.2carpros.com/articles/how-to-use-a-test-light-circuit-tester

Please run some tests and get back to us so we can continue helping you.

Cheers, Ken
Jun 26, 2017 at 12:56 PM