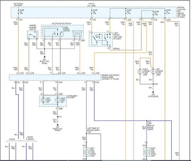
Front turn signals and hazards work in the front.
Troubleshooting:
1. Visually inspected wiring for bad wires or corrosion - Nothing found, Visual checks out okay.
2. Replaced both bulbs with new bulbs. - No change.
3. Replaced Brake light switch - No change.
4. Replaced Blinker switch in steering console. - No change.
5. Checked fuses - fuses good.
What's next? What else is there?
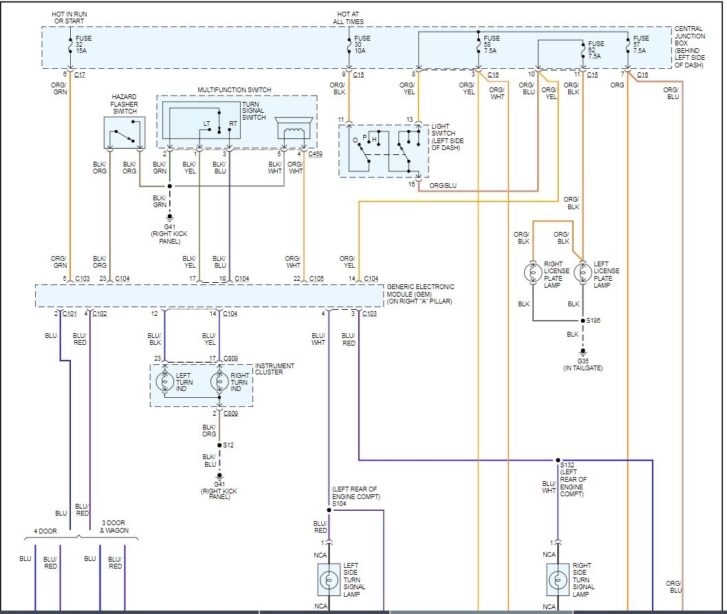
Troubleshooting:
1. Visually inspected wiring for bad wires or corrosion - Nothing found, Visual checks out okay.
2. Replaced both bulbs with new bulbs. - No change.
3. Replaced Brake light switch - No change.
4. Replaced Blinker switch in steering console. - No change.
5. Checked fuses - fuses good.
What's next? What else is there?
Jun 17, 2019 at 1:53 PM



