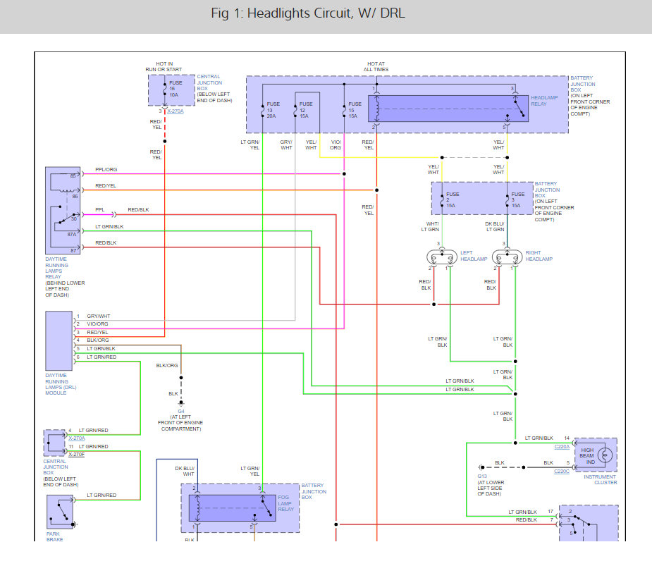
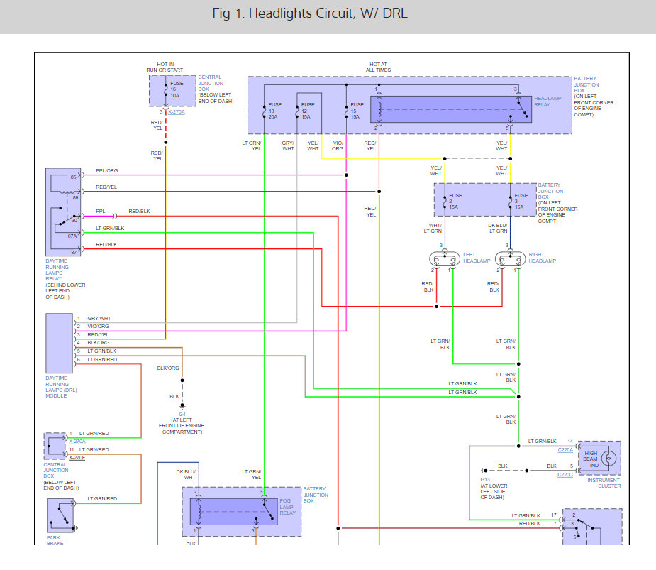
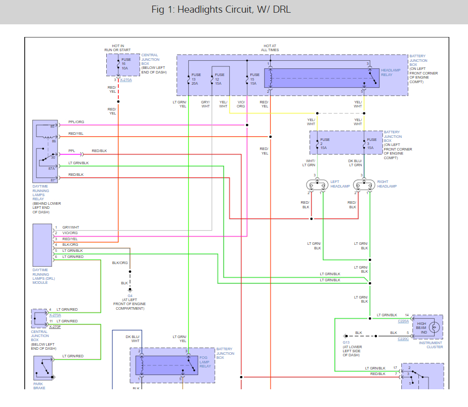
My husband and I are in desperate need of a vehicle. We are wanting to buy this 2003 Mazda Tribute from an older gentleman we met and became friends with. He really needs the money, and we really need a vehicle. The problem we've run into is that the headlights stopped working. It has absolutely no Lo-beam headlights and no Hi-beam headlights on either side. We have tried changing to new bulbs, replacing old fuses with new, checked all the Relays that we possibly could, and tried looking for anything we could find that would explain why they stopped working. The taillights, brake-lights, marker lights, back-up lights, and all turn signals work. A local shop looked at it as well and said we would probably have to take it to a dealership to get it looked at and fixed. I know how much a dealership is going to charge us just to look at it, and we don't have that kind of money! Our family got hit extremely hard during COVID and because we had a greedy landlord, we were packing everything we owned, at Christmas! We had to move into a hotel for what we thought would be a temporary few weeks until we found a place, but it turned into us still living in a hotel today. We did lose our car. We just couldn't afford it and got way behind. It was amazing on gas which is hurting us more now too. But if we could just figure out these headlights, then we could buy the vehicle which would help way more than our family. By the way, my name is Melissa and my family, and I thank you for taking the time to read this, even if you aren't able to offer any guidance on this. Thanks
Sep 27, 2022 at 12:35 AM





