Planning on installing a double din stereo

2005 MAZDA 6
147,000 MILES • 3.0L • V6 • 2WD • MANUAL
Avatar
JDMARTIN15
  • MEMBER
  • 42 POSTS
Hello everyone at 2CarPros. I'm planning on installing a double din stereo that I've received as a gift on my car. I have the Metra kit that a friend gave me (saved me like $200.00) but didn't have the harness with it. My car has the Bose system and has the Bose preamp. I have a clue on how to go about installing the double din stereo. I've researched that RCA wires will have to be soldered onto the harness to plug onto the Bose preamp, but no videos on how to go about it. Thank you for all your help on here.
Jul 6, 2019 at 3:33 PM
Advertisement
Avatar
DANNY L
  • CERTIFIED EXPERT
  • 5,648 POSTS
Hello, I'm Danny.

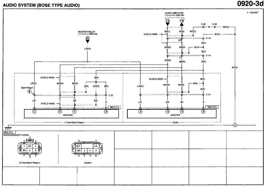
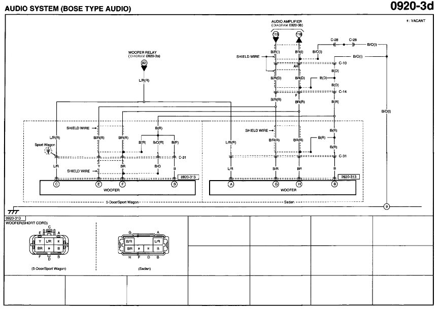
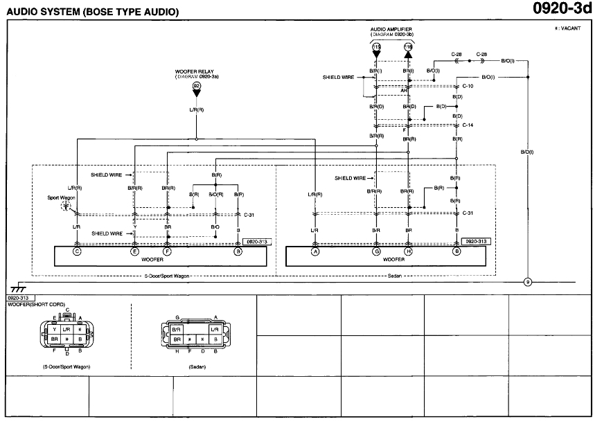
I've attached a series of wiring diagram pictures below of your cars radio with the Bose system. They make a lot of adapters these days to make everything plug-n-play so you might not have to solder anything.Hope this helps and thanks for using 2CarPros.
Danny-
Jul 6, 2019 at 5:07 PM
Avatar
JDMARTIN15
  • MEMBER
  • 42 POSTS
Hello and Thanks Danny. I haven't been able to find any those compatible adapters online or anything.

Jesse
Jul 6, 2019 at 5:16 PM
Advertisement
Avatar
DANNY L
  • CERTIFIED EXPERT
  • 5,648 POSTS
Hello again.

If you like, take a picture of the installation instructions with your smartphone and upload here after you decide which unit/brand to purchase.I can help you with install/electrical connections.Hope this helps and thanks again for using 2CarPros.
Danny-
Jul 7, 2019 at 12:17 AM
Avatar
JDMARTIN15
  • MEMBER
  • 42 POSTS
Hello again. I found these instructions on a mazda forum which details what must be done for the Bose preamp. I don't know what the instructions mean to solder an RCA wire onto the "pole of the plug that connects to the ring" or "pole of plug that connects to the post."
I have a generic non named double din stereo that my brother bought me from Amazon. If it weren't for the Bose preamp the installation would be easy.

"If you have the Bose system, and you hook up the speaker wires of your new head unit to the "speaker" wires in the Bose harness, you will be sending an amplified signal to the Bose amplifier's preamp input and the result will be less than stellar, actually quite crappy, sound. On the other hand, this also allows you to easily integrate an aftermarket deck using it's preamp (rather than speaker) outputs. So you can run the Bose system off of a different head unit. Research shows that the signal processing for the Bose system is actually performed in the amplifier. So the system should perform identically even if you replace the head unit. To do this, it's as easy as soldering on 4 male RCA plugs to the "speaker" wires in the Metra harness. The negative "speaker" wire should be soldered to the pole on the plug that connects to the ring. The positive "speaker" wire should be soldered to the pole on the plug that connects to the post. Once you've done this for the FR, FL, RR and LR "speaker" wires, all you have to do is plug in your front and rear RCA jacks from your head unit and all should work well. One thing to note on this sort of set up. You will want to be very judicious with the volume control until you figure out how the system is going to perform. Some aftermarket head units have very strong preamp signals that could easily overdrive the Bose amp if care is not taken. If it turns out that your system is reaching full volume at low settings on the volume control, the preamp output will probably have to be padded. Another note on the Bose system is that there is no way to run the stock Bose speakers off of an aftermarket head unit without using the Bose amp." - Mazda6club
Jul 14, 2019 at 12:37 PM
Avatar
STRAILER
  • CERTIFIED EXPERT
  • 53,854 POSTS
They are soldering to the center pole of the RCA and to the ring of the RCA you can just cut the wire and connect directly.
Jul 17, 2019 at 12:59 PM
Avatar
JDMARTIN15
  • MEMBER
  • 42 POSTS
Makes more sense now. Cutting and connecting directly seems more easier and more effective. Don't know why it is explained that way. Thank you
Jul 17, 2019 at 9:32 PM
Avatar
STRAILER
  • CERTIFIED EXPERT
  • 53,854 POSTS
Use 2CarPros anytime, we are here to help. Please tell a friend.
Jul 18, 2019 at 9:29 AM
Avatar
JDMARTIN15
  • MEMBER
  • 42 POSTS
Will do. Take care and thank you.
Jul 19, 2019 at 7:43 PM
Avatar
FLAVIO8125
  • MEMBER
  • 1 POST
i have changed a light bulb of climate control.
i took off all the convectors of dash board,including the stereo system connectors. now i cant power on my stereo (Bose system).i have a display that has a few dead pixel,so i can't see anything,only the clock time.thanks
Jul 20, 2019 at 10:47 AM (Merged)
Avatar
JACOBANDNICKOLAS
  • CERTIFIED EXPERT
  • 110,175 POSTS
Check to make sure all fuses are good and check to make sure you didn't leave any grounds off.
Jul 20, 2019 at 10:47 AM (Merged)
Avatar
NO.9
  • MEMBER
  • 3 POSTS
You will need to reset the "anti-theft" security code for the Bose stereo. The code should be with the owners manual or contact your dealer.
Jul 20, 2019 at 10:47 AM (Merged)