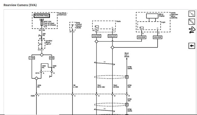
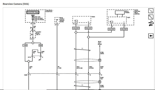
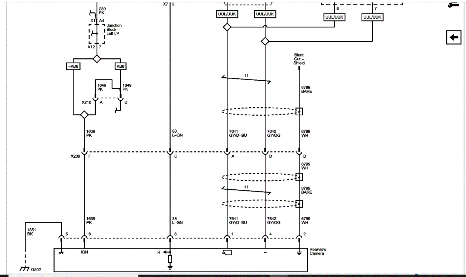
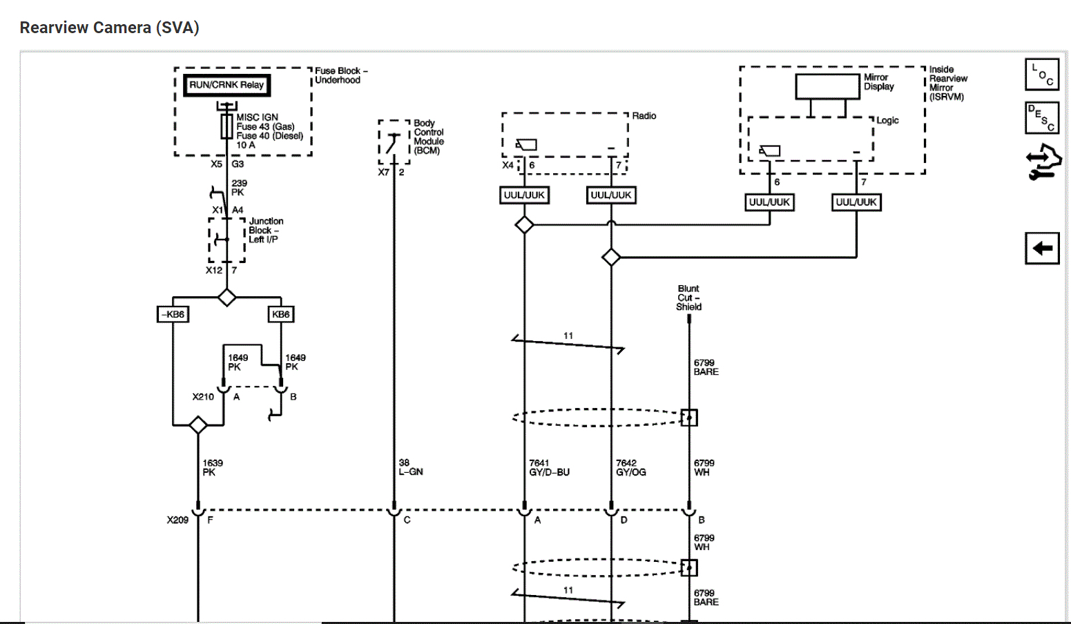
there are 4 connections to the radio.
(2) go to wiring harness, (1) antenna, (1) micro USB? I want to install an aftermarket radio but I don't know what the micro-USB is for? Also when I took out the Bose, the backup park assist stopped working.
(2) go to wiring harness, (1) antenna, (1) micro USB? I want to install an aftermarket radio but I don't know what the micro-USB is for? Also when I took out the Bose, the backup park assist stopped working.
May 15, 2021 at 11:30 AM


