Bogging down

1994 ISUZU AMIGO
205,000 MILES
Avatar
MICHAEL MOWBRAY
  • MEMBER
  • 4 POSTS
So I came home from work yesterday and my truck started bogging down on my road luckily. Left this mourning and went to jump on the freeway and hit the gas instant both down. Yesterday I thought it was bad gas possibly, so I just let it warn up extra long. I replaced fuel pump last year. Any suggestions? No check engine light.
Nov 29, 2018 at 6:06 AM
Advertisement
Avatar
JACOBANDNICKOLAS
  • CERTIFIED EXPERT
  • 110,175 POSTS
Hi and thanks for using 2CarPros.

If it is bogging down, make sure there are no obstructions in the air filter box, air inlet tube, or throttle body. Also, I would suggest confirming the fuel pump pressure to the engine. If it is weak, this can happen. Even though the pump was replaced, I would check.

Here is a link that shows in general how to check fuel pressure:

https://www.2carpros.com/articles/how-to-check-fuel-system-pressure-and-regulator

Also, here is a link that shows common causes of low power/bogging down. It covers many things. Read through it and see if anything helps.

https://www.2carpros.com/articles/engine-has-low-power-output

Here are the directions specific to your vehicle for testing fuel pressure. All attached pictures correlate with these directions.

____________________

Connecting Fuel Pressure Gage
1. Relieve fuel system pressure.
A. Remove fuel pump fuse from fuse block in instrument panel.
B. Crank engine until it stalls and then for an additional 3 seconds.
C. Disconnect negative (-) battery cable.


2. Connect a fuel pressure gage.
Fuel Pressure Gauge : J-35957-1
Fuel Rail Access Fitting : J-35957-2

Note:
- When pulling out the fuel hose, cover up the joint with a rag to prevent gasoline from spraying. Once fuel pressure gage is connected, reconnect negative (-) battery cable and reinstall fuel pump fuse into fuse block. Before removing fuel pressure gage, relieve fuel system pressure.



2. Disconnect the Vacuum Switching Valve (VSV) harness at connector.

Measurement
Start the engine and measure fuel pressures at idling.

1. Disconnect the vacuum hose from the pressure regulator and plug it.
Fuel Pressure: About 300 kPa (42 PSI)

2. Reconnect the vacuum hose to the pressure regulator.
Fuel Pressure: About 250 kPa (35 PSI)



3. Apply battery voltage to the VSV connector.
Fuel Pressure: About 300 kPa (42 PSI)

4. Disconnect the vacuum hose from the fuel pressure control valve and plug it. Stop engine to check for fuel leakage and make sure that fuel pressure remains above 250 kPa (35 psi) for 4 min. after engine is turned off.

Note: The following method can be used to operate the fuel pump without running the engine.



1. Remove the fuel pump relay from the fuse and relay box.



2. Connect a fused jumper between terminals (1) (1.25BY) and (3) (1.25BL) of the connector.

Inspection
When Fuel Pressure Does Not Reach Standard Level


Check fuel pressure with battery voltage applied directly to the fuel pump using fused jumper wires.
1. If fuel pressure reaches normal level:
- Check fuel pump circuit and correct as necessary.
- Fuel pump relay may be defective.

2. If fuel pressure remains unchanged:


- Restrictions in hose on intake side of fuel pump, Clean (Restrictions in intake hose may cause abnormal vibrations of the hose).
- Fuel pressure control valve defective, replace.
- Fuel pump malfunctioning, replace.
________________________________

Let me know if this helps or if you have other questions.

Take care,
Joe
Nov 29, 2018 at 6:57 PM
Avatar
MICHAEL MOWBRAY
  • MEMBER
  • 4 POSTS
Joe, I will try these things tomorrow when I get the regulator to test the pressure in fuel system. And after replacing the fuel filter I cannot start it! It is in the right way and I have turned it on repeatedly and tried to turn over I do not get it. I know there was fuel in the lines when I removed the old one.
Nov 29, 2018 at 7:43 PM
Advertisement
Avatar
JACOBANDNICKOLAS
  • CERTIFIED EXPERT
  • 110,175 POSTS
Did you replace the inline filter or did you pull the pump to replace the screen in there?

Also, check the pump fuse as well as switch out the fuel pump relay with another relay with the same part number. I attached a picture of the relay/fuse box.

Let me know.
Nov 29, 2018 at 7:59 PM
Avatar
MICHAEL MOWBRAY
  • MEMBER
  • 4 POSTS
I replaced the inline filter@ And I will try the fuse swap when I get home.
Nov 30, 2018 at 6:16 AM
Avatar
JACOBANDNICKOLAS
  • CERTIFIED EXPERT
  • 110,175 POSTS
Swap the relay. Let me know what you find.

Joe
Nov 30, 2018 at 2:27 PM
Avatar
MICHAEL MOWBRAY
  • MEMBER
  • 4 POSTS
I am not getting gas to the filter I swapped fuses no difference.
Nov 30, 2018 at 2:53 PM
Avatar
JACOBANDNICKOLAS
  • CERTIFIED EXPERT
  • 110,175 POSTS
Then either the pump has failed or the sock filter in the tank is plugged. I hate to say it, but the pump needs to come out. A woven plastic filter is located on the lower end of the fuel pickup tube in the fuel tank. Honestly, it should not require service unless there is an excessive amount of contaminants in the tank. If that is the case, the tank should be cleaned out. Even if the filter is not plugged, we need to confirm the pump is getting power.

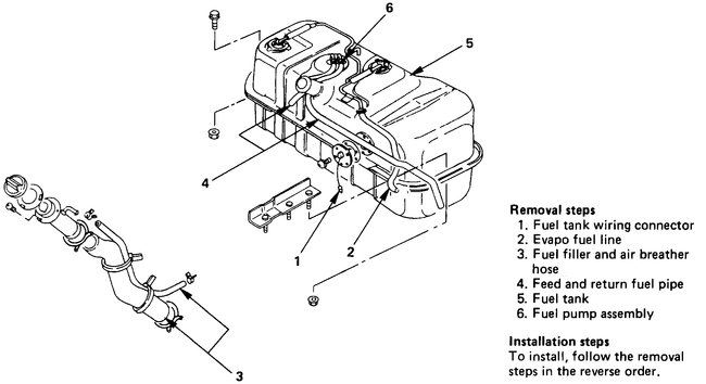
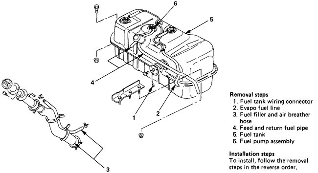
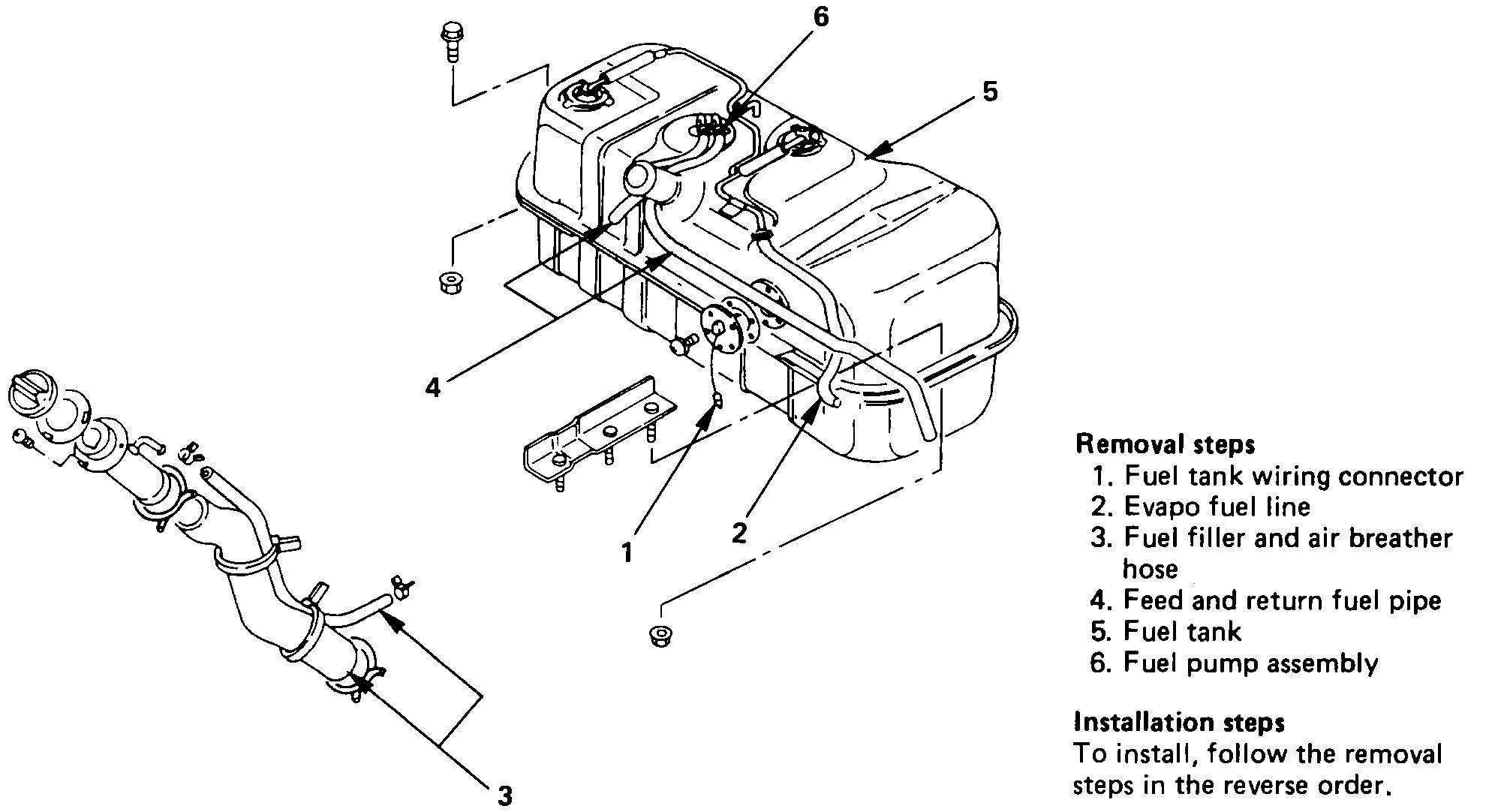
'I do not know if you need them, but here are the directions for removal of the tank:
PROCEDURES

REMOVAL
Preparation:
Battery ground cable.
Loosen fuel filler cap and drain fuel.

1. Disconnect the fuel tank wiring connectors from fuel tank.
2. Disconnect the EVAP fuel line from fuel tank.
3. Remove fuel filler and air breather hose
4. Remove feed and return fuel lines
5. Remove fuel tank
6. Remove the fuel pump assembly fixing screws and pull the fuel pump assembly up.

INSTALLATION
1. Install fuel pump assembly
2. Install fuel tank
- Tighten the fuel tank fixing nuts to specified torque.

Torque: 36 Nm (27 lb.ft.)

3. Install feed and return fuel lines
4. Install fuel filler and air breather hose
5. Install EVAP fuel line
6. Install wiring connector

_______________

Let me know what you find.
Nov 30, 2018 at 8:10 PM