Wiring diagram for the Body Control Module pin needed?

2015 GMC YUKON
130,000 MILES • V8
Avatar
ALA@12
  • MEMBER
  • 2 POSTS
I need a wire diagram for the body control module pin out as well. Please and thank you.
Oct 30, 2022 at 9:56 AM
Advertisement
Avatar
JACOBANDNICKOLAS
  • CERTIFIED EXPERT
  • 110,175 POSTS
Hi,

I hope I got the right one. I went with a 5.3L 4wd. If that is wrong, let me know.

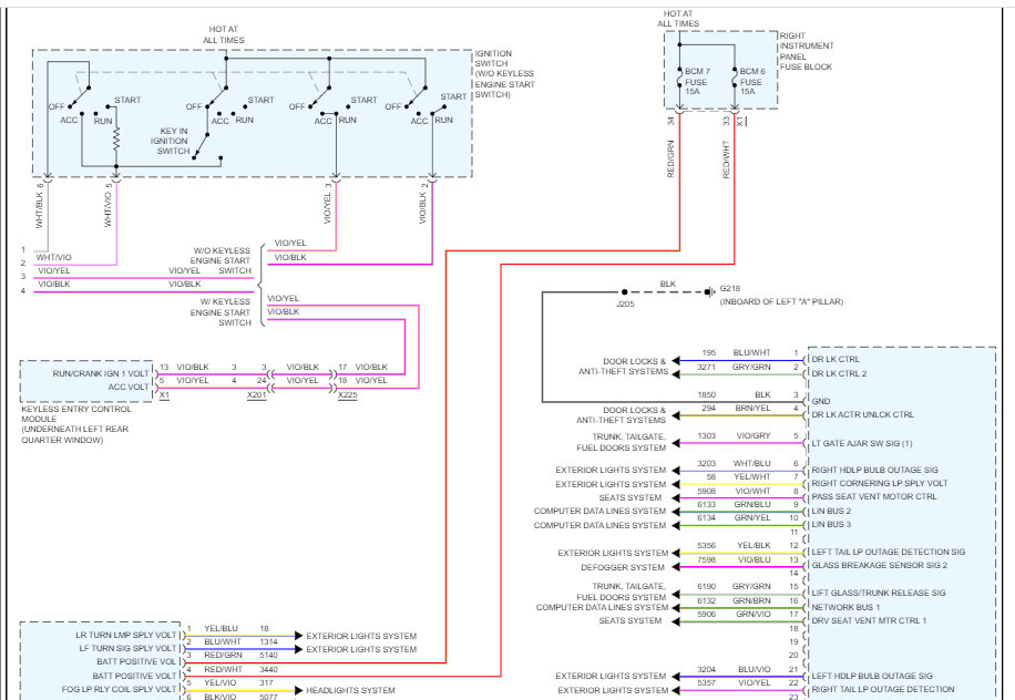
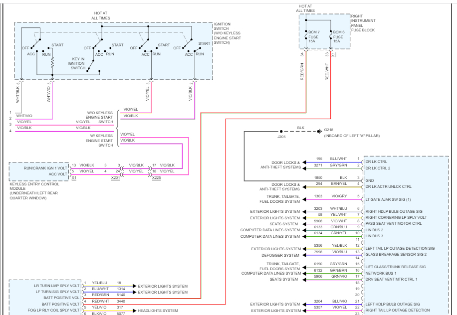
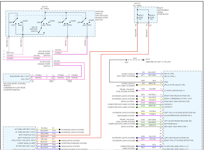
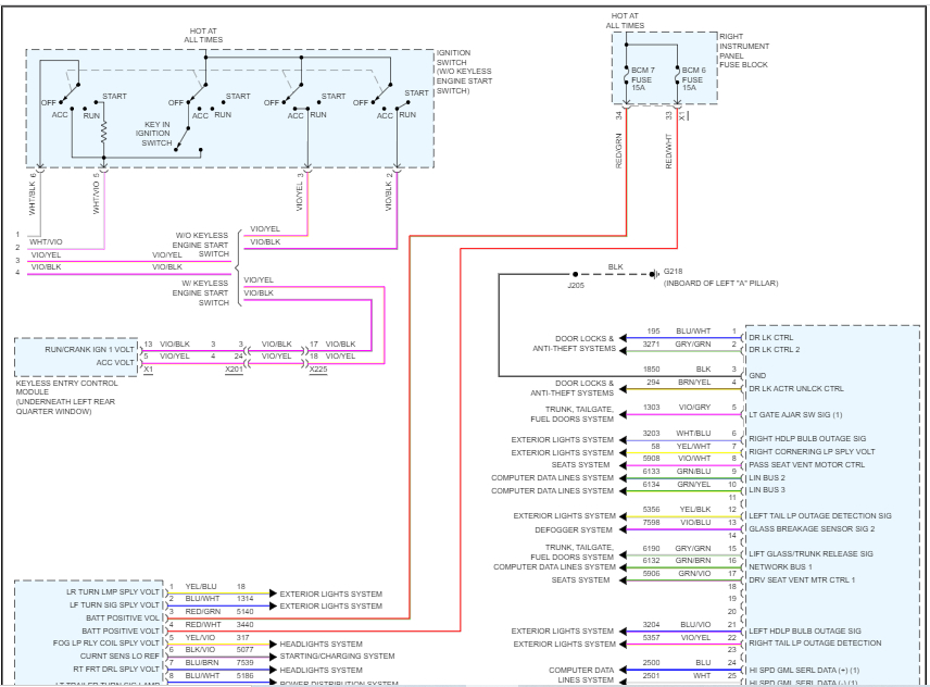
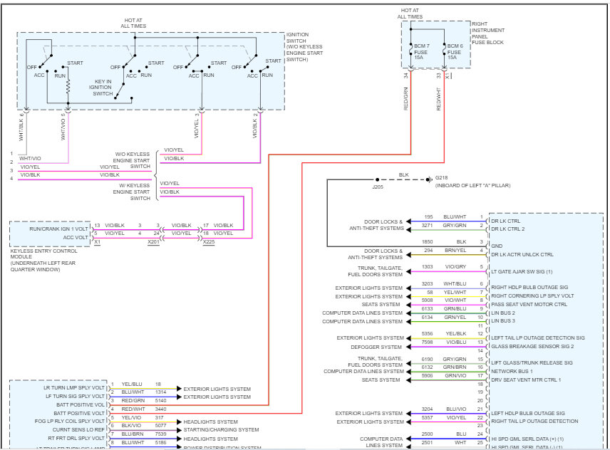
As far as the information, the first pics are the wiring schematics. I had to cut each pin in half to make them readable.

The remaining pics are the connector views and what each pin is used for. Note: There are several.

Let me know if this helps.

Take care,

Joe

See pics below.
Oct 30, 2022 at 9:34 PM
Avatar
ALA@12
  • MEMBER
  • 2 POSTS
Joe, I’m sorry sir. my SUV is a 2015 GMC Yukon Denali non 4x4.. it didn’t give me the option at first.. thanks
Oct 31, 2022 at 3:58 PM
Advertisement
Avatar
JACOBANDNICKOLAS
  • CERTIFIED EXPERT
  • 110,175 POSTS
Hi,

No problem whatsoever. The only thing is this. I only have the wiring schematic for the BCM for this model and not the pinouts. The pin numbers are indicated in the schematic but not the actual connector layout.

Let me know if this helps or if you have other questions.

Take care,

Joe

See pics below.
Oct 31, 2022 at 6:15 PM