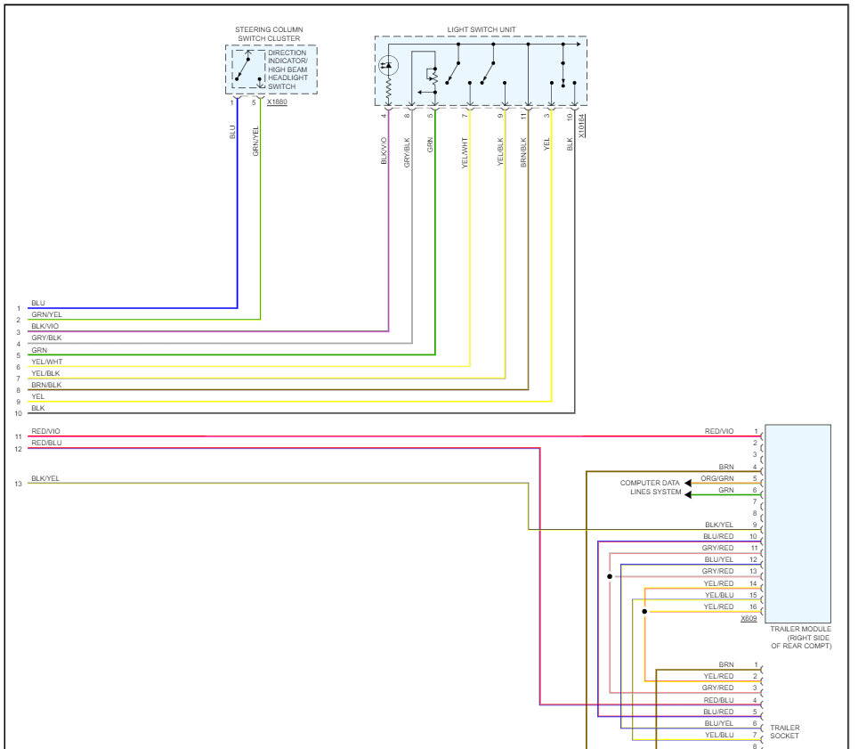
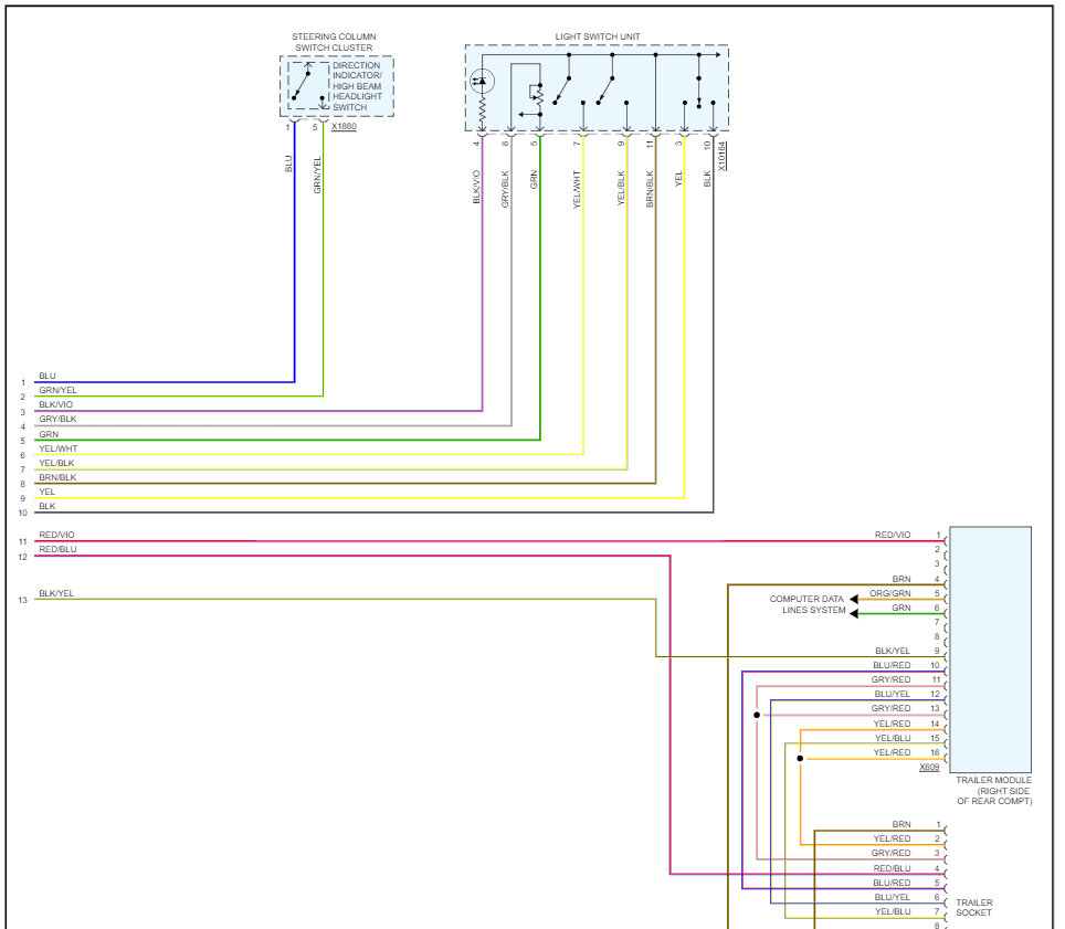
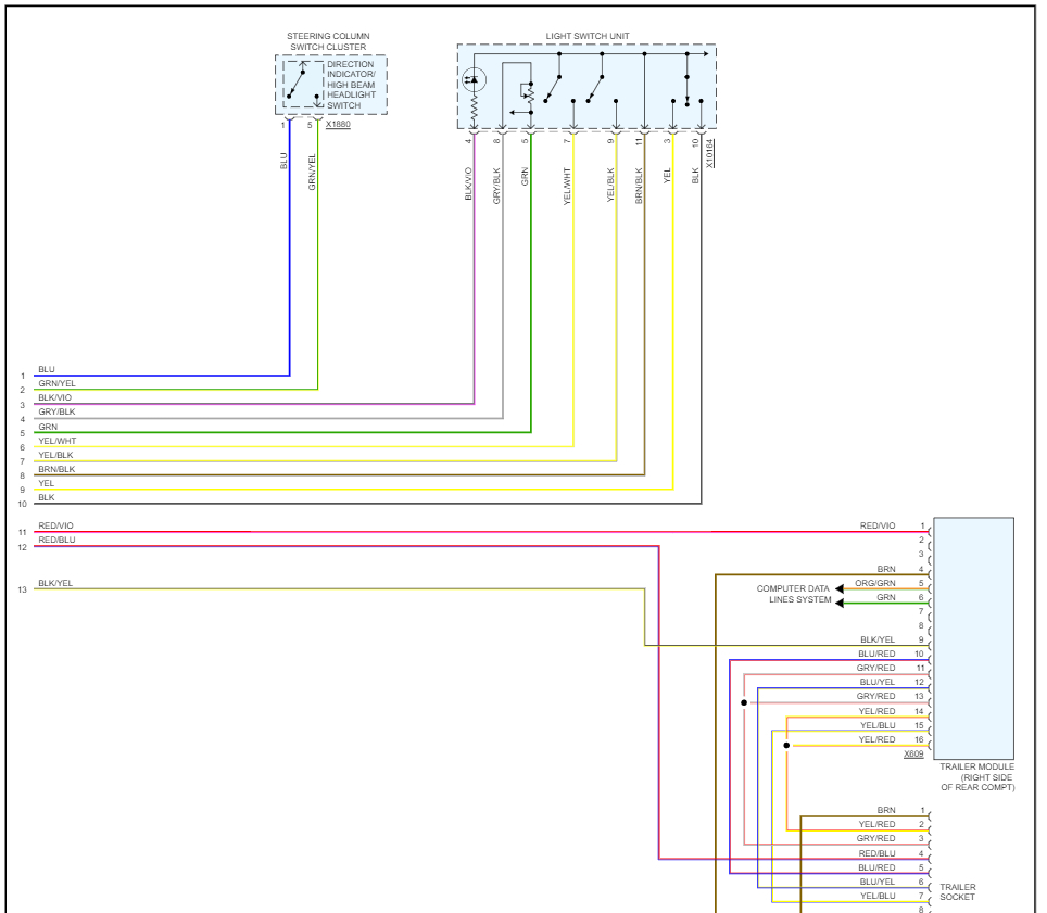
I have replaced the bulb, But not successful. What can cause that problem? I checked the socket, it was fine. Footwell module have some faulty message, but it is not related to signal light, All lights such interior/exterior are working fine except that front right signal light.
Apr 24, 2023 at 10:25 AM






