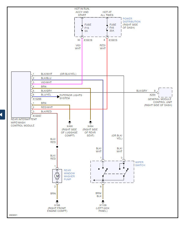
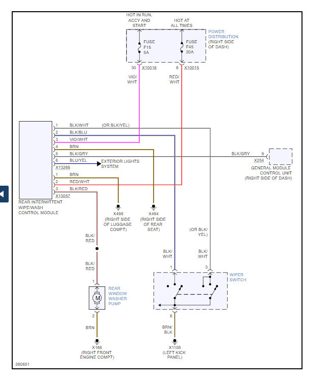
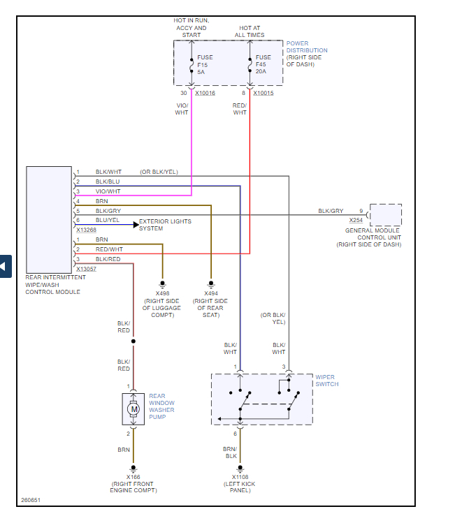
Hi, my rear washer/wiper has stopped working today for no apparent reason. It worked about 1 week ago when I last used it. I have checked the fuses in the glovebox mounted fuse box - both OK.
Is this a common fault? if not what are wire colours and where are the plugs/sockets in this circuit located so I can do some voltage checks.
Thank you
Is this a common fault? if not what are wire colours and where are the plugs/sockets in this circuit located so I can do some voltage checks.
Thank you
Jul 16, 2010 at 3:22 PM


