1998 BMW 528 starter relay location

1998 BMW 528
Avatar
SMURFS29
  • MEMBER
  • 1 POST
Electrical problem
1998 BMW 528 6 cyl Two Wheel Drive Automatic

my 1998 bmw 528i wont start i check the starter and it good put new connectors on starter but still don't even click...need to kno where would the starter relay be on my bmw?
Oct 10, 2010 at 12:04 AM
Advertisement
Avatar
MADMIKE1735
  • CERTIFIED EXPERT
  • 951 POSTS
the only relays that are related to the starter are the closed circuit cutoff relay (located behind glovebox) and the overload protection relay (located in RH side of luggage compartment)
Oct 10, 2010 at 12:56 AM
Avatar
CLASSICONE
  • MEMBER
  • 1 POST
I have a similar problem. I bought this car from an individual. The battery was dead. I managed to charge it.The engine turned but the fuel pump wasn't working.I bought a fuel pump relay from autozone.I put it in. It had a dead short in it.I got it back out as fast as I could. Now the starter won't turn. Maybe an overload relay ?
Mar 2, 2017 at 3:50 PM
Advertisement
Avatar
STRAILER
  • CERTIFIED EXPERT
  • 53,854 POSTS
Hello,

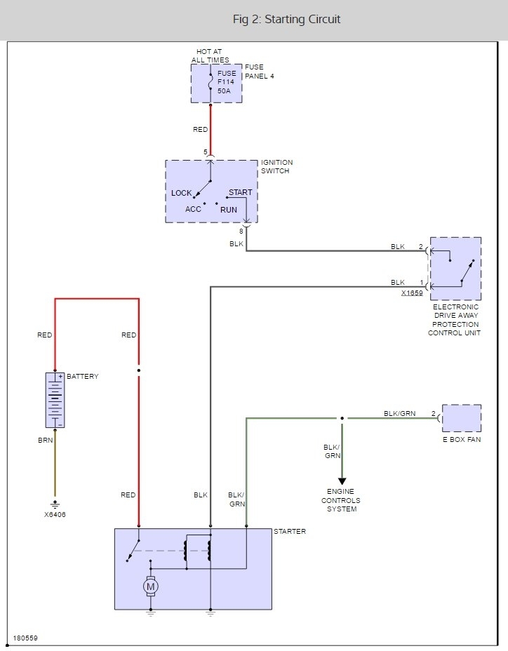
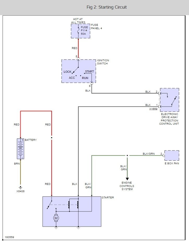
There is no starter relay except for the solenoid on the starter itself, there is a driveway safety module that could be bad, here is a wiring diagram and a guide so you can do some testing.

https://www.2carpros.com/articles/how-to-use-a-test-light-circuit-tester

Please let us know what happens.

Best, Ken
Mar 6, 2017 at 9:57 AM