Other Category problem
1999 BMW 328 6 cyl Wheel Drive Type unknown Automatic 82000 miles
----------------------------------------------------------------
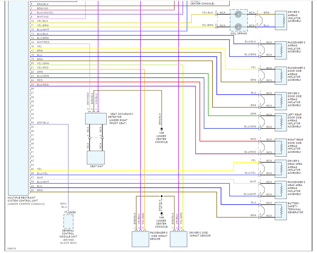
I have 1999 328ic bmw convertible sports package. How many air bag sensors must I bag to repair the old ones?
Thanks!
1999 BMW 328 6 cyl Wheel Drive Type unknown Automatic 82000 miles
----------------------------------------------------------------
I have 1999 328ic bmw convertible sports package. How many air bag sensors must I bag to repair the old ones?
Thanks!
Dec 13, 2007 at 12:58 PM

