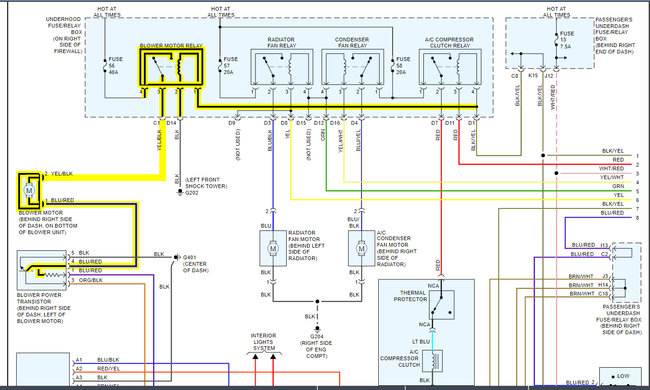
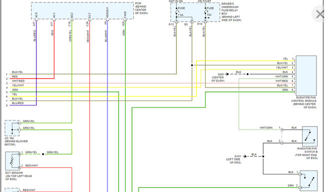
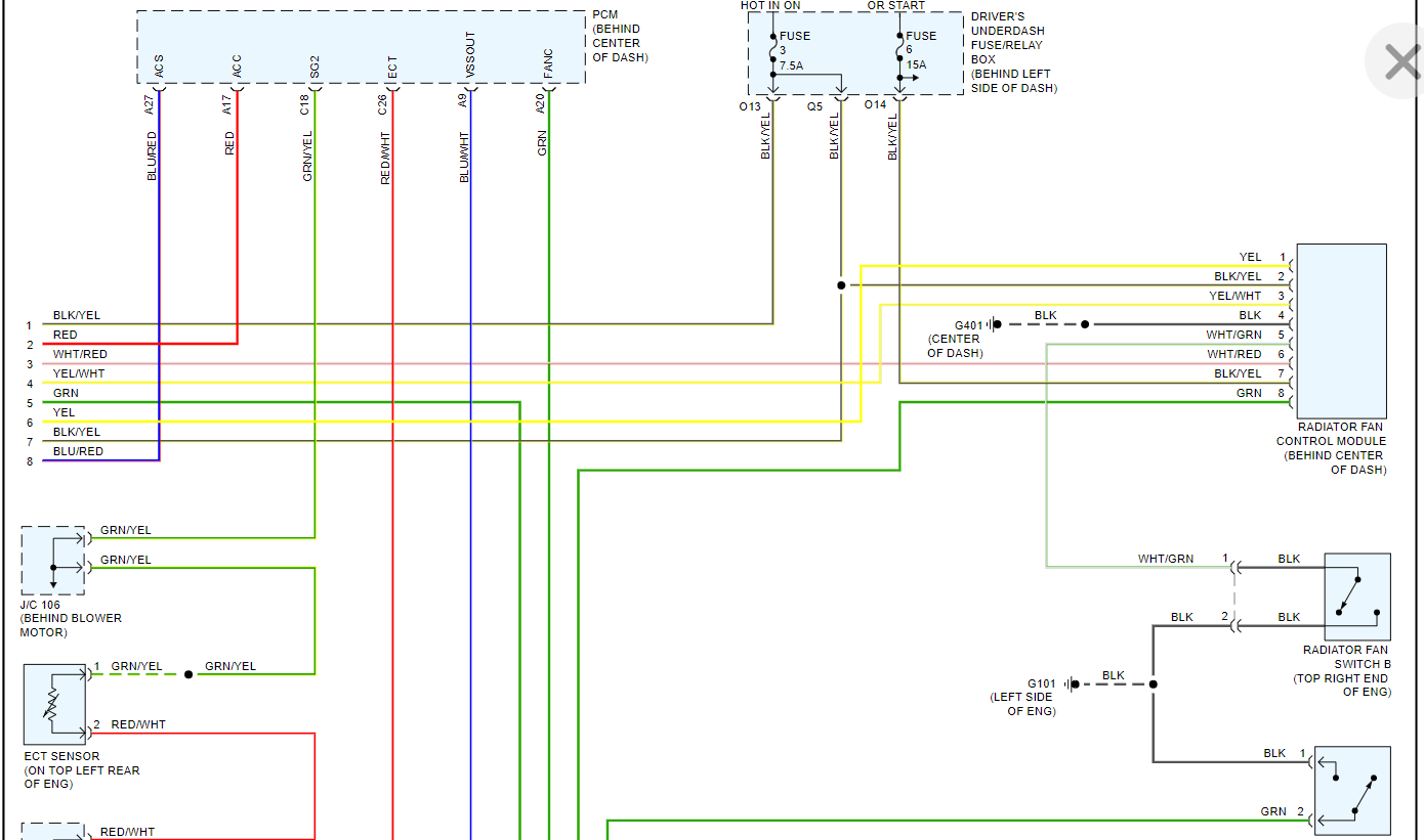
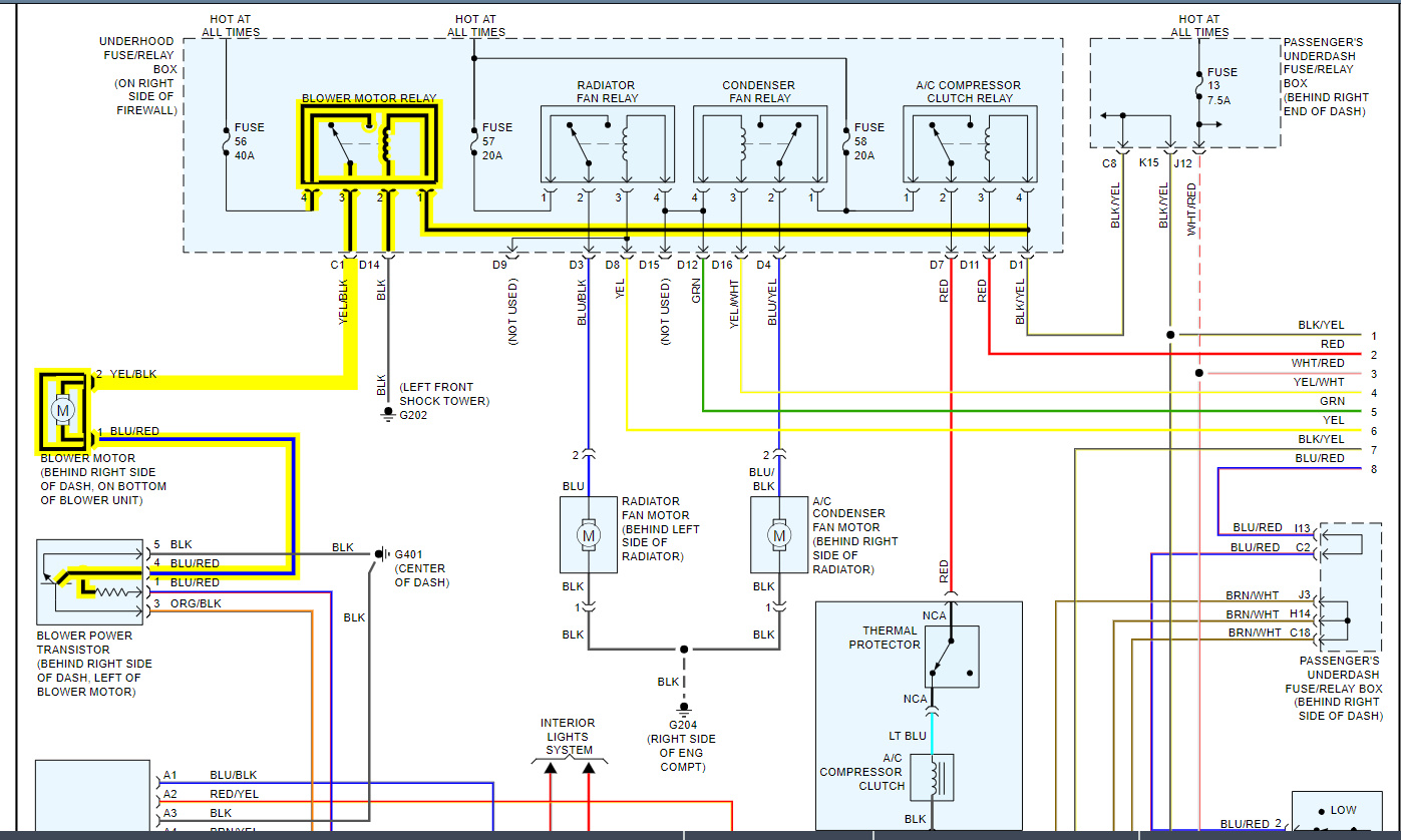
Blown out 2 blower resistors. The main screen on the center console don't work. Pushing the auto and off buttons I get err E1, so where do I go? blown 2 resistors. Replaced wiring from resistor to blower, only code is E1.
Apr 9, 2021 at 3:38 PM





