Climate control will not work went out no display

1994 CADILLAC FLEETWOOD
128,000 MILES • V8 • 2WD • AUTOMATIC
Avatar
CADYFRANK
  • MEMBER
  • 12 POSTS
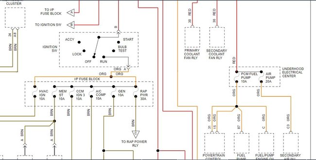
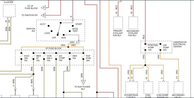
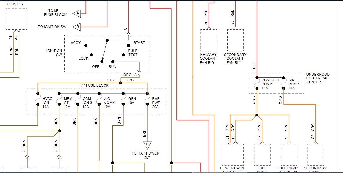
i did the check to see if it was any good checking said fuses in the fuse box and it failed test. i now i noticed under the hood where the other fuse box is that the A/C fuse was blown. change the fuse and it blew too. what is the problem making the fuse to keep blowing?
Oct 20, 2019 at 4:26 AM
Advertisement
Avatar
ASEMASTER6371
  • CERTIFIED EXPERT
  • 52,796 POSTS
Good morning,

Can you tell me the fuse number and location of the 2 fuses that failed?

https://www.2carpros.com/articles/how-a-car-fuse-works

I need them to see what they actually control. A failing fuse comes from too much current being pulled by either a bad component or short in the wiring harness.

https://www.2carpros.com/articles/how-to-check-wiring

Roy
Oct 20, 2019 at 6:31 AM
Avatar
CADYFRANK
  • MEMBER
  • 12 POSTS
the fuse is in the underhood U/H electrical center the fuse number is 20 amp air pump.
Oct 20, 2019 at 6:48 AM
Advertisement
Avatar
ASEMASTER6371
  • CERTIFIED EXPERT
  • 52,796 POSTS
Okay, what about the one in the instrument panel fuse block?
Oct 20, 2019 at 6:50 AM
Avatar
CADYFRANK
  • MEMBER
  • 12 POSTS
that one is fine.
Oct 20, 2019 at 6:53 AM
Avatar
ASEMASTER6371
  • CERTIFIED EXPERT
  • 52,796 POSTS
The fuse you told me under the hood was for the air pump.

I need the fuse number, not the fuse rating. The fuse you told me is for the air pump, not the A/C.

There is no other 20 amp fuse in the fuse block.
Oct 20, 2019 at 7:00 AM
Avatar
CADYFRANK
  • MEMBER
  • 12 POSTS
fuse number 14.
Oct 20, 2019 at 7:18 AM
Avatar
CADYFRANK
  • MEMBER
  • 12 POSTS
I am sorry the fuse number is 14 and you are right it is the air pump fuse.
Oct 20, 2019 at 8:02 AM
Avatar
CADYFRANK
  • MEMBER
  • 12 POSTS
HVAC went out first. the panel blinked the no A/C or heat, but i have low air flow, but stuck in the A/C mode.
Oct 22, 2019 at 6:21 PM (Merged)
Avatar
JACOBANDNICKOLAS
  • CERTIFIED EXPERT
  • 110,175 POSTS
Welcome to 2CarPros.

It sounds like the HVAC control module may have failed. What you need to do is check for diagnostic codes. This vehicle has an OBD1 system. Here is a link that explains how to retrieve the codes. Do this and let me know what you find.

https://www.2carpros.com/articles/buick-cadillac-chevy-gmc-oldsmobile-pontiac-gm-1983-1995-obd1-code-definitions-and-retrieval-method

If you can do that, let me know what you find or if you have other questions.

Take care,
Joe
Oct 22, 2019 at 6:22 PM (Merged)