Fuel pump/ASD fuse keeps blowing

2004 CHRYSLER PT CRUISER
180,000 MILES • 2.4L • 4 CYL • 2WD • AUTOMATIC
Avatar
REDBONE
  • MEMBER
  • 105 POSTS
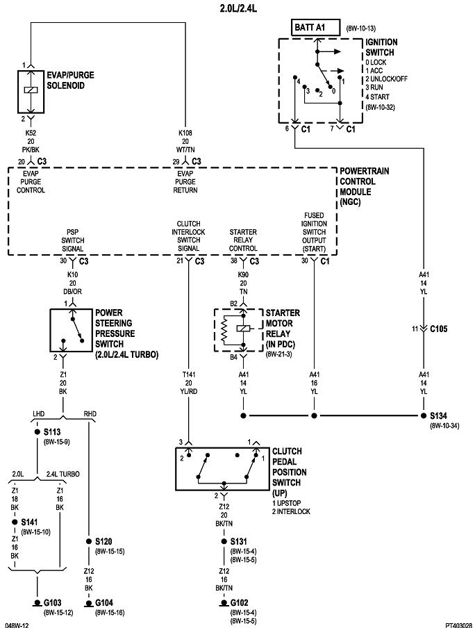
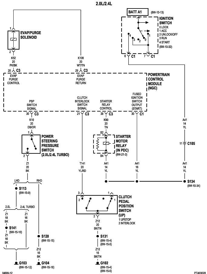
The fuel pump/ASD fuse keeps blowing after 5- 10 minutes of idle. do i have to replace the fuel pump and where can i find a wiring diagram to look for a short?
Aug 7, 2019 at 1:04 PM
Advertisement
Avatar
KASEKENNY
  • CERTIFIED EXPERT
  • 18,907 POSTS
Hi RedBone,

Can you send me the last eight of the VIN? There are a few options here and I need to make sure to give you the correct information.

Basically, what we will need to do is identify each component on this fuse and then install a smaller amp fuse on each leg of the circuit. If we do this, then the smaller fuse that blows will indicate which component is drawing too much current.
Aug 7, 2019 at 5:22 PM
Avatar
CARADIODOC
  • CERTIFIED EXPERT
  • 34,306 POSTS
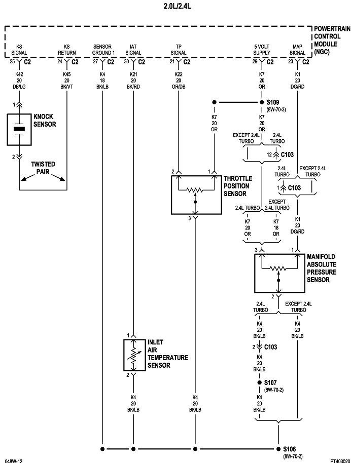
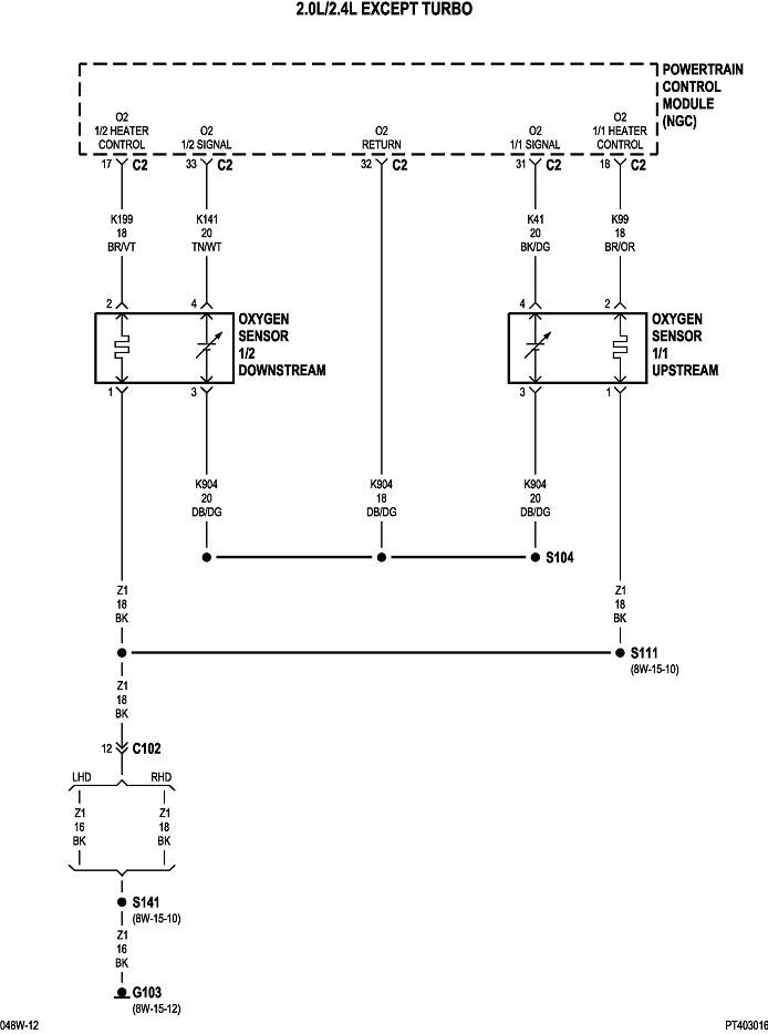
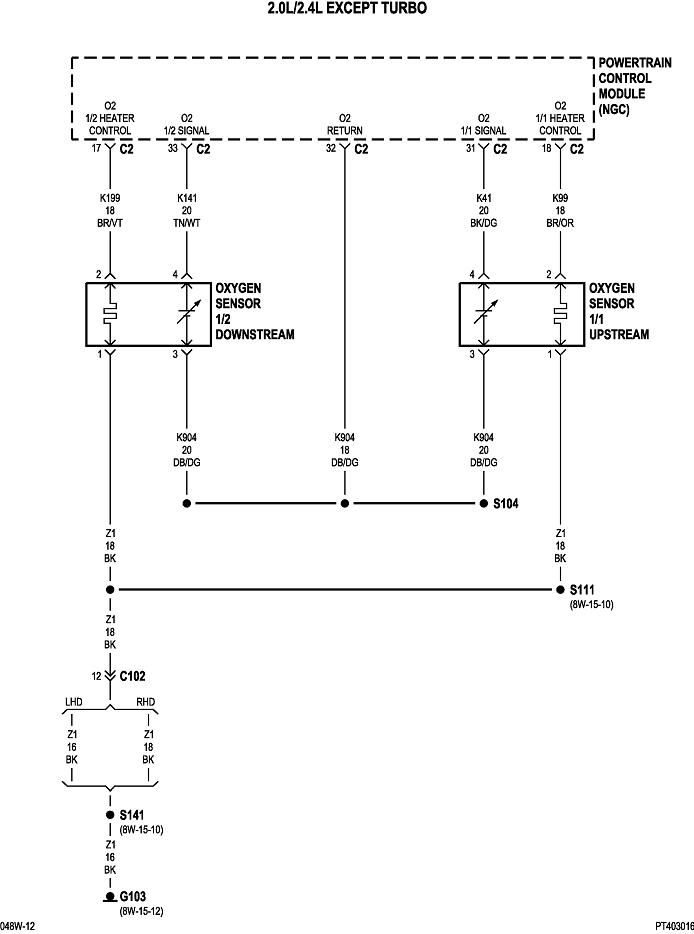
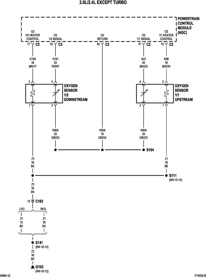
Check if the oxygen sensor wiring harness fell down onto hot exhaust system parts.

A simple trick to finding a short is to replace the blown fuse with a pair of spade terminals, then use small jumper wires to connect them to a 12 volt light bulb. A brake light bulb works well. When the circuit is live and the short is present, the bulb will be full brightness and hot so be sure it's not laying on the carpet or against a plastic door panel. Now you can unplug electrical connectors and move things around to see what makes the short go away. When it does, the bulb will get dim or go out.

For intermittent problems like yours the bulb may be dim already. Watch what takes place when it gets bright. That's when the short is occurring. It could be due to the rocking of the engine when you shift between reverse and drive. It could be due to the body flexing when you drive over bumps in the road. The bulb limits current to a safe value when the short occurs, in this case about one amp. If the engine won't start with a brake light in the circuit, try a headlight bulb. The low beam filament will limit current to five amps, and the high beam filament will allow about six amps to flow.
Aug 7, 2019 at 5:59 PM
Advertisement
Avatar
REDBONE
  • MEMBER
  • 105 POSTS
The last eight numbers for this PT Cruiser is, 4t276383.
Aug 15, 2019 at 11:47 AM
Avatar
KASEKENNY
  • CERTIFIED EXPERT
  • 18,907 POSTS
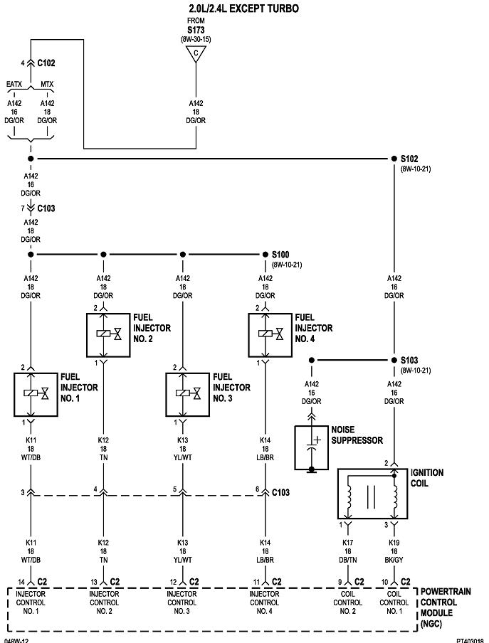
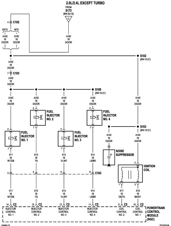
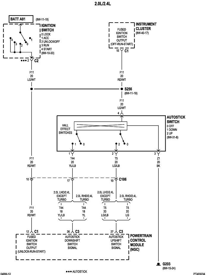
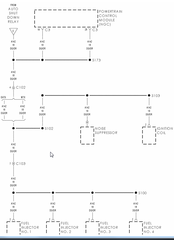
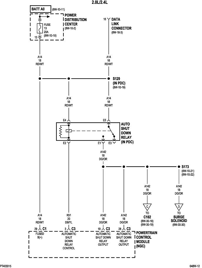
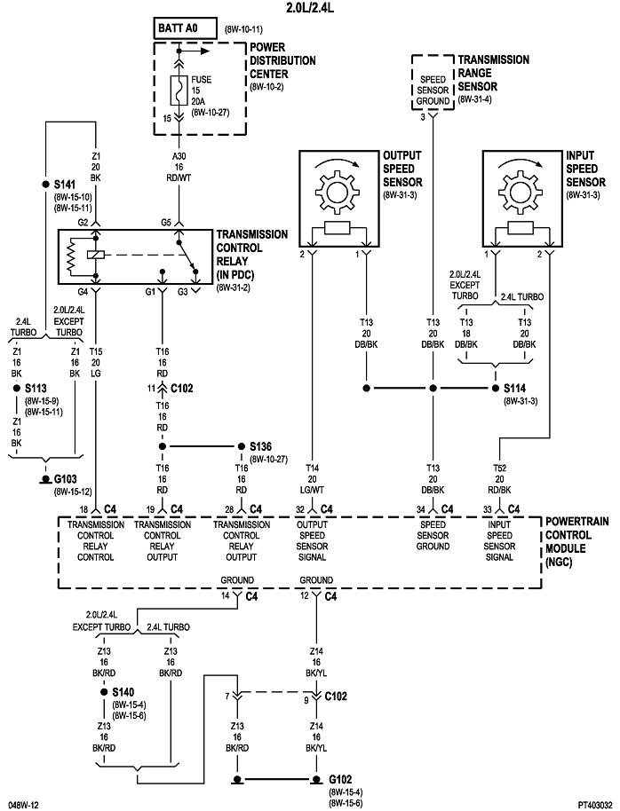
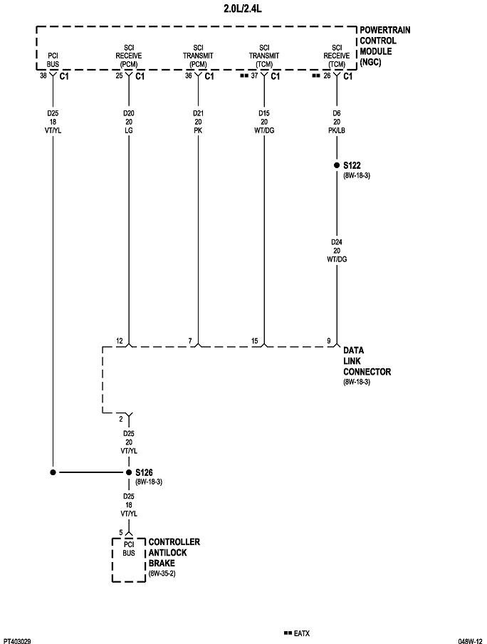
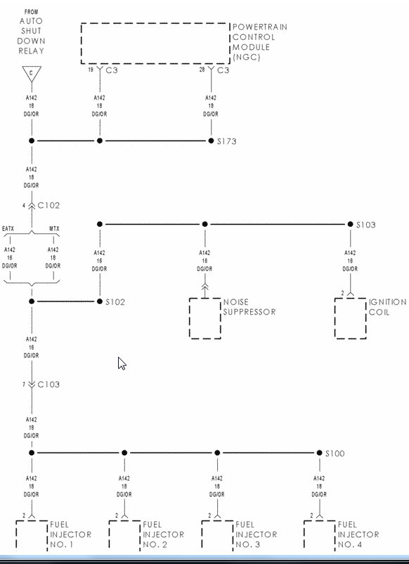
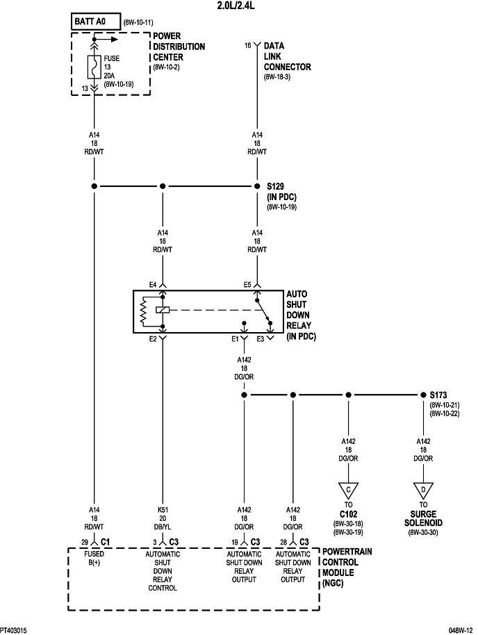
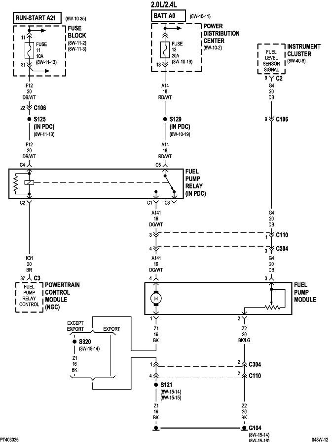
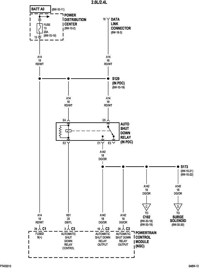
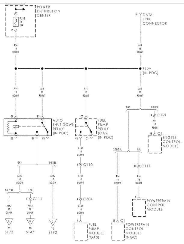
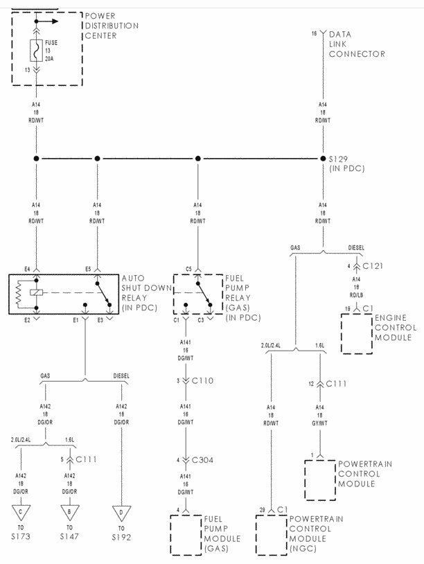
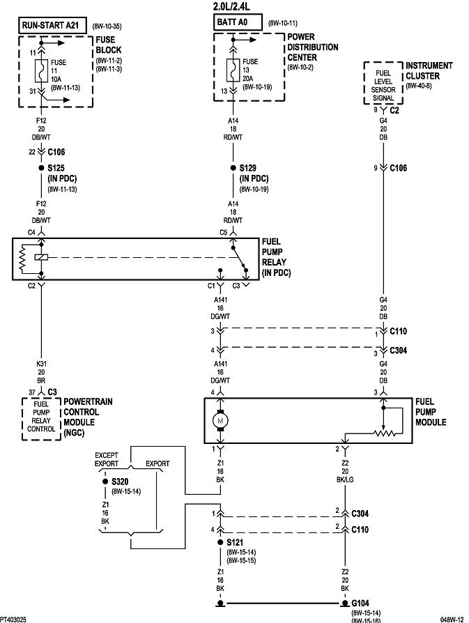
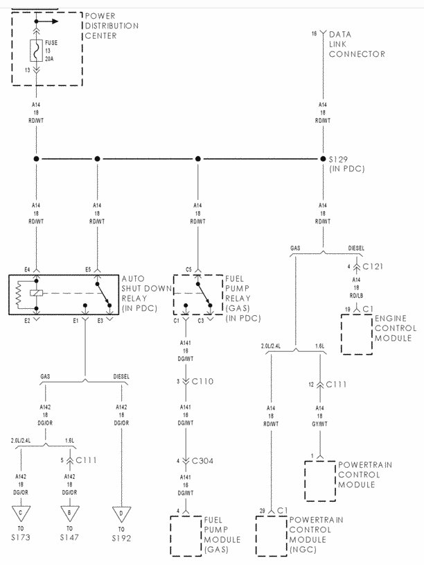
Okay. This is great. If the fuse that is blowing is fuse 13 which is a 20A fuse for the ASD and fuel pump relay, then I would suggest a little different approach as these are not items that you can install smaller fuses on.

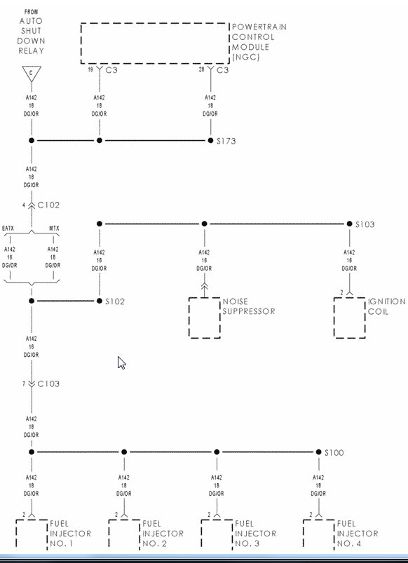
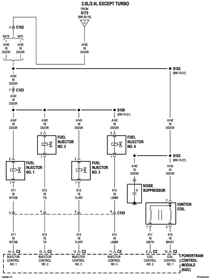
Here is a list of components on this fuse:

1. NGC Controller
2. Fuel Pump
3. Noise Suppressor
4. Ign coil
5. Fuel injectors

Clearly you will want to inspect wiring as stated above and you can use the bulb method as well. That will probably be the easiest thing to do to test it. You can also use an amp meter in place of the fuse that way you can see what the actual amperage is. However, the most common causes of these items to draw to much current are the fuel pump and ignition coil. In fact, I just had a 2.4L vehicle about 6 months ago doing this same thing and it was the coil. This is way it seems like because once the engine starts to get hot, I bet it is causing the issue in the coil. If you have another coil, I would swap it out and see what happens. It is the easiest part to get to and in my mind, is worth the risk of being wrong. Worst case, you have an extra coil for the future.
Aug 15, 2019 at 6:03 PM
Avatar
REDBONE
  • MEMBER
  • 105 POSTS
I haven't changed the coil yet,but did unplug the fuel pump and turn the key to on and the fuse blew as soon as i turn the the key to on.
Oct 8, 2019 at 3:05 PM
Avatar
KASEKENNY
  • CERTIFIED EXPERT
  • 18,907 POSTS
Okay. That is good because that eliminates that as the cause. As I stated before, more than likely this is a component but there is a chance that you have a wire that is rub through and shorted. However, I would check the other components and go from there. Thanks
Oct 8, 2019 at 4:55 PM
Avatar
CARADIODOC
  • CERTIFIED EXPERT
  • 34,306 POSTS
Do you own stock for the company that makes the fuses? The light bulb trick is specifically so you don't have to keep wasting fuses. It's almost impossible to find the short the way you're going about it. Put the light bulb in place of the fuse, but because the ASD relay only turns on for one second, that's not enough time to run around unplugging things. Instead, put a new fuse in the socket, then remove the ASD relay. Put the spade terminals and jumper wires to the bulb in terminals 30 and 87. This will power up the circuit without even having to turn the ignition switch on, and the bulb will be full brightness. That proves the short is present, and the bulb will limit current to a safe one amp. Now you can unplug things and move harnesses around. When you do something to isolate or remove the short, the bulb will get dim or go out.
Oct 8, 2019 at 6:24 PM
Avatar
REDBONE
  • MEMBER
  • 105 POSTS
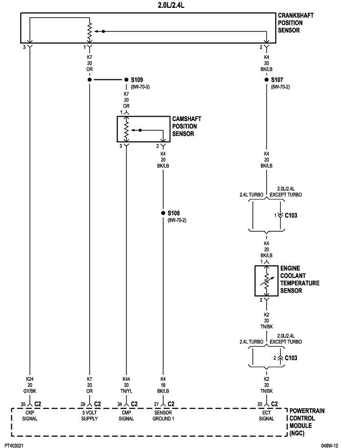
I found the coil to be bad so i changed the coil and the fuse blows when it tries to fire. I have checked the fuel pump, noise suppressor. How can i check the fuel injectors to see if they are the problem? also i checked the main wire (dark/orange) and found no short.
Oct 22, 2019 at 1:25 PM
Avatar
KASEKENNY
  • CERTIFIED EXPERT
  • 18,907 POSTS
You can check the resistance of each injector. It should be around 11-18 ohms.
Oct 22, 2019 at 5:24 PM
Avatar
CARADIODOC
  • CERTIFIED EXPERT
  • 34,306 POSTS
If you think an injector is shorted, as never actually happens, just unplug them. That would remove the short from the circuit.

You've wasted so much time and fuses, it would be much less costly if you have an electrical expert look at it. This diagnosis with my light bulb trick should take the better part of ten minutes.

I've had a tail light fuse blowing when driving over bumpy roads, on a full-size Dodge van, and an intermittently overheating engine on a mid '90s Caravan, both solved within minutes of plugging in a test harness I made from a Viper tail light harness. I made that tool by soldering the harness to a blown fuse that could be quickly plugged in, in place of the blowing fuse. Depending on how much current the circuit normally required, I could plug in up to three bulbs into that harness, with a total of five filaments. You don't have to get that involved unless you expect to have use for this in the future. A single bulb with two spade terminals and a pair of jumper wires will work just fine.

The clue to the overheating engine was the radiator fan relay was on the same circuit as the back-up lights, and the owner never noticed the back-up lights had stopped working. With my test harness clipped into the circuit in place of the very hard-to-replace fuse link wire, the back-up lights worked, but dimly, as expected, indicating no short was present. As soon as I tried to accelerate to back out of the stall, the test light turned bright and the radiator fan stopped running. The only way to make the short appear was to force the engine to rock when backing up. The fat wiring harness that runs under the battery tray was sliding back and forth for years, and the insulation on some wires had been rubbed bare, along with the paint on the inner fender. How are you ever going to find that by just continually throwing new fuses at it? In this case it was multiple fuse link wires that are spliced and soldered in, and are very time-consuming to replace.

The tail light problem on the van turned out to be an added-on trailer wire harness wire was caught under the left rear lens and the insulation got crushed when the screws were tightened. I had the test light harness hooked over the rear-view mirror so I could see it easily. This one took less then 15 seconds to find with a rubber hammer. Ten of those seconds were spent walking over to my tool box to get that hammer. It just took a light tap on the lens to make the short appear. The only other way to find that would have been to have a helper drive the van over bumpy roads while I ran along behind it. I'm too old and slow for that!
Oct 22, 2019 at 6:48 PM