Blown fuse

2002 FORD F-350
98,000 MILES • 7.3L • V8 • TURBO • 4WD • AUTOMATIC
Avatar
BLAZER4X6
  • MEMBER
  • 3 POSTS
Gauges are not working and no power at the accelerator, power at fuse box. I run a hot wire to the accelerator and the gauges are working. what can I do to fix that without running a hot wire to the accelerator?
Jan 20, 2018 at 4:56 PM
Advertisement
Avatar
CJ MEDEVAC
  • CERTIFIED EXPERT
  • 11,004 POSTS
I just looked over some diagrams.

There was a recall on the adjustable accelerator pedal sensor back in 2004.

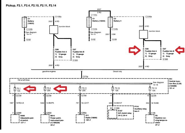
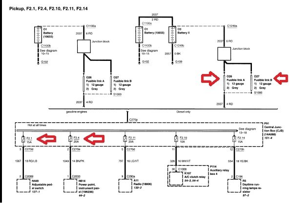
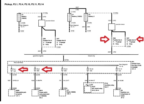
As far as power to the pedal, I found this "pin" diagram (see below).

In other diagrams I found fusible links and four fuses related to the gauge pedal. second picture and I am listing the fuses I came across.

F2.1 15 AMP.
F2.4 20 AMP.
F2.35 10 AMP.
F2.41 10 AMP.

Maybe this will aid you.

The Medic

Jan 20, 2018 at 8:49 PM
Avatar
BLAZER4X6
  • MEMBER
  • 3 POSTS
Thanks for your quick response. I checked all the fuses there is power. however, still no power to the pedal with the key in the run position. By running hot wire from the fuse box to number six position on the harness at the pedal the gauges work and the pedal works. Can you give me the location of the fusible link associated with the pedal please?
Jan 21, 2018 at 10:08 AM
Advertisement
Avatar
CJ MEDEVAC
  • CERTIFIED EXPERT
  • 11,004 POSTS
I am still looking for a location.

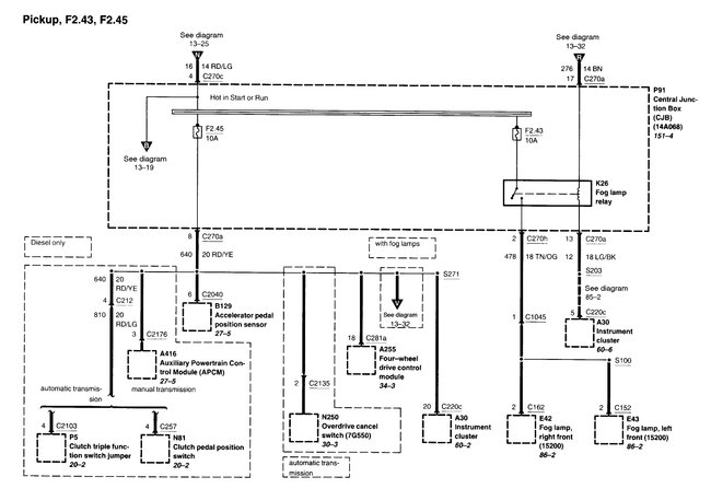
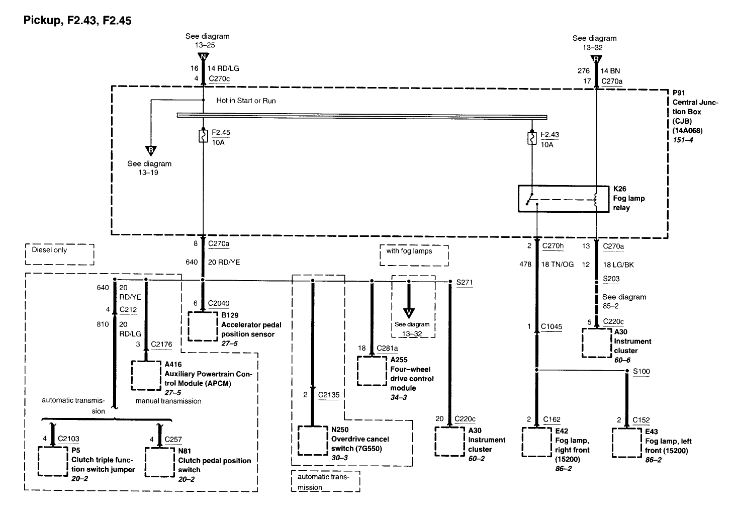
Along the way, I found another fuse to check.

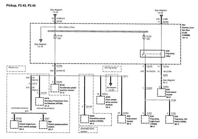
F2.45

I am still at it.

The Medic

Jan 21, 2018 at 4:15 PM
Avatar
STEVE W.
  • CERTIFIED EXPERT
  • 15,113 POSTS
Looking at the wiring your jumper wire is feeding back into the circuit that is fed from fuse 45 (10 amp) in the junction panel fuse box under the dash on the drivers side.
It is one of multiple feeds from that fuse. All using a Red/Yellow wire the same as the feed into pin 6 on the TPPS that you are using. The Auxiliary powertrain control module, Overdrive cancel, Instrument cluster and 4X4 control module are the others. (there are a couple others but not used with auto trans)

My bet is that the fuse connectors for fuse 45 in the box are bad. That would give the sign that the fuse is good but the power never leaves the box. My suggestion would be to check the fuse and the clips. Easiest way would be to use a 10 amp inline fuse and jumper the fuse terminals. If power returns at pin 6 on the TPPS the output side fuse clip is bad. If it doesn't the failure is deeper in the fuse box on the splice buss. The repair for that would be a fused jumper to bypass the fuse connection in the box or replace the fuse box.
Jan 22, 2018 at 3:08 PM
Avatar
BLAZER4X6
  • MEMBER
  • 3 POSTS
Thanks for your response I appreciate it I'll check that out.
Jan 22, 2018 at 3:28 PM