I hate wasting your fuses!
This elimination process is pretty quick though!
Let's try a few more things.
We are going to save your fuses!
These next six lines are stolen from a post "caradiodoc", answered, he is a super expert at 2carpros, (he posts this from time to time dealing with shorts). It works really well. I am going to add and remove a few words to make it work for you.
Rather than installing a new fuse, use a pair of thin spade terminals in the (fuse holder) socket and a pair of jumper wires to connect a 12 volt light bulb such as a brake light bulb. It should be full brightness (when you touch the brakes-or when a short is present).
Those bulbs get real hot, so watch your skin, seats, carpet (put bulb in a safe spot!)
Understand the test?
Now let's check stuff!
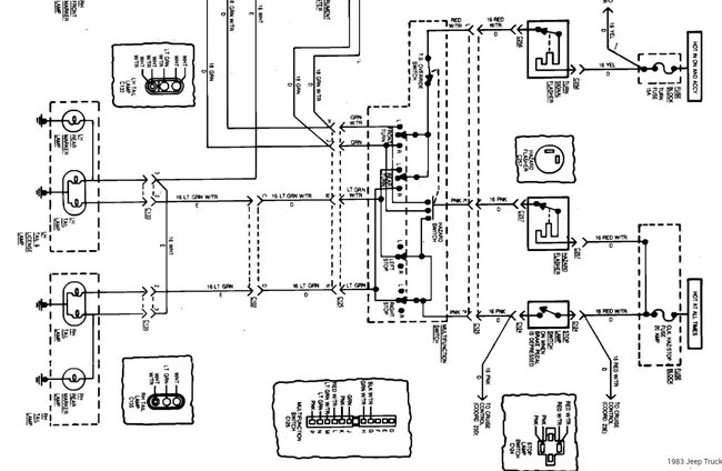
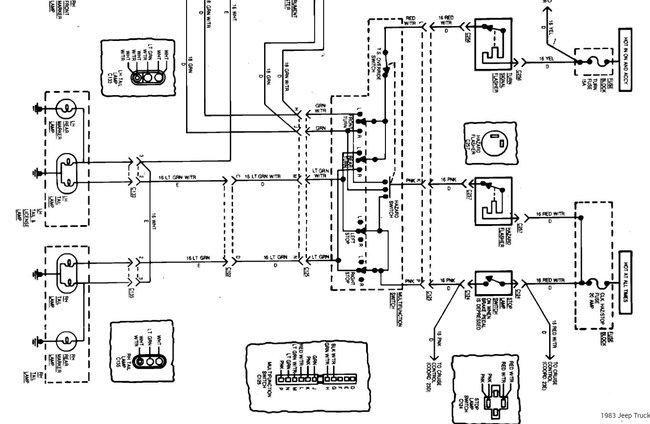
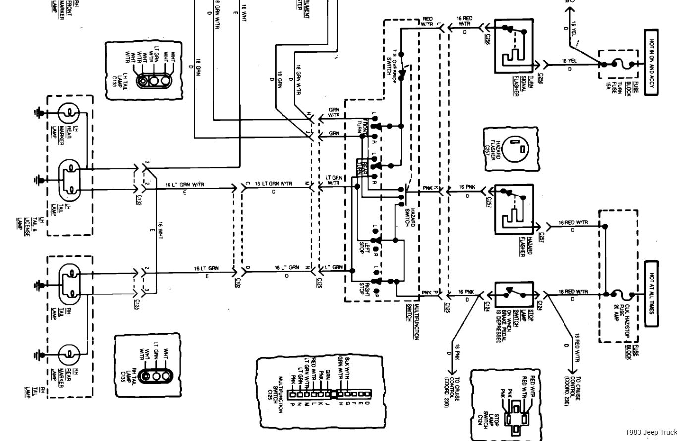
Touch brake, short present, test bulb will be on!
Take out your flasher, results?
Turn on right turn signal, results?
Turn on the left turn signal, results?
Wiggle wires while depressing the brake pedal, light go out or blink?
Maybe you pinched a wire in the column?
Update me!
The Medic
Nov 1, 2018 at 4:36 PM