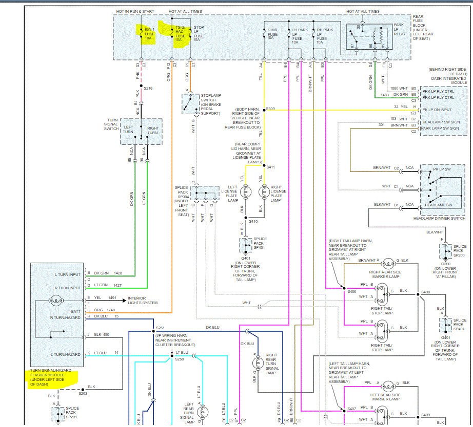
Front A/C blower, left side headlamp, parking lights , rear and turn signal don't work. back up emergency signal don't stop, door does not lock. Runs real good with no other problems.
Oct 19, 2020 at 2:50 PM
