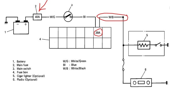
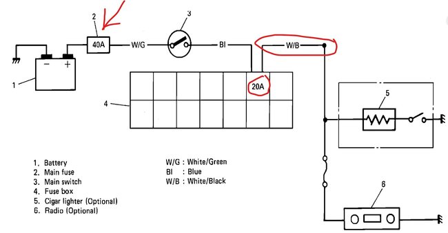
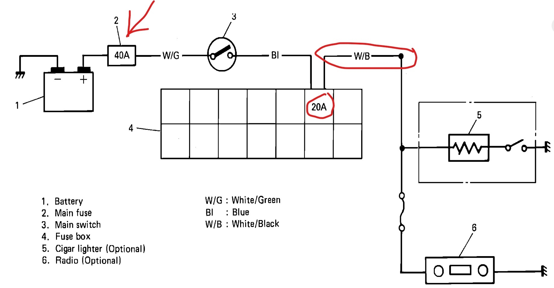
Hello, so while driving my vehicle listed above just quit running after inspecting, I found a fuse was blown and it was the cig radio fuse I replaced the fuse and about two blocks later it died again and now won't start or even turn on without blowing that fuse again?
Jun 7, 2024 at 9:32 PM

