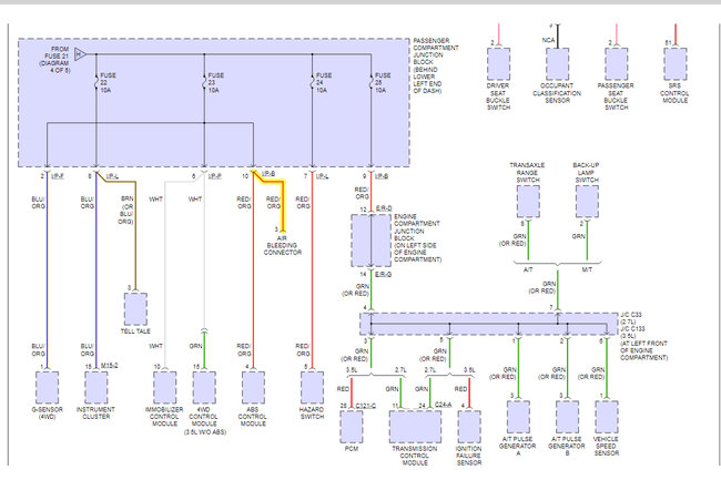
Recently changed out the fuel pump and alternator to this car once done noticed that there was a 15 amp fuse blown, replaced it, it controls the PCM, ECM, TCM, and fuel pump. Vehicle started great and ran for about thirty miles pulled over at store and wouldn’t start. A girlfriend was driving it. Went to go get the car, installed a slightly larger fuse in place of the 15 started the car made it about a mile had to pull back over and then when I restarted it and back out the fuse blows again. Had it towed replaced the fuse started. Drove around still hasn’t popped a fuse, but I’m sure it will. I want to make it safe for my girlfriend. Anybody can let me know?
Mar 14, 2019 at 4:55 AM













