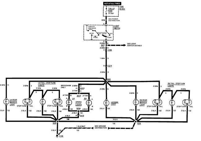
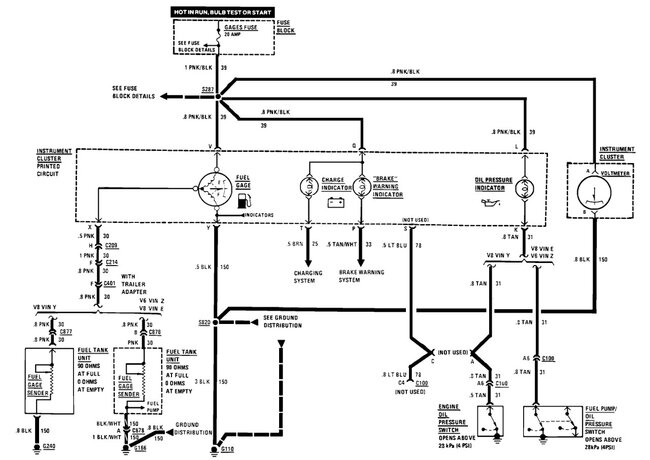
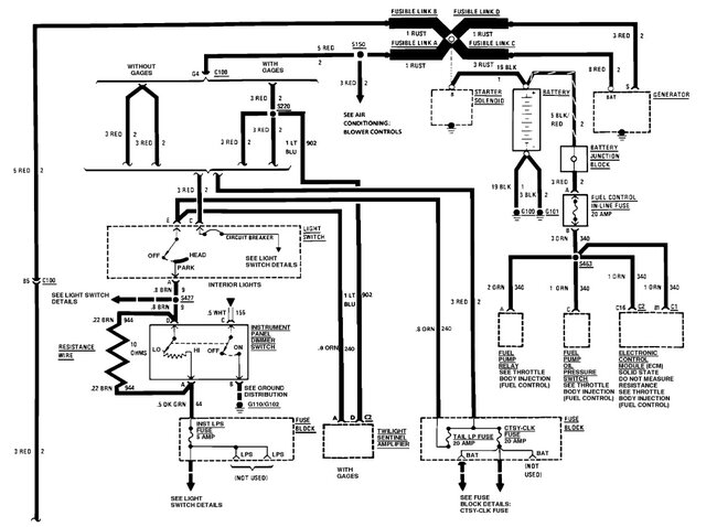
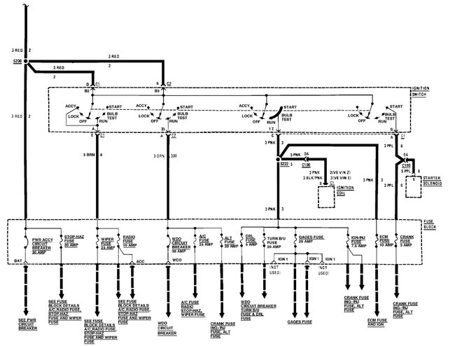
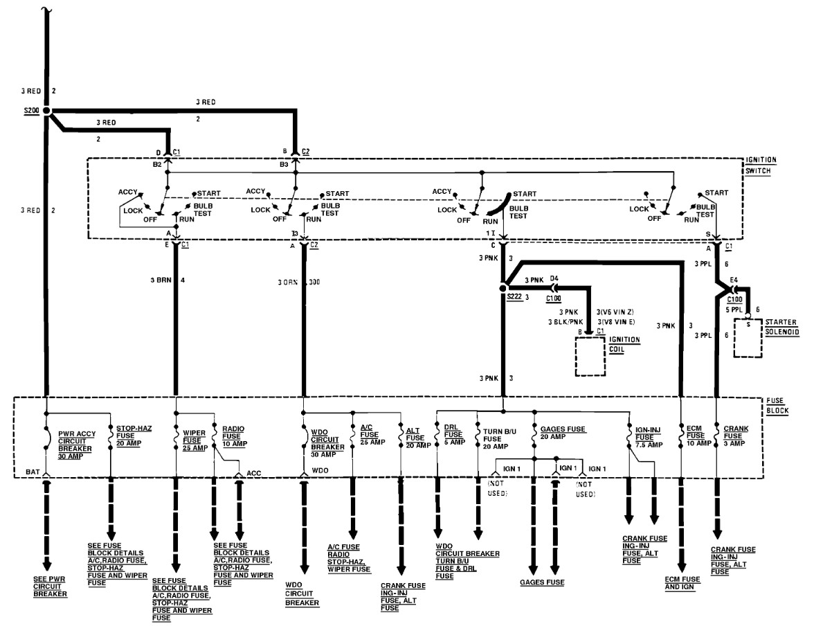
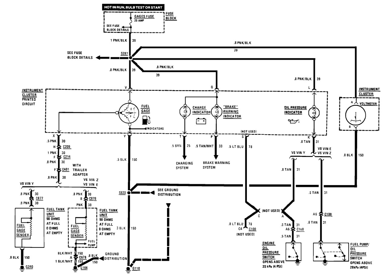
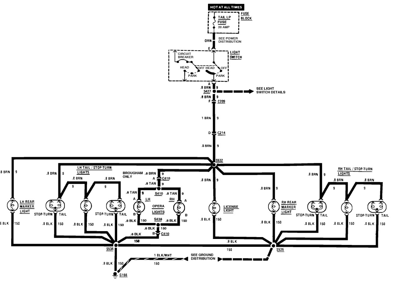
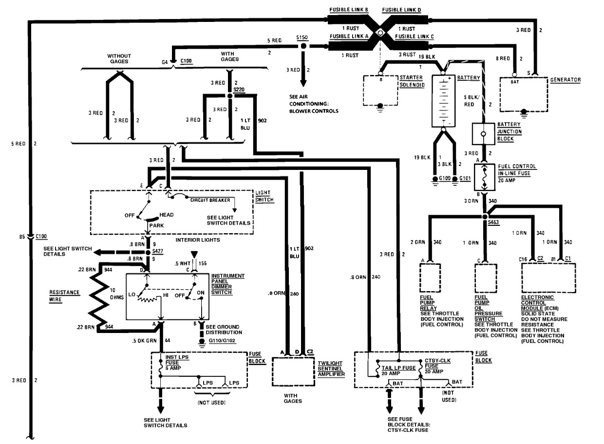
I was driving down the road and the cluster fuse blew. Came home, tried replacing it and as soon as the key was turned on it blew again. After doing a little wiring looking the taillight fuse blew as well. Now I replaced both fuses and only the cluster fuse keeps blowing. I noticed that the blinker indicators are lit up on the dash with the taillight fuse in now if I remove the taillight fuse the cluster loses power keep in mind that the cluster fuse is blown at this point and removed as well. Where would be a good place to start looking into my issue?
Jan 6, 2023 at 1:16 AM






