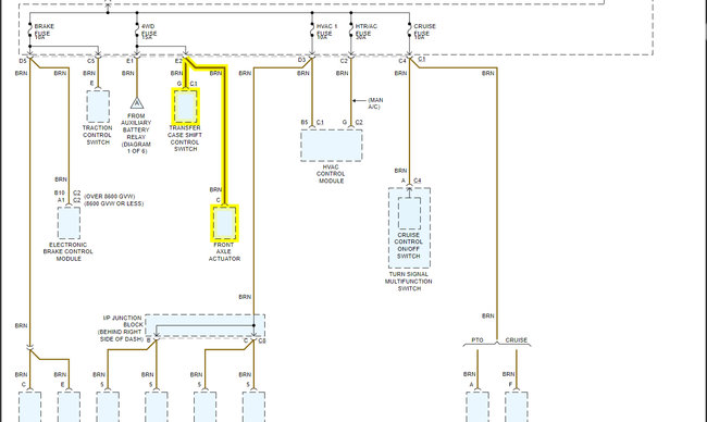
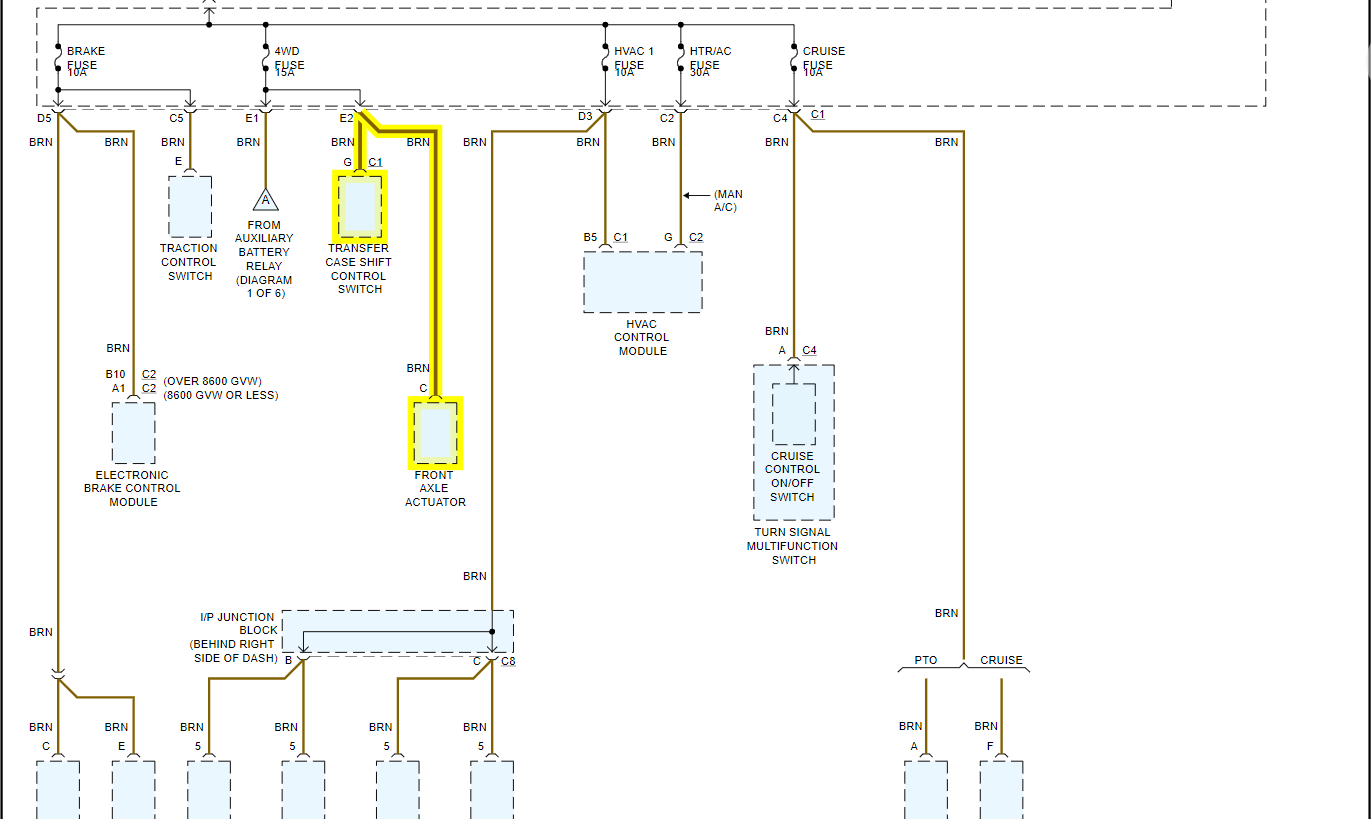
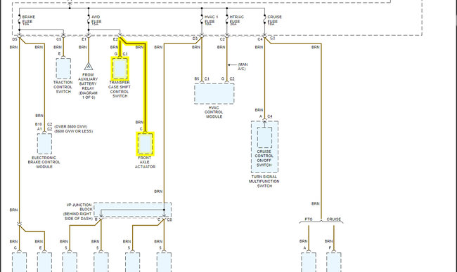
My 4x4 worked when i got the truck a month ago, but here recently just got a "Service 4x4" code show up. I replaced the actuator and then noticed that the 4x4 fuse in the vehicle was blown. As soon as I replaced it, it just kept blowing once I turned the ignition on. Any clues or ideas?
Nov 4, 2020 at 2:52 PM


