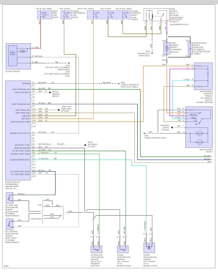
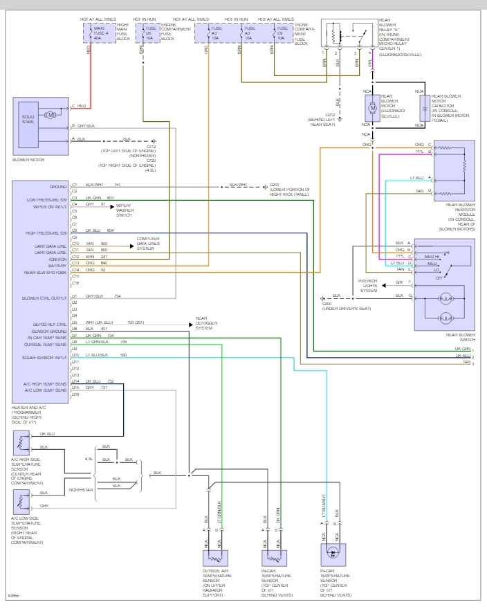
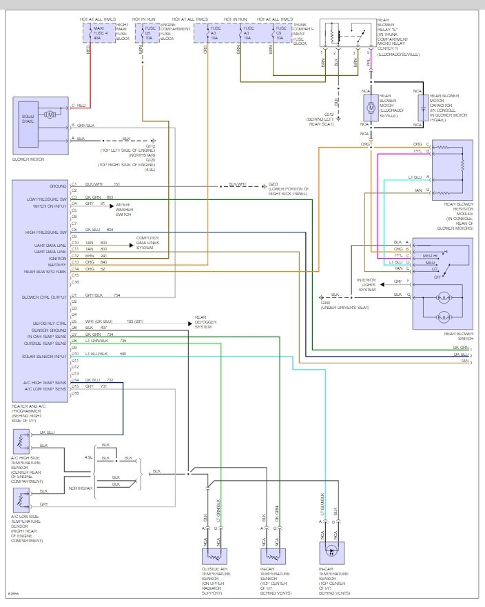
Blower stayed on after car is turned off. Also, air conditioner turns on and off when engine is on. problem started with oe blower motor staying on after i pressed the off button and turned the vehicle off. i started off disconnecting the battery. Later i found out i could half crank the vehicle (just enough to turn over) and the blower would turn off. Well i changed the blower motor, put a brand new one on. same issue. Well, after a tune up the blower would turn off with the vehicle, but i cannot get the air conditioner, or the blower motor rather, to stay on. it blows hard and cold then it cuts off. i tried wiggling cables and harnesses to no avail. help me please
Jun 16, 2016 at 5:44 PM
