Rear blower does not turn off

1999 CHEVROLET SUBURBAN
214,000 MILES • 0.8L • V8 • 4WD • MANUAL
Avatar
BRIAN MAHER
  • MEMBER
  • 1 POST
The rear blower won't turn off.
Jan 20, 2021 at 7:50 AM
Advertisement
Avatar
ASEMASTER6371
  • CERTIFIED EXPERT
  • 52,796 POSTS
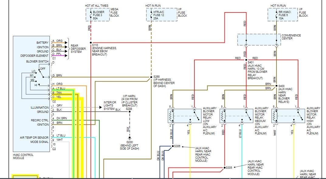
Good morning,

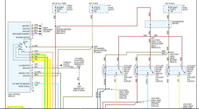
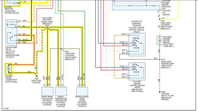
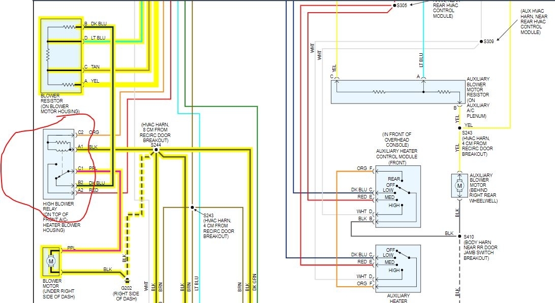
I attached the wiring diagram for you to view. This could be either a bad blower relay or the blower resistor is shorted to power.

Behind the IP compartment box, on the HVAC plenum

https://www.2carpros.com/articles/how-to-check-wiring

https://www.2carpros.com/articles/how-to-check-an-electrical-relay-and-wiring-control-circuit

Roy


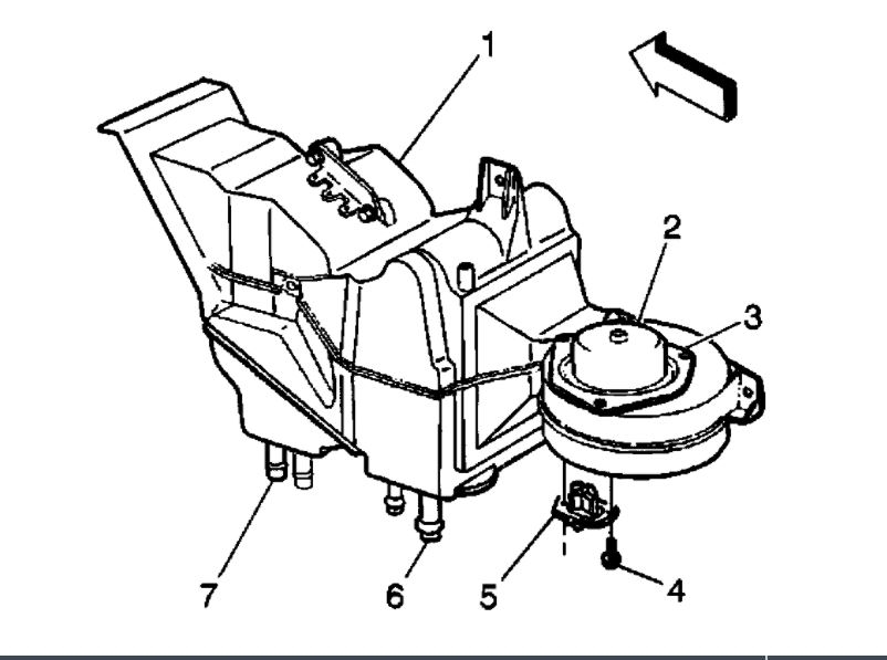
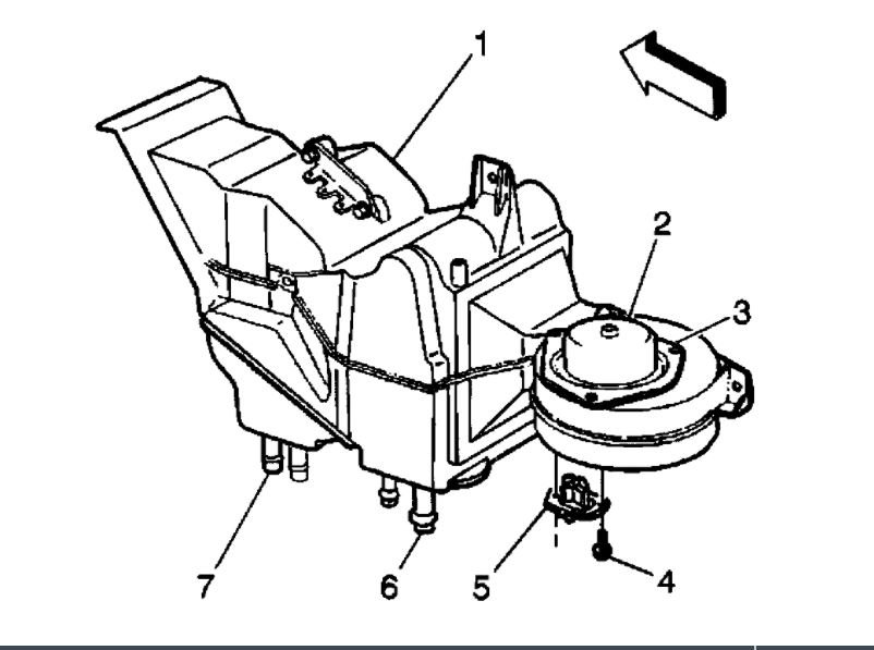
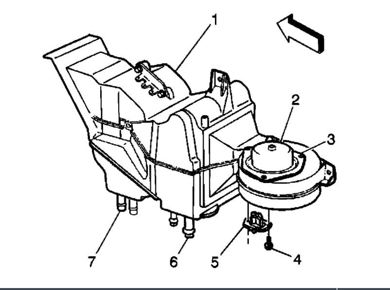
REMOVAL PROCEDURE

CAUTION: Refer to Battery Disconnect Caution in Cautions and Notices.

1. Disconnect the negative battery cable.
2. Remove the instrument panel compartment.
3. Disconnect the electrical connectors as necessary.
4. Remove the relay (3) from the relay bracket.

INSTALLATION PROCEDURE
1. Install the relay (3) to the relay bracket.
2. Connect the electrical connectors, as necessary.
3. Install the instrument panel compartment.
4. Connect the negative battery cable.
5. Test the circuit operation.

Rear blower resistor


REMOVAL PROCEDURE

CAUTION: Refer to Battery Disconnect Caution in Cautions and Notices.

1. Disconnect the negative battery cable.
2. Remove the right rear quarter trim panel.
3. Disconnect the electrical connectors, as necessary.
4. Remove the screws (4) securing the blower motor resistor (5).
5. Remove the blower motor resistor.

INSTALLATION PROCEDURE
1. Install the blower motor resistor (5).

NOTE: Refer to Fastener Notice in Cautions and Notices.

2. Install the screws (4) in order to secure the blower motor resistor.

Tighten
Tighten the screws to 1.4 N.m (12 lb in).

3. Connect the electrical connectors, as necessary.
4. Install the right rear quarter trim panel.
5. Connect the negative battery cable.
6. Test the circuit operation.
Jan 21, 2021 at 6:14 AM