Good afternoon.
That is the blower motor itself. It has bearings inside that fail over time.
Roy
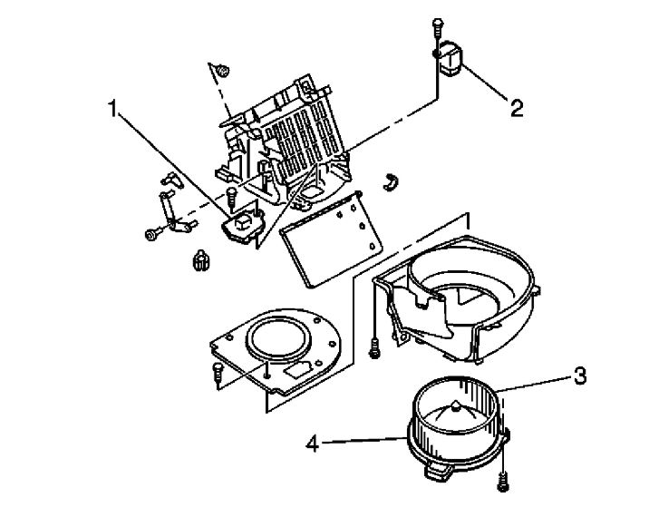
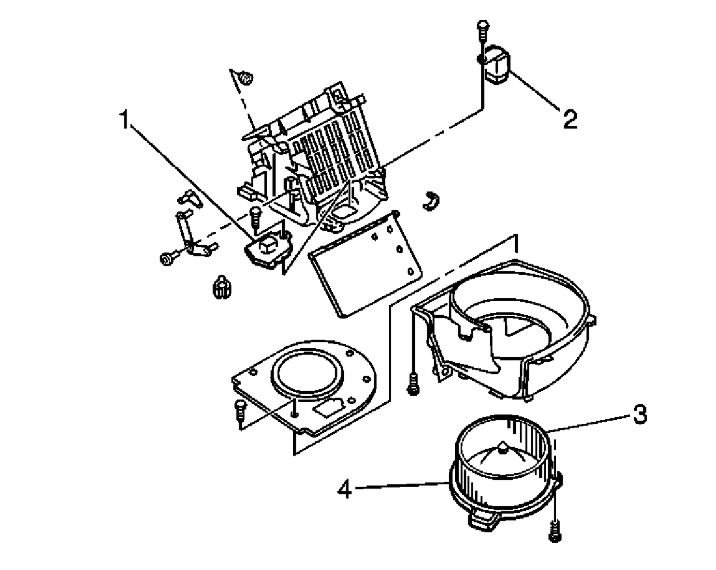
REMOVAL PROCEDURE
1. Disconnect the negative battery cable.
CAUTION:
- Refer to SIR Caution in Service Precautions.
- Refer to Battery Disconnect Caution in Service Precautions.
2. Disconnect the blower motor electrical connector.
3. Remove the PCM.
imageOpen In New TabZoom/Print
4. Remove 3 screws and the blower motor and fan (4) from the blower case.
5. If necessary to remove the blower case, refer to Heater Case Replacement.
Sep 19, 2018 at 2:54 PM