Blower motor not working

2001 MITSUBISHI MIRAGE
152,351 MILES • 1.8L • 4 CYL • 2WD
Avatar
BEBO131313
  • MEMBER
  • 7 POSTS
Thank you guys for the free questions. Here is my question: Is there a relay to the blower motor? or what supplies power to blower motor? I got my drills battery and hooked it to the blower motor with alligator clips and it worked so to me it's not the blower motor. it has something to do with what's powers it up. I also went to AutoZone and told me there is no relay to the blower motor, so that right there just threw me off track big time. Can you guys please help me out?
Oct 21, 2019 at 8:03 PM
Advertisement
Avatar
CARADIODOC
  • CERTIFIED EXPERT
  • 34,306 POSTS
There is indeed a relay that supplies the 12 volts for the fan. Be aware there's four different Mirage models, and not all use the same engines, and some circuitry will be different. This circuit doesn't involve any computers, so diagnosis should be pretty straight-forward.

Pull the blower relay out of its socket, then check for 12 volts on two terminals. One should be there all the time; one only when the ignition switch is in the "run" position. If you don't find two 12-volt feeds to that socket, we'll have to figure out which one is dead, then check the appropriate fuse.

If you do have both 12-volt feeds, stick the relay back in, then feel if it clicks when you turn on the ignition switch. If it does, check for 12 volts on the green wire at the blower motor. If that is there, do a continuity test from the motor's white wire to a good body ground. You should typically find a few ohms of resistance, but not more than perhaps ten ohms, depending on the fan speed switch setting. If that circuit is open, the best suspect is the thermal fuse inside the resistor assembly is burned open, and that is almost always due to tight bearings in the blower motor.

The next suspect would be the speed switch has burned contacts, and that is usually accompanied by two melted terminals, and hardened wires, at the back of the switch.

Let me know what you find up to this point.
Oct 21, 2019 at 10:04 PM
Avatar
BEBO131313
  • MEMBER
  • 7 POSTS
Mr Caradiodoc!. The relay is good I also checked for 12v and that was also good I checked for continuity on motors white wire And there's continuity and I checked for 12v and there is none... there is no power going to the blower I also checked the lines going to the resistor and there's no power going to the.resistor.. what I found weird is that when I turn on the fan speed switch there's power because I can hear and see the fans to the radiator go on. I do not know, maybe I'm missing a fuse... Where can you lead me to from here Mr Caradiodoc? Would you please provide me with some diagrams to the fuse boxes please?
Oct 29, 2019 at 6:39 PM
Advertisement
Avatar
STRAILER
  • CERTIFIED EXPERT
  • 53,854 POSTS
Hello,

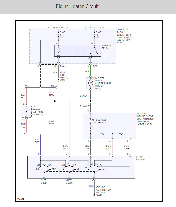
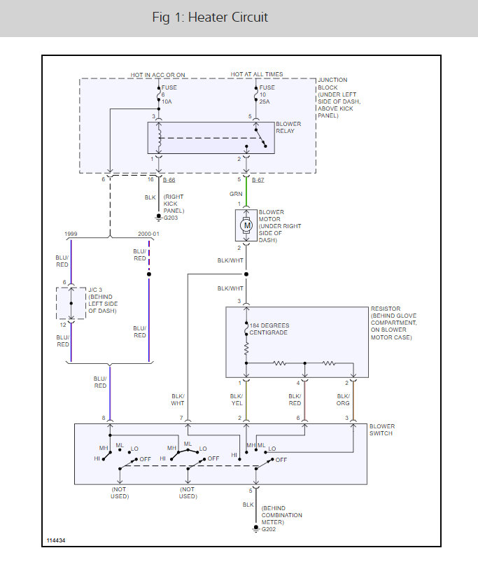
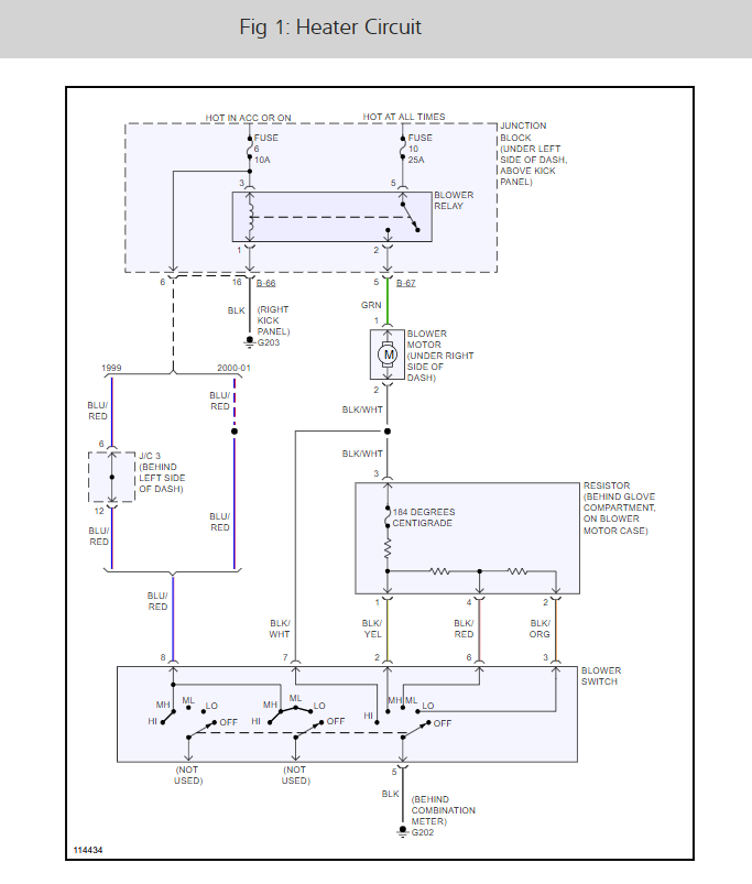
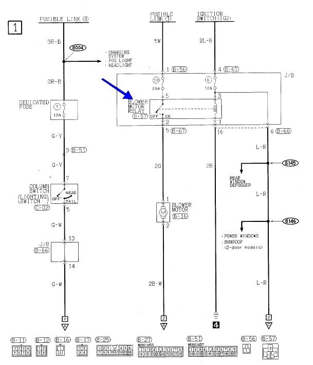
Here is a guide to help you check for power and a more complete blower system wiring diagram so you can see how the system works:

https://www.2carpros.com/articles/how-to-use-a-test-light-circuit-tester

Check out the diagrams (below). Please let us know what happens.
Nov 2, 2019 at 1:06 PM
Avatar
CARADIODOC
  • CERTIFIED EXPERT
  • 34,306 POSTS
Please list the specific places you're finding 12 volts so we don't confuse each other. Did you find it on two terminals in the relay socket?

The radiator fan is on a separate circuit, so that won't make a good clue this time.

If you're missing 12 volts on the green wire to the fan motor, the relay has to have burned contacts, or it's not turning on. Did you feel if it clicks when you turn on the ignition switch? Regardless of the cause, if there's no 12 volts on that green wire, you won't have any voltage further down the line at the resistor assembly or the switch. That would suggest those parts are not good suspects. We need to figure out why there's no 12 volts on the green wire.
Nov 2, 2019 at 2:35 PM
Avatar
BEBO131313
  • MEMBER
  • 7 POSTS
After looking at the diagrams y'all provided I could see where to go and found the burnt blower motor fuse.... man. thanks a lot for y'alls great effort in trying to help everyone. even though it is a ask a free question deal you guys work as no other professionals out there. keep up the excellent work and god bless. god bless caradiodoc and his team.
Nov 3, 2019 at 6:48 PM
Avatar
STRAILER
  • CERTIFIED EXPERT
  • 53,854 POSTS
CARADIODOC is one of our best! Glad you could get it fixed, that kind of problem can be tough. Please use 2CarPros anytime we are here to help.
Nov 4, 2019 at 11:36 AM
Avatar
STEELERS_UNION
  • MEMBER
  • 1 POST
Air Conditioning problem
2001 Mitsubishi Mirage 4 cyl Front Wheel Drive Automatic

I started my car today to go to the store. It was about 86 today so after a few minutes i turned on my air conditioner. I noticed that the fan was not working for the air conditioner. I did have cool air on the vent cycle, but no fan to force the air around. I used the fan yesterday and did not notice any problems, nor any problems before. I thought that maybe i had a blown fuse, i replaced 2 fuses that i thought might deal with the fan, but there was no change.. Thanks in advance for your help.
Nov 4, 2019 at 11:37 AM (Merged)
Avatar
KHLOW2008
  • CERTIFIED EXPERT
  • 41,814 POSTS
Hi steelers_union,

Thank you for the donation.

Give the fan blower motor housing below the glove box some banging with your hand and if the fan comes on, the fan motor is failing and would have to be replaced.
Nov 4, 2019 at 11:37 AM (Merged)
Avatar
DEKE4
  • MEMBER
  • 1 POST
I recently had a relay switch to the crankshaft replaced. Before that the heater fan worked fine. After leaving the repair shop some 40 miles away, I turned the dial to blow heat into the car. There was heat coming out of the vents but there waas no forceful volume of hot air coming out. I would take it back to the garage some 80 miles from my home, but am reluctant to travel that far if there is a simple solution. Thank you
Nov 4, 2019 at 11:37 AM (Merged)
Avatar
KHLOW2008
  • CERTIFIED EXPERT
  • 41,814 POSTS
Hi deke4,

Check if you have sufficient coolant in system.

Check the control cable adjustment.

Work on the crankshaft should not affect the heater system.
Nov 4, 2019 at 11:37 AM (Merged)
Avatar
KARENMAE
  • MEMBER
  • 1 POST
Heater problem
1996 Mitsubishi Mirage 4 cyl

could you please tell me where heater fan is located ? I have no defrost. Ibelieve fan is not working.Please help.
Nov 4, 2019 at 11:37 AM (Merged)
Avatar
BLUELIGHTNIN6
  • CERTIFIED EXPERT
  • 16,542 POSTS
blower fan is located behind passenger side dash.

is heater blowing through other selections besides defrost ? check for vacuum leaks on heater / a/c system behind dash.
Nov 4, 2019 at 11:37 AM (Merged)