Blower motor stuck on high or something else

2005 CADILLAC ESCALADE
196,000 MILES • 3.5L • V8 • AUTOMATIC
Avatar
HBROWN38
  • MEMBER
  • 2 POSTS
So yesterday when stopping at a corner store all my front air vents, all of a sudden just started to blow out hot air and I mean it was hot now keep in mind that the A/C wasn't even on because it hasn't even been working since June. this is besides the point just haven't had the time not a big issue for me right at the moment, I have a problem is more important. Anyhow 98° outside all windows down, truck was in park. I immediately try to set the dual controls to a higher temperature thought maybe the thermostat was stuck and below 65°. I tried to put them on like 72-ish that didn't work it still was blowing out air and t it was coming out fast too like I even tried turning down the speed of which it was blowing out sounded so windy it wouldn't even let me like turn down the speed of which the wind was coming. I instantly drove it home, when I got home after letting the engine cool off a little bit I immediately took out the blower motor fuse. Waited a while and replaced the fuse, but the same problem, it continues to blow not only out air but hot air.. Also did I mention, that even with turning the engine off on my truck it continued to blow out air/heat. This is why I'm guessing it's not just a fuse problem or simply just the blower motor.. someone please help
Jul 28, 2021 at 7:50 AM
Advertisement
Avatar
JACOBANDNICKOLAS
  • CERTIFIED EXPERT
  • 110,175 POSTS
Hi,

It sounds like you have a short to power. Did the fan continue to blow when the fuse was out? If it didn't, I have a feeling the short is at the blower motor control processor. The power from the fuse is right next to the wire which sends power to the blower motor.

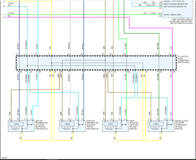
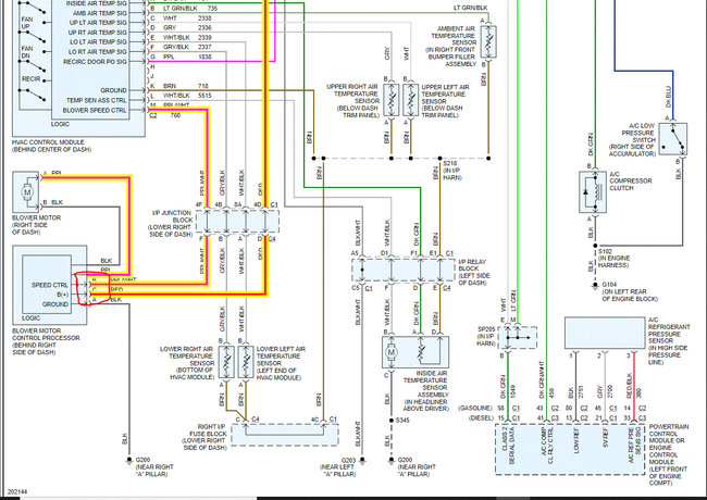
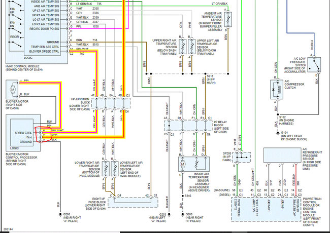
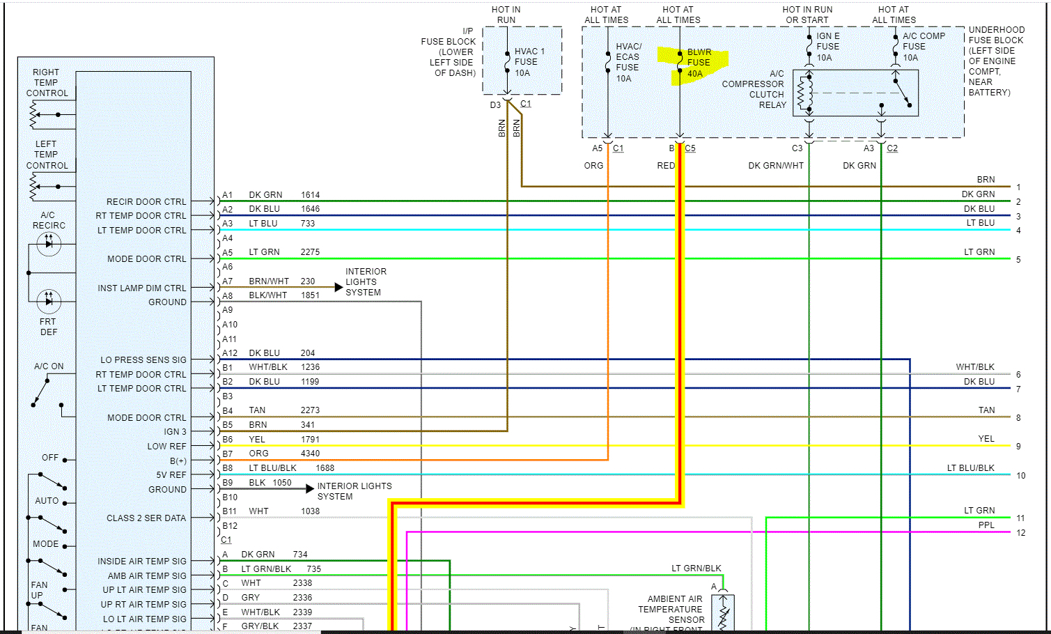
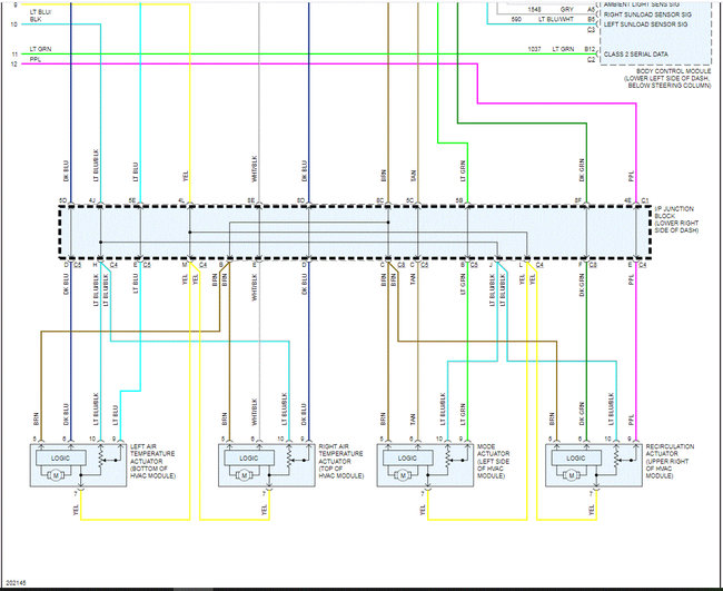
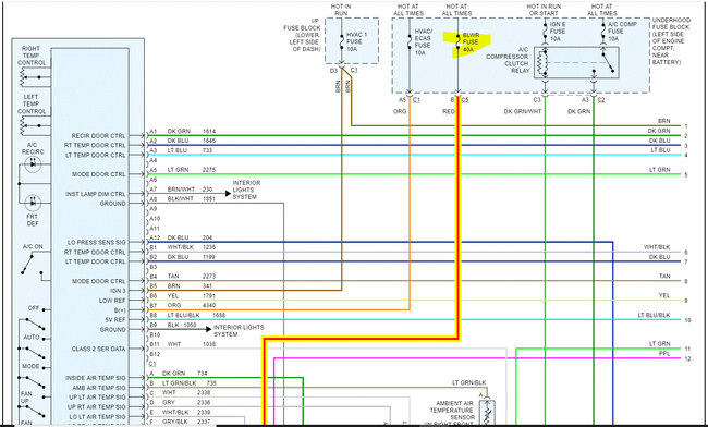
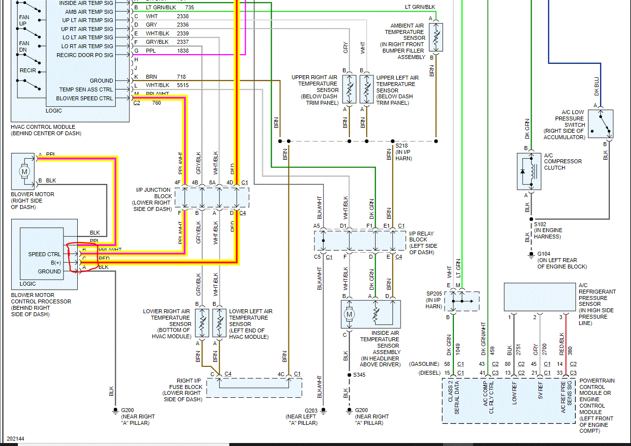
I attached the entire wiring schematic below for the system. I highlighted the wire from the fuse to the processor and then to the blower motor. The wire from the fuse will be red and the one to the blower motor is purple. I need you to disconnect the connector and check to see if the pins melted into each other. Also, check the wiring to the connector for a place they may have shorted.

Here is a link you may find helpful when checking:

https://www.2carpros.com/articles/how-to-check-wiring

Note: There are two pages of schematics. I had to cut each in half to make them readable for you. I did overlap them. Your focus should be on the first two pics.

Also, if there is no short, there is a good chance the processor is bad. I attached the directions for replacing it in the event you determine it's bad.

I hope this helps. Let me know what you find or if you have other questions.

Take care,

Joe

See pics below.

Also, I added the last pic to help you locate the component.

Jul 28, 2021 at 10:08 PM
Avatar
HBROWN38
  • MEMBER
  • 2 POSTS
Hello Joe, thanks for getting back to me. I will definitely give this re wiring a try first. Because In response to your question. Yes, my fans stopped turning also when removing the fuse. I've been driving my truck for 2 days now without the fuse connected, I just don't have the funds quite yet to get to a shop, but surely don't want be driving around 98° weather blowing out hot heat. But at same time my fans won't kit on to cool engine which will cause more damage later on. So hopefully I can fix this myself at home. With your help I'm sure it'll be possible. Thanks so much.
Jul 29, 2021 at 6:38 AM
Advertisement
Avatar
JACOBANDNICKOLAS
  • CERTIFIED EXPERT
  • 110,175 POSTS
Hi,

You are very welcome. Let me know what you find or if you have other questions.

Take care,

Joe
Jul 29, 2021 at 1:20 PM