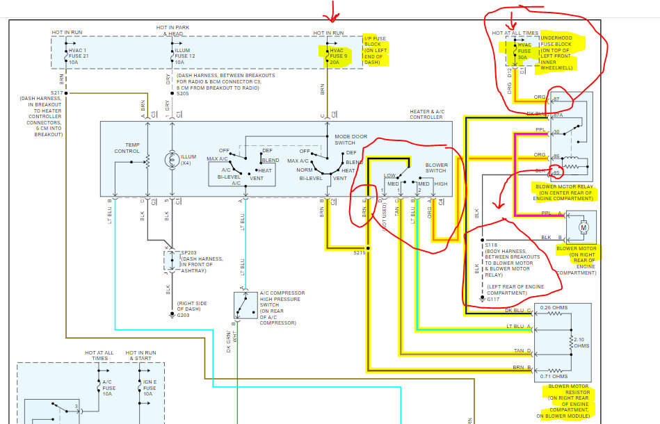
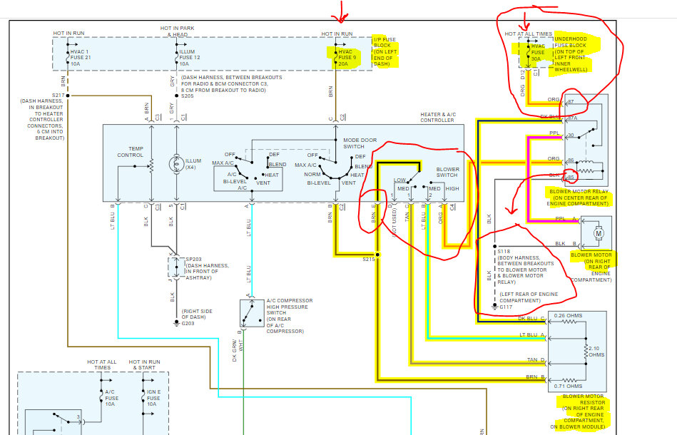
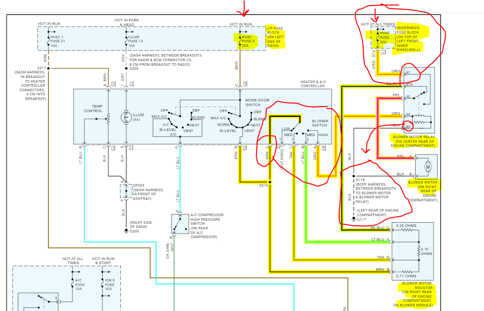
Since my blower motor is new and also the bm resistor, i am going to replace the blower motor relay, because when i looked at it under the hood, at the firewall, i seen that some of the wires are exposed and show the copper wiring. I got one from Auto Zone and the one is the same, except, the 6 wires are a heavy gauge (16 gauge) wires, compared to the one that is in the harness which looks much thinner, very thin. Is it okay to use the heavy gauge that can with the new Santech A/C part?? The Duralast part relay 19265. I just wanted to make sure that nothing goes wrong, because after i do the wiring splicing, I am going to use heat shrink on all the wire to protect, what do you think? I am open for all answers, and God bless for all the help to everyone. Hope to hear from you soon.
Jun 18, 2024 at 12:34 PM
