Blower motor problem

1999 OLDSMOBILE AURORA
219,000 MILES • V8 • 2WD • AUTOMATIC
Avatar
MCGARVEY29
  • MEMBER
  • 1 POST
Heater/AC blower fan not working at all. Checked fuses, seem okay to me. Can you help?
Jun 25, 2018 at 6:24 AM
Advertisement
Avatar
ASEMASTER6371
  • CERTIFIED EXPERT
  • 52,796 POSTS
Good morning.

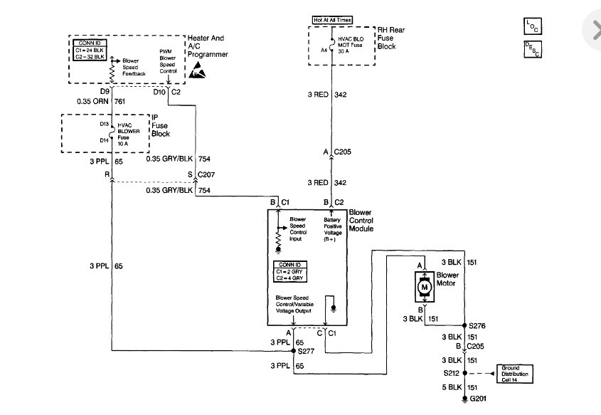
It could be a failed blower motor. You need to check for power to the motor. It is a very common failure.

Roy

https://www.2carpros.com/articles/low-or-no-air-flow-from-vents

Removal procedure:
1. Remove the right side sound insulator.
2. Disconnect the electrical connector from the blower motor.
3. Remove the cooling tube from the blower motor.
4. Remove the screws that attach the blower motor to the heater and A/C module assembly.
5. Remove the blower motor and the fan.
Jun 25, 2018 at 7:01 AM