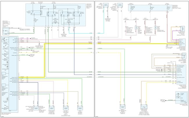
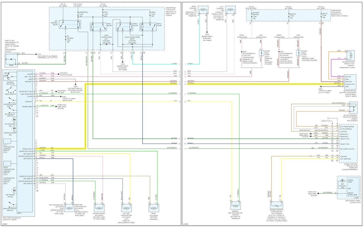
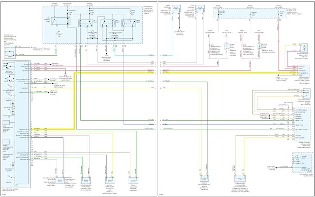
Your description sounds like a failed blower motor speed control. It takes the place of the old blower speed resistor. In the old version the resistor would drop the voltage to the blower to control the speed. The new units do something similar using pulse width modulation, in effect it turns the power on and off rapidly and changes the length of time for both the on and off times to control the blower speed. Attached is the wiring diagram for the blower in your vehicle. To test it easily you can use a simple test light. First find the blower speed control mounted next to the blower motor under the dash on the passenger side. You can unplug the wiring plug from the box, then take a test light and verify that you have battery power on the pin with the red wire. Then connect the test light to battery power and check for ground on the black wire. From your description it sounds like they both work, but the ground could be starting to fail as you say the module sometimes works when you turn off the lights however, I think it may only be the voltage spike from turning off the lights that triggers the module. So, the easiest method is probably to get another module and test using it.
Images (Click to enlarge)
Mar 31, 2022 at 10:15 PM