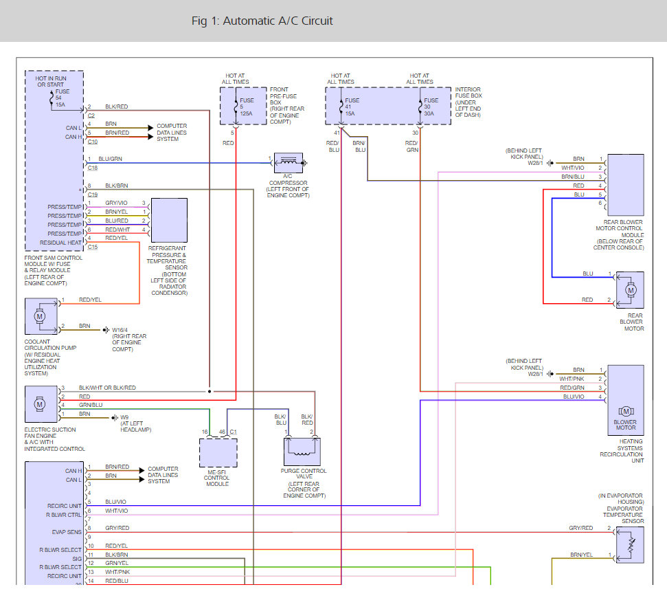
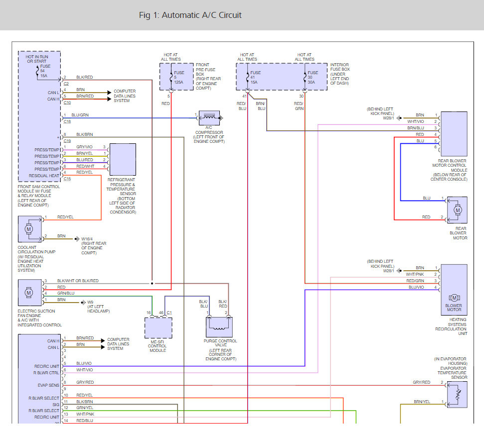
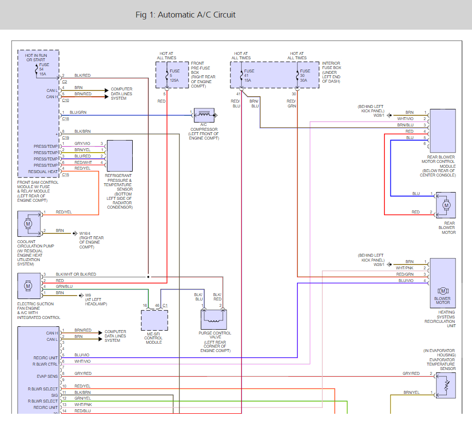
Hi, I am totally stumped on my car listed above it is a C32 AMG. It has the automatic climate control with dual zone function (digital display). Some time ago, the blower motor for the HVAC system in the dash came on full blast, and will not respond to any speed settings set in the dash unit. I have replaced the blower motor itself, and the resistor with three new units and nothing has resolved the issue; the fan still comes on full blast as soon as ignition position two is engaged. Pulling the fuse is the only way to get it to turn off. I have tried the sun sensor in the hood, and even a new HVAC head unit in the dash but still the blower will not reduce speed. Testing with a multi-meter at the connector it seems to be getting full voltage to the resistor regardless of the actual fan setting specified. Everything seems to point to the resistor but I have been through three units already even a new German brand one. Am I missing something or could I really have gotten three bad resistors? Thanks in advance.
Oct 12, 2017 at 3:26 PM










