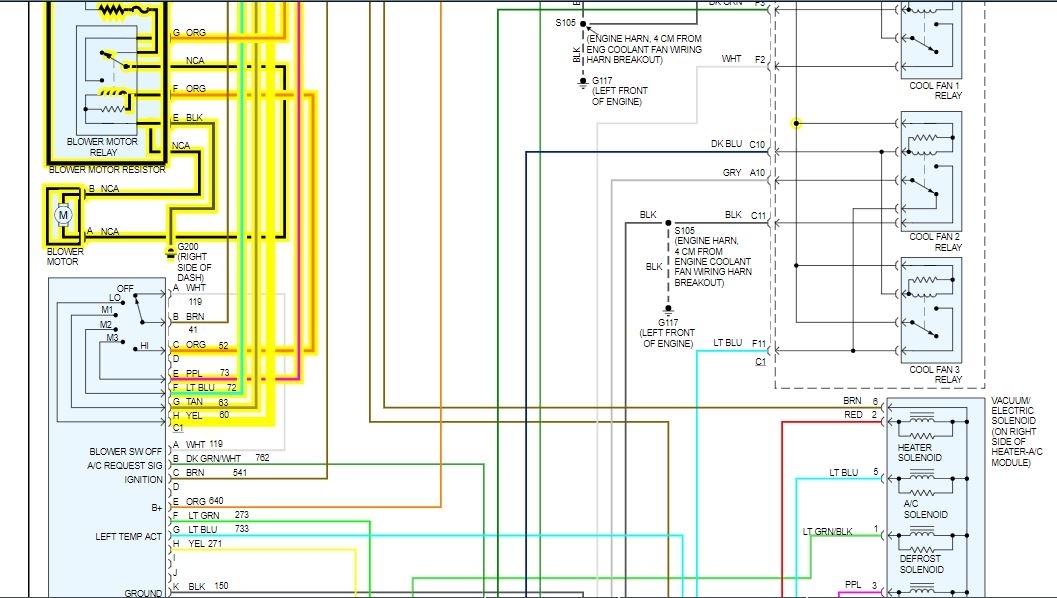
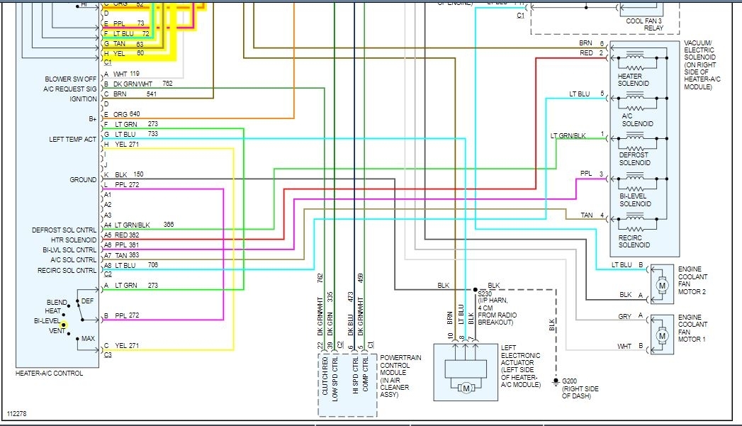
I replaced my blower motor and resistor back in January and for the past two months it would either not work at all or would sometimes only work on certain speed settings. There are times where it works perfectly fine but the main thing that concerned me the most was I did get a little bit of smoke coming out from under the dash. I took the glove box out and didn't find any burnt wires or connections so is it possible to have came from the blower motor itself? I did take it out too and there wasn't anything in there that could have been burning and I did take it apart and found a lot of copper shavings and it did smell like that's what was smoking. Will I need to replace it again and maybe the controls and how would I test the control settings to make sure they are working properly?
Oct 16, 2019 at 9:13 PM






