The interior blower fan is not working when you turn it on

2005 BUICK LESABRE
186,357 MILES • 2WD • AUTOMATIC
Avatar
MLOYD13
  • MEMBER
  • 1 POST
The interior fan is not working when you turn it on. I've checked the fuses and the blower motor. When I removed the blower motor and reattached it to the power supply it worked perfectly but when I place it back into the case it won't work. I've looked for obstructions but found nothing. How can I fix this?
Jul 2, 2019 at 2:37 PM
Advertisement
Avatar
JACOBANDNICKOLAS
  • CERTIFIED EXPERT
  • 110,175 POSTS
Welcome to 2CarPros.

It sounds like a bad connections in the wiring. If you turn it on while installed and move the wiring around to it, does it begin to work? Was the connector in good condition and none of the pins were pushed in? What I would recommend is to disconnect the connections at the fan motor and see if there is power to it. See if moving the wiring around to different positions cause power spikes or loss of power.

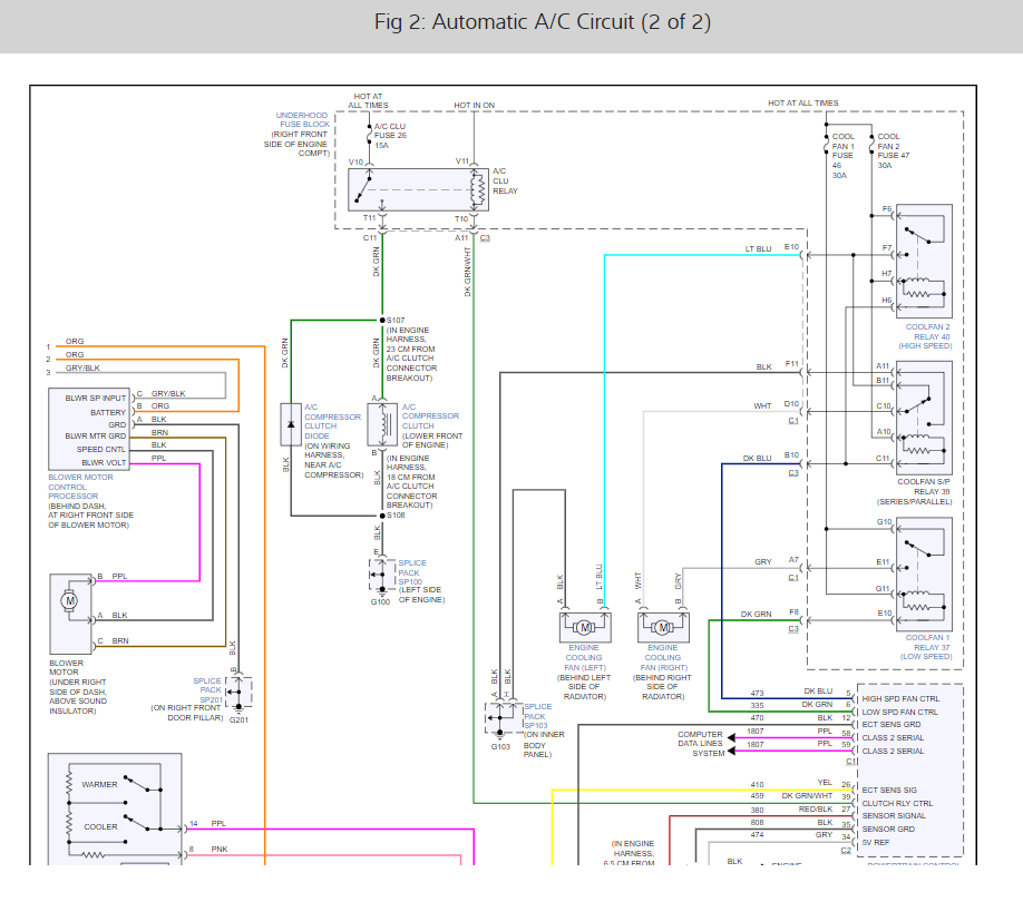
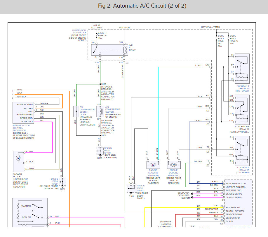
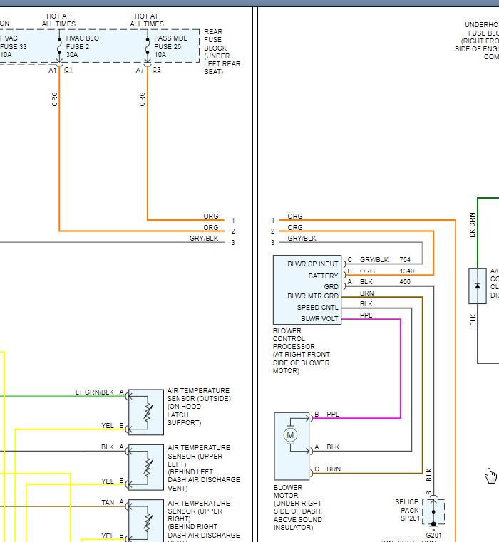
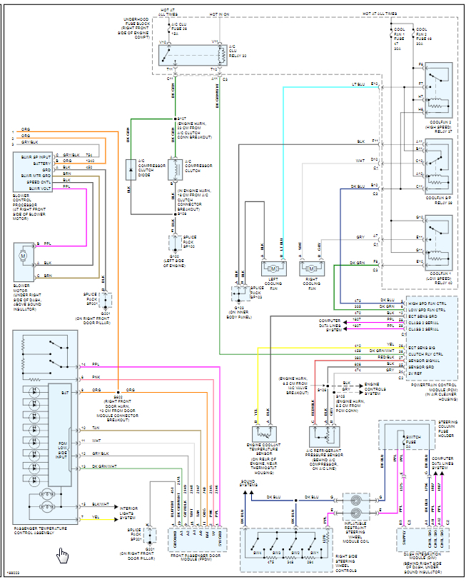
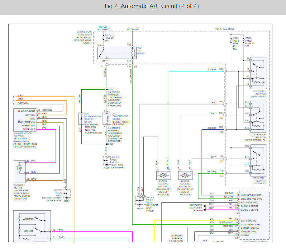
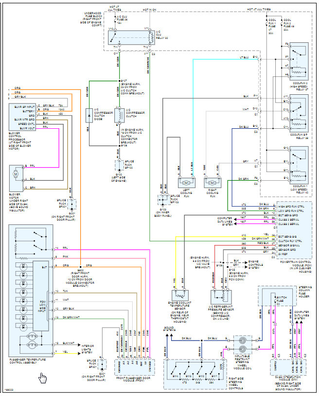
One other thing, if the blower motor only works on high, then suspect the blower motor resistor. I have included the blower motor wiring diagrams so you can see how the system works Let me know.

this guide can help us

https://www.2carpros.com/articles/blower-fan-motor-works-on-high-speed-only

If moving it does nothing, I need you to check for a good ground and power. I attached two pics below. Pic 1 is for manual climate control and pic 2 is for automatic. Check the pins shows (based on your system) for power and ground.

Here are a few links you may find helpful:

https://www.2carpros.com/articles/how-to-use-a-test-light-circuit-tester

Check out the diagrams (Below). Let us know what happens and please upload pictures or videos of the problem.
Jul 2, 2019 at 9:22 PM
Avatar
CECELIA TINKLE
  • MEMBER
  • 1 POST
Where are the fuses for the heater-fan located?
Mar 22, 2021 at 11:38 AM (Merged)
Advertisement
Avatar
HMAC300
  • CERTIFIED EXPERT
  • 48,601 POSTS
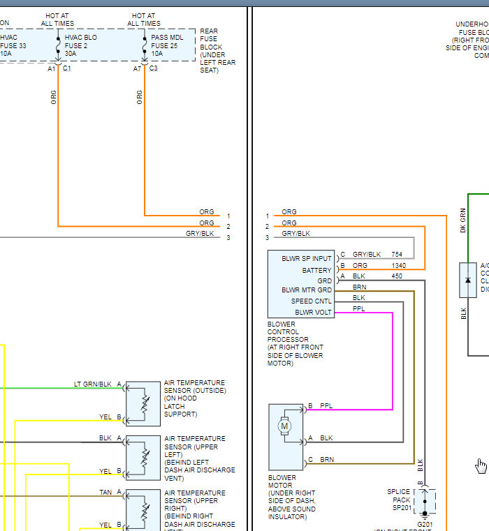
your heater blower fuse may be in the underhood electrical center. But there should be a relay as well for it so check that by jus t replacing it with another. if it works then get a good realy and replace it. if not, then have the car checked for a bad switch or resistor. Here is a guide to help you check the fuses with the fuse location is the diagrams below.

https://www.2carpros.com/articles/how-to-check-a-car-fuse

Check out the diagrams (Below). Please let us know what you find.
Mar 22, 2021 at 11:38 AM (Merged)
Avatar
WILLIE N
  • MEMBER
  • 1 POST
My Blower fan in my 2004 Buick LeSabre will not turn on. Have checked the fuse and that appears to be okay. Is there anything else I should check before I make the assumption the fan is bad and replace that?
Mar 22, 2021 at 11:39 AM (Merged)
Avatar
JDL
  • CERTIFIED EXPERT
  • 16,098 POSTS
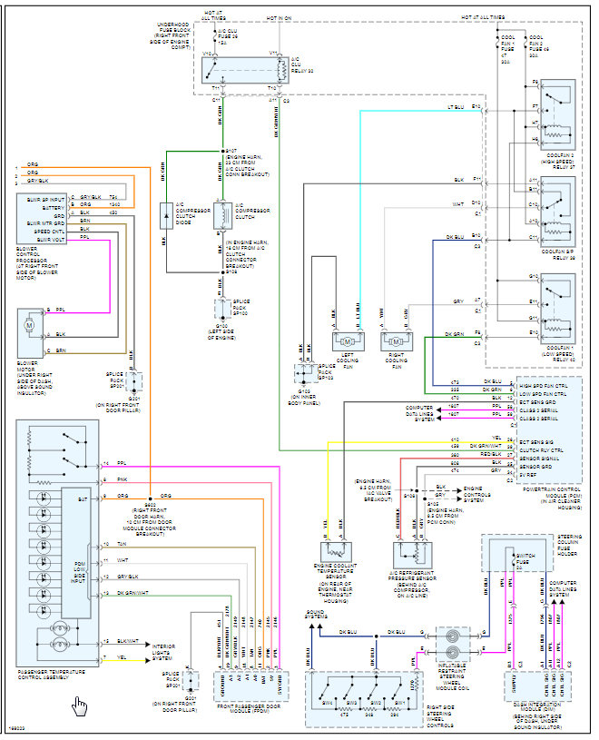
Check for voltage and ground at the blower motor wiring, if good voltage and ground with no blower action, suspect the blower motor.

Checking applicable fuses is good. Also, check for voltage at the fuse.

Here are the locations and a guide to help you test

https://www.2carpros.com/articles/how-to-check-a-car-fuse

All fuses and relays are below with the wiring diagrams to help you test

Please run this test and get back to us.

Cheers
Mar 22, 2021 at 11:39 AM (Merged)
Avatar
WILLIE N
  • MEMBER
  • 1 POST
Yep it was the blower motor I found this guide which helped

https://www.2carpros.com/articles/blower-fan-motor-works-on-high-speed-only

Once I replaced the blower motor everything is now working thanks for the diagrams.

Mar 22, 2021 at 11:39 AM (Merged)
Avatar
RROSS1050
  • MEMBER
  • 2 POSTS
The air conditioning fan stopped working one day when we turned it on - and then it would all of a sudden come on. Then when it was on, when we went over a bump, it would affect the fan running. Now it won't come on at all.

I live in Florida and i have to have the air working due to asthma for most of the year if it even gets a little warm. I would appreciate any assistance you can give me.

Thank you.
Mar 22, 2021 at 11:41 AM (Merged)
Avatar
SATURNTECH9
  • CERTIFIED EXPERT
  • 30,869 POSTS
It sound's like you could have a bad blower motor or loose connection.On the passenger side under the dash remove the hush panel that cover's the a/c box.Then put the fan on high when the fan doesn't work try wiggling the connector around that goes to the blower motor see if the fan come's on.
Mar 22, 2021 at 11:41 AM (Merged)
Avatar
RROSS1050
  • MEMBER
  • 2 POSTS
Thank you! I was thinking it was possibly a loose connection. I will definitely check it out when I get home. I was going to mention that we had just had the car serviced a few weeks ago, and they told us we didn't have a filter for the A/C and did we want one. We weren't aware there wasn't one! So they put a new one in. I was wondering if that didn't have something to do with it cause i read online that sometimes the fan will quit if the filter needs to be replaced.

Thank you again - you ROCK!
Roberta in Tampa, Florida

PS: I will defiinitely give a donation!
Mar 22, 2021 at 11:41 AM (Merged)
Avatar
SATURNTECH9
  • CERTIFIED EXPERT
  • 30,869 POSTS
If the filter get's restricted it will block the air flow of the fan but won't keep the motor from spinning.
Mar 22, 2021 at 11:41 AM (Merged)
Avatar
SMILEEZ4CONNIE
  • MEMBER
  • 3 POSTS
Car listed above is the Limited model. air wouldn't come on all the time so I would have to tap blower motor to make it start, but that stopped working. so replaced blower motor and air worked fine for a few weeks and then stopped randomly while I was driving and will not come on anymore! A friend checked and said it is getting power but that's all I know....
Mar 22, 2021 at 11:41 AM (Merged)
Avatar
KASEKENNY
  • CERTIFIED EXPERT
  • 18,907 POSTS
Unfortunately, it sounds like the new blower motor has failed. If there is power to the motor and it doesn't work then the motor has failed. However, we are going to need to confirm where there is power on the motor and where there is not. There should be power on the purple wire when it is turned on and then there should be varying voltage on the black wire depending on the speed you have it set on. The brown wire is the ground wire.

Let us know what the voltage is on each wire and we can go from there. Thanks
Mar 22, 2021 at 11:41 AM (Merged)
Avatar
SMILEEZ4CONNIE
  • MEMBER
  • 3 POSTS
I asked the person that checked if it had power and I will quote his answer "the constant power was 8 volts when it was on high and the varying voltage jumped around".
Mar 22, 2021 at 11:41 AM (Merged)
Avatar
KASEKENNY
  • CERTIFIED EXPERT
  • 18,907 POSTS
Okay. Any chance they told you which wire this was? If there is 8 volts on the control wire and the blower still does not come on at all, the I suspect the blower motor is faulty. Let me know if they remember which wire this was and we can try to confirm the motor is the issue. Thanks
Mar 22, 2021 at 11:41 AM (Merged)
Avatar
MIKED-WYD
  • MEMBER
  • 4 POSTS
My moms car heat and a/c stopped blowing out any kind of air!We don't have alot of money so don't want to spend alot of money on buying parts do not need.I didn't know if has a resistor like my dodge dakota did when I fixed it!Please help and thank you!
Mar 22, 2021 at 11:42 AM (Merged)
Avatar
RASMATAZ
  • CERTIFIED EXPERT
  • 75,992 POSTS
If you don't hear the blower come On-wire it direct from the battery-see below and check and test all the components within, 1-4 items. One of this is causing the problem


https://www.2carpros.com/forum/automotive_pictures/12900_blower_motor_4.jpg

Mar 22, 2021 at 11:42 AM (Merged)
Avatar
DAN COX2
  • MEMBER
  • 2 POSTS
Why the heater not chime on? the digital read out works but no heat.
Mar 22, 2021 at 11:43 AM (Merged)
Avatar
HARRY P
  • CERTIFIED EXPERT
  • 2,292 POSTS
I would start with checking he fuses. Here is the fuse box information for the rear fuse box. Prodemand is not real specific on where it is, so you might have to look in your owner's manual for more specifics. I would check every HVAC related fuse.
Mar 22, 2021 at 11:43 AM (Merged)
Avatar
PATENTED_REPAIR_PRO
  • CERTIFIED EXPERT
  • 1,853 POSTS
The rear fuse block is under the left rear seat.
Mar 22, 2021 at 11:43 AM (Merged)
Avatar
WOLF6300
  • MEMBER
  • 1 POST
What size heater blower fuse is used for this car. The fan was working and not the heater blower, now the fan is not coming on.
Mar 22, 2021 at 11:43 AM (Merged)
Avatar
JACOBANDNICKOLAS
  • CERTIFIED EXPERT
  • 110,175 POSTS
I hat to say it, but I'm not 100% sure. My manual shows a 20amp in one place and a 30amp in another. I would try the 20. If it's too small, the worst thing that can happen is it will blow.
Mar 22, 2021 at 11:43 AM (Merged)
Avatar
DESMONE DAVIS
  • MEMBER
  • 1 POST
I change the blower and it still does the same thing. It turns on but cuts right off. I am wondering if the blower motor resistor could be bad.
Mar 22, 2021 at 11:43 AM (Merged)
Avatar
STEVE W.
  • CERTIFIED EXPERT
  • 15,113 POSTS
The blower motor is a simple single speed motor controlled by a PWM signal with a feedback line. The blower speed controller is not just a resistor pack in that car it is a pulse width control. In operation it pulses on/off to control the blower speed. The longer it is on the faster the blower turns. A common issue with them is the ground wire getting corroded so they do not have a proper reference to ground and the motor uses the same ground so they will stop working, and bad solder joints inside the module itself.
Mar 22, 2021 at 11:43 AM (Merged)
Avatar
NSCHAIBERGER1
  • MEMBER
  • 1 POST
My blower for a/c and heat does not work. Where do I start?
Mar 22, 2021 at 11:44 AM (Merged)
Avatar
JOHNYELLE
  • MEMBER
  • 7 POSTS
Try replacing the motor first. (plenty available at the junk yards) While it's out check to see if it's good by hot wiring it to the battery. If it is perhaps, your blower module is bad which is an expensive part. Hopefully it's bad and that's all you need to replace.

This guide can help us test it

https://www.2carpros.com/articles/blower-fan-motor-works-on-high-speed-only

Please run down this guide and report back.
Mar 22, 2021 at 11:44 AM (Merged)
Avatar
DANNY874
  • MEMBER
  • 3 POSTS
My air conditioner works just fine, my heat does not blow at all! what is the problem? how do i figure out what is the issue?

thanks
Mar 22, 2021 at 11:56 AM (Merged)
Avatar
HMAC300
  • CERTIFIED EXPERT
  • 48,601 POSTS
check the fuse and relay in underhood fuse box first if blower works when a/c is on then it may be a control problem which will require scanning for codes by a mechanic. you might try checking for a vacuum leak as a motor may not be opening a door for heat.
Mar 22, 2021 at 11:56 AM (Merged)
Avatar
DANNY874
  • MEMBER
  • 3 POSTS
where is the vacuum located?
Mar 22, 2021 at 11:56 AM (Merged)
Avatar
HMAC300
  • CERTIFIED EXPERT
  • 48,601 POSTS
there should be vacuum lines all under the dash you'll have to check each one for being off the motor or leaking.it starts at engine and works it 's way back
Mar 22, 2021 at 11:56 AM (Merged)
Avatar
HMAC300
  • CERTIFIED EXPERT
  • 48,601 POSTS
here is a diagram motors will either be on pass or driver's sides.
Mar 22, 2021 at 11:56 AM (Merged)
Avatar
JAMES L DOWNEY
  • MEMBER
  • 1 POST
The inside interior fan does not work when turned on.
Mar 22, 2021 at 11:57 AM (Merged)
Avatar
ASEMASTER6371
  • CERTIFIED EXPERT
  • 52,796 POSTS
Good morning,

It could be a bad fuse, failed blower resistor or blower motor.

Do you have a voltmeter to do some checks?

Roy
Mar 22, 2021 at 11:57 AM (Merged)
Avatar
BILL49
  • MEMBER
  • 2 POSTS
blower motor will not work.i hook up a direct 12v. to it and it runs.i check relays and they click,fuse's are ok.i took out the blower resister and it shows no signs of excessive heat.i put it back together and the blower work for a short time on med. speed and stop all together,this is a auto temp control unit. its getting no power to the blower motor,what can it be? thanks
Mar 22, 2021 at 11:58 AM (Merged)
Avatar
RASMATAZ
  • CERTIFIED EXPERT
  • 75,992 POSTS
Your probable causes here could be the blower motor control module at center rear of engine compartment or the Heater/AC programmer behind right side of instrument panel
Mar 22, 2021 at 11:58 AM (Merged)
Avatar
BILL49
  • MEMBER
  • 2 POSTS
Is this what you call a blower motor control module? It was the problem


https://www.2carpros.com/forum/automotive_pictures/531871_getimagephp_1.jpg

Mar 22, 2021 at 11:58 AM (Merged)
Avatar
KO31509
  • MEMBER
  • 1 POST
when driving the heater turns on then shut off and comes back on all on its own
Mar 22, 2021 at 11:58 AM (Merged)
Avatar
JACOBANDNICKOLAS
  • CERTIFIED EXPERT
  • 110,175 POSTS
It could be many things. Start by checking the blower motor itself. When it isn't working, see if there is power to it. If there is and it isn't working, chances are the motor is going bad. Also, check for bad grounds. Finally, you may need to have the head unit itself checked. Since it has an automatic climate control, it works like a computer and can go bad. You could check to see if there are trouble codes stored in the computer that may identify the problem.
Mar 22, 2021 at 11:58 AM (Merged)
Avatar
BROTHERJIMINTN
  • MEMBER
  • 1 POST
Im trying to help a struggling single mom with her car. It has the manual heat and a/c controls. At first her blower motor would stop for a few days, then come back on. She said it came on at times when she'd hit a bad bump. I've read of a worn motor working intermittently like that, but I checked at the connector and there's just no power going to the motor. A couple times I replaced both relays, each at different times (one is for the high speed and the other in general), and both times it made the blower work, but eventually it would stop again. This is over the past year. Replaced the resistor too cuz I didn't know how to test it. A week ago now her radio also went out. (And perhaps unrelated but she's has an intermittent starting problem cuz of the passkey/security light thing.) I'm wondering if the ignition switch could be bad, seeing as how its normal function is to momentarily turn off the radio and blower and such when turning the key (the key switch itself was replaced a couple years ago when it wouldn't start due to those two thin white wires running to the anti-theft setup). Please help. It's hot here in the South and single moms have such a heavy burden as it is.
Mar 22, 2021 at 11:59 AM (Merged)
Avatar
HMAC300
  • CERTIFIED EXPERT
  • 48,601 POSTS
this kind of sounds lieka ground problem like one that is loose. the ground to this is on the right front of engine compartment for teh blower and the left kick panel for the control unit. check both of those. the ground for the radio is on the left kick panel as well so check that one first.
Mar 22, 2021 at 11:59 AM (Merged)