This is one of the many problems with GM cars, down with GM with its car problems typical to cavalier.
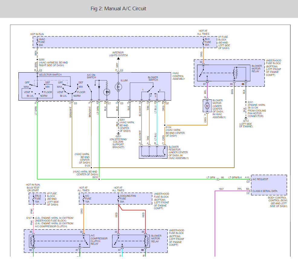
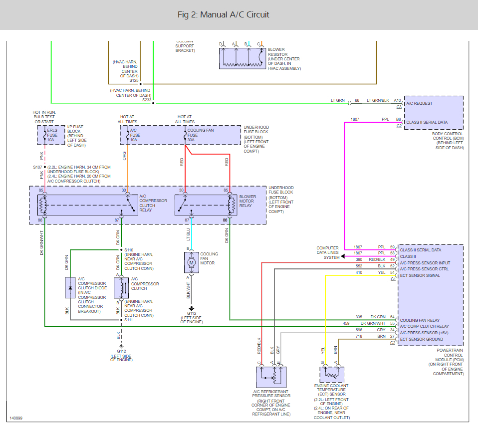
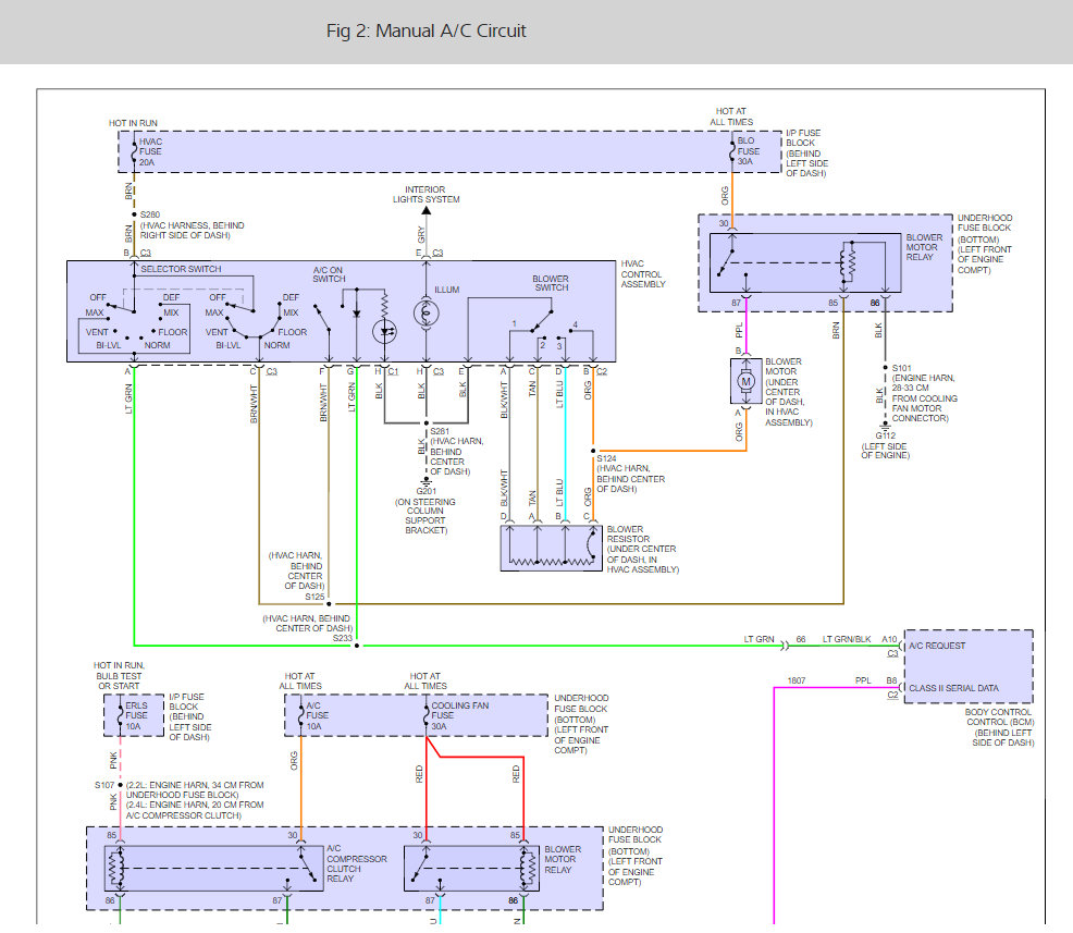
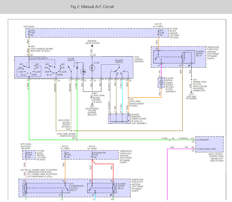
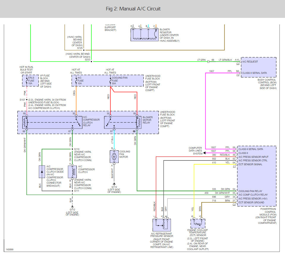
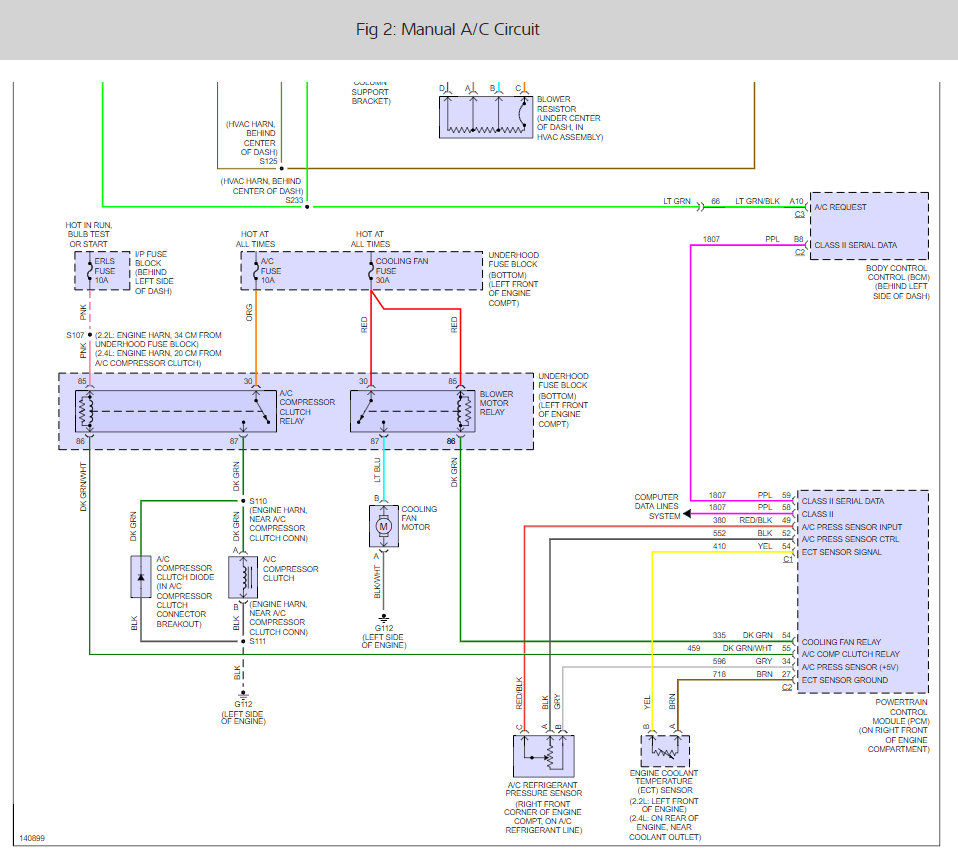
if the motor works at max speed, then it is not the motor itself, it is, and i was told that there is a small piece of PCB hidden inside the console right next to the motor. and i learnt and removed it from the harness, replaced it by hi-wattage wire-wound resisters, and yet, they blown three times on all gangs (speeds) and finally all the speed selector contacts. 'cause the motor draws a lot of electricity current, and the design is bad! While hi-wattage wire-wound resistors cannot stand it, imagine how come the flimsy wires and printed foils on PCB can?
it is a badly car built with bad components!
Oct 4, 2017 at 12:44 PM
(Merged)