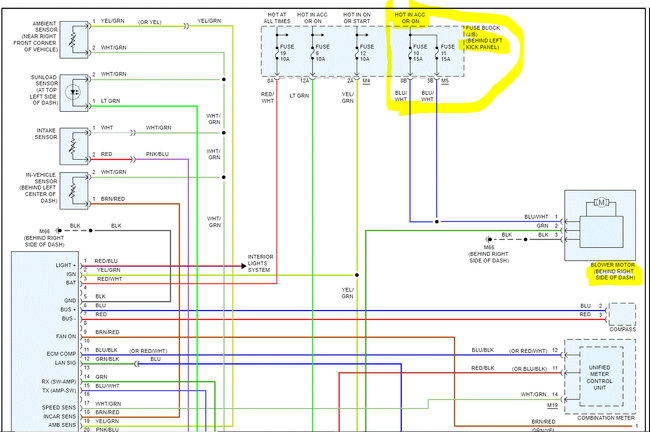
This vehicle was parked over an extended period, but before parking it, the AC was working fine. Now the vehicle owner wants to start using the vehicle back, when he turns on AC and notice that blower was not working and he drove to my workshop and I used factory diagram to trace power and signal from A/C amplifier and also ground, it passed test, I diagnosed the A/C system, and it didn't report fault code. At this point I suspect that the A/C system is automatic not manual A/C that the blower turns on with ignition on, but automatic A/C hence there's no refrigerant in the system to pressurize and send signal to A/C Pressure sensor to turn the blower on, the blower will not work. Or is there anything else?
Jun 28, 2022 at 10:00 AM


