Good morning.
The first thing I would do is to check the connector on the blower motor itself to see if it is loose or if the connector has burned or damaged pins. Loose connections can cause this issue.
The other thing is the blower resistor. It is a common problem for shorting to power not allowing the blower to work or it may work very infrequently.
If you have a voltmeter or test light we can walk you through some testing.
Roy
BLOWER MOTOR RESISTOR REPLACEMENT
REMOVAL PROCEDURE
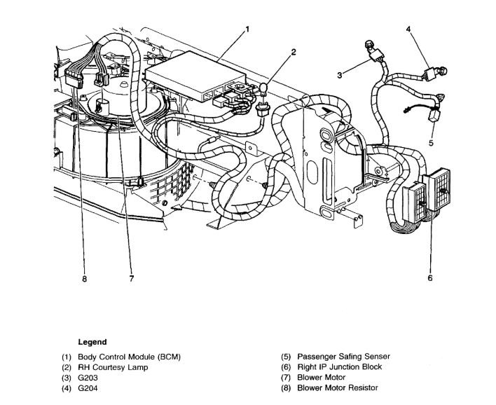
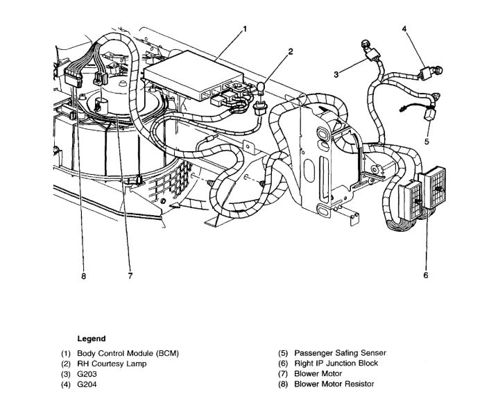
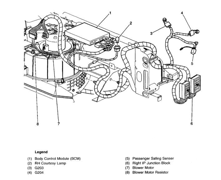
The blower motor resistor is located in the lower right hand corner of the HVAC module. This resistor is located between the blower motor and the front of the dash.
For information on system Wiring refer to HVAC Blower Controls System Check. See: Heating and Air Conditioning > Testing and Inspection
CAUTION: Refer to Battery Disconnect Caution in Service Precautions.
1. Disconnect the negative battery cable.
2. Remove the right sound insulator.
3. Disconnect the electrical connection at the blower resistor.
4. Remove the blower resistor screws.
5. Remove the blower motor resistor.
blower motor
BLOWER MOTOR AND FAN REPLACEMENT
REMOVAL PROCEDURE
The blower motor and fan are located in the lower right hand corner of the HVAC module. Service this component as an assembly only.
For blower motor electrical diagnosis. Refer to HVAC Blower Controls System Check. See: Heating and Air Conditioning > Testing and Inspection
CAUTION: Refer to Battery Disconnect Caution in Service Precautions.
1. Disconnect the negative battery cable.
2. Remove the right closeout panel insulator.
3. Move the Body Control Module (BCM) aside.
4. Disconnect the electrical connections at the blower motor.
5. Remove the blower motor retaining screws.
6. Remove the blower motor and tan assembly.
Jun 1, 2018 at 4:45 AM