Blower motor not working after charging A/C

1995 FORD RANGER
100,000 MILES • 2.5L • 4 CYL • 2WD • AUTOMATIC
Avatar
MARVIN PACK
  • MEMBER
  • 1 POST
The blower motor was running while my shop was charging the A/C and when completed, shut it off, cleaned up everything and started it and the blower motor will not run. The A/C compressor is okay.
Jan 22, 2019 at 4:56 PM
Advertisement
Avatar
STRAILER
  • CERTIFIED EXPERT
  • 53,854 POSTS
Hello,

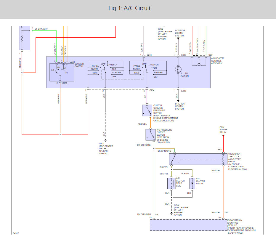
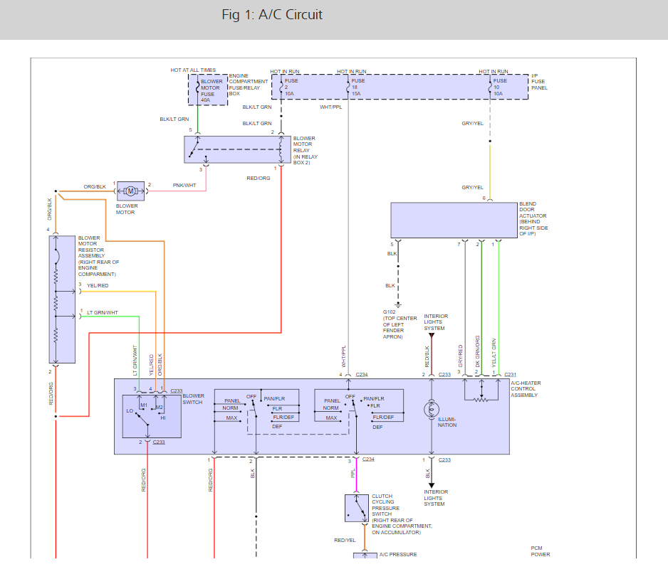
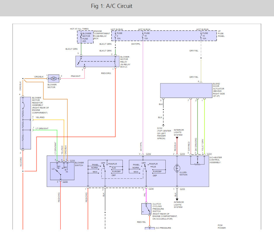
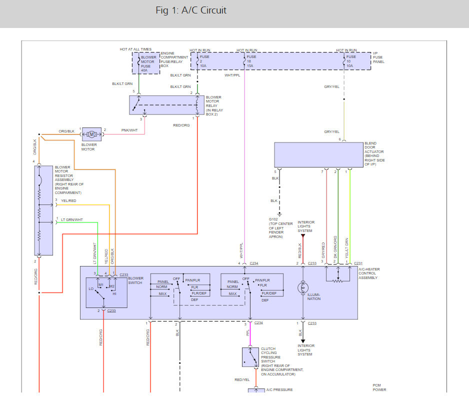
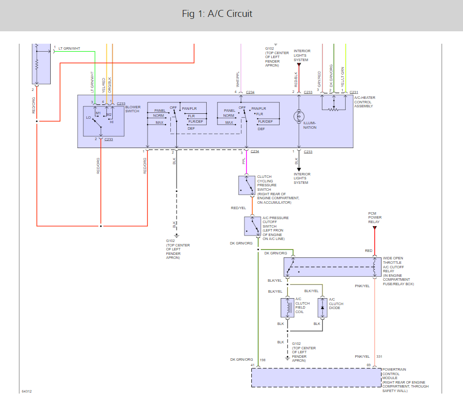
It sounds like the blower motor might have gone out here is a guide to help you confirm the failure and the wiring diagrams so you can see how the system works below.

https://www.2carpros.com/articles/blower-fan-motor-works-on-high-speed-only

Check out the diagrams (Below). Please let us know what you find. We are interested to see what it is.
Mar 30, 2021 at 1:55 PM