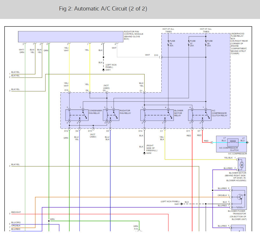
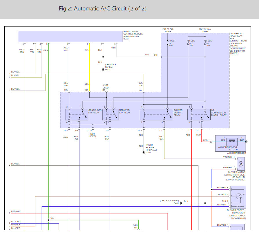
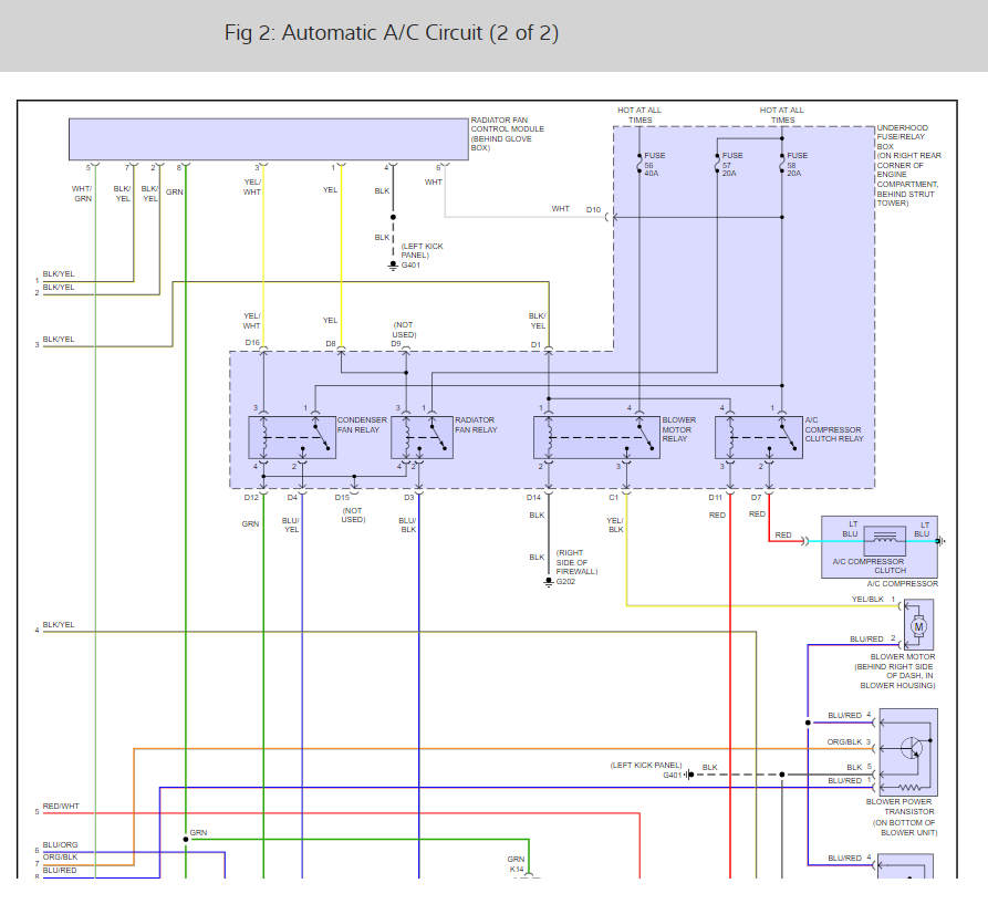
Car stopped blowing air. I replaced the blower motor and resistor. still nothing. then I pulled the climate control and swapped it. I also swapped relays and checked fuses. i did find on driver side the bottom part of brake light wasn't getting power. maybe electrical problem not sure.
Jan 16, 2019 at 1:11 PM










