Blower motor runs from 5-20 minutes and then it will stop?

2011 CHEVROLET EXPRESS
150,000 MILES • 4.8L • V8 • 2WD • AUTOMATIC
Avatar
JEFF HERMAN
  • MEMBER
  • 486 POSTS
Blower will run on all speeds for anywhere from 5-20 minutes and then it will stop. Replaced blower motor resistor and it remains the same. Power to the resistor but not out from the resistor to the fan motor. Running direct current with a toggle switch temporarily. Next step is to examine the connection and connector to the fan switch in the dash. Would you agree with this and is there a way to test it. I'm hoping I see an overheated partially melted connector. If not, the switch I'm assuming it's a wiring issue. Could the new resistor be bad and can it be tested?
Jan 14, 2025 at 2:44 PM
Advertisement
Avatar
CARADIODOC
  • CERTIFIED EXPERT
  • 34,306 POSTS
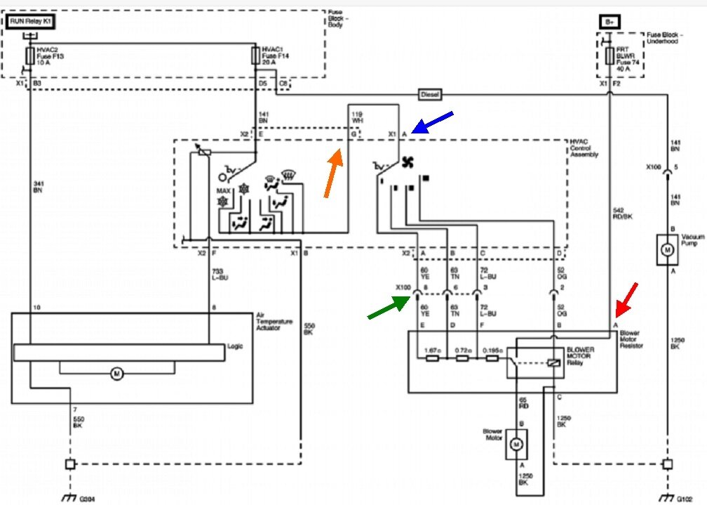
The problem with suspecting the resistor assembly is it is fed from two different 12-volt supplies. One is only for the highest speed and one is for all the others. If the fan stops working on all speeds at the same time, we have to look for what both circuits have in common.

I have a suspicion the 12 volts you found feeding the resistor is the red wire, (red arrow in my diagram). That circuit doesn't go anywhere until the highest speed is switched on, then current flows through the relay directly to the fan motor. That relay is turned on by the speed switch, just like it feeds the resistors for the lower speeds.

It's important to understand when taking voltages readings in this type of circuit, they are only valid when taken with everything plugged in and connected. There are times it is necessary to unplug things, but we need to know what to expect for voltage readings then. What can be helpful is to use an old-style test light with an incandescent bulb instead of a digital voltmeter. Test lights require current flow to give their indications. Voltmeters can falsely show a voltage in a circuit that is actually dead.

Since you already have gained access to the resistor, lets start there. Verify it's that red wire where you found 12 volts. If it is, that one can be disregarded. It's the three by the green arrow we're interested in. Switch the speed switch to any of the lower three speeds. As long as that three-wire connector, X100, is plugged in, you should find some voltage on all three wires. They're yellow, tan, and light blue wires. The voltage comes in on the wire that's switched on, and feeds through different parts of the resistor, then shows up on the other two wires. We don't care if the voltages are a little different, just whether they're there or not. If you do find voltage there, you should have it on one motor wire too. If it's there, the motor has to have a bad ground connection. That isn't likely because you said there is no voltage to the motor.

Given that observation, I'm guessing the voltage you did find was on that red wire. We need to have it on the white wire feeding the speed switch. Going back to the three wires by my green arrow, if you do not have voltage there when any of the three lower speeds are switched on, look for that white wire on the speed switch first. Leave it plugged in, then back-probe into the back of the terminal if possible, or right on the switch's terminal. If you have voltage there, suspect burned switch contacts. I'm betting by this time you're going to find a badly overheated connector terminal on one end of that white wire.

If you do find a burned terminal, the only proper repair is to replace the terminal, the wire, and the switch. Either an overheated switch or terminal will create heat that migrates into the other part, degrading the contact or strength of the terminal. The part not replaced will begin to generate heat and cause a repeat failure. The excessive heat will also migrate into the wire and cause it to become stiff. Solder won't adhere to that, and crimp-type terminals won't make a good connection. Usually about four inches of wire must be cut off, then a new section of the same gauge spliced in. For terminals, you might find what you need in a pick-your-own parts salvage yard, otherwise, I cut out any melted section of a connector body, plug it in that way, then I use a universal crimp-type terminal on the new piece of wire and plug that in separately. For the new piece of wire, solder the splice, then seal it with heat-shrink tubing. Don't use electrical tape as it will unravel into a gooey mess on a hot day. I also solder the crimped-on terminal for best connection.

Let me know how far this gets you.
Jan 14, 2025 at 4:55 PM
Avatar
JEFF HERMAN
  • MEMBER
  • 486 POSTS
I was using a test light, and it was the thick red wire that lit up. I assumed that it was battery feed to the resistor. There was no power to the orange wire to the motor and the ground tested good. I may be able to do more testing tomorrow, otherwise it would be this weekend. Checking the white wire and the connector at the switch is next.
Jan 14, 2025 at 6:22 PM
Advertisement
Avatar
CARADIODOC
  • CERTIFIED EXPERT
  • 34,306 POSTS
With no voltage to the motor, we know that's no good and it's unlikely the ground is causing a second problem, but regardless, I assume you checked the motor's ground with an ohm meter. That's not the best choice here. It only shows the ground wire isn't totally broken or corroded off. All you need is one strand of wire still intact to get a 0-ohm reading, but that won't pass the amount of current the motor draws. What will show up is the result of those broken strands if you had 12 volts getting to the motor. With a poor ground circuit, you'd find some voltage on the black ground wire, which is not acceptable.

In looking at the diagram, 12 volts feeding the motor circuit will go away when the mode switch is in the "off" position. Remember that for a clue that you found the right wire for next time in case you need to diagnose this system again in the future. This circuit is actually fairly common for GM vehicles going as far back as the 1970s. Unfortunately, burned switch contacts and connector terminals are also pretty common on all models, not just GM products.

I'm here around this time every night. Take your time, then let me know what you find.
Jan 14, 2025 at 6:59 PM
Avatar
JEFF HERMAN
  • MEMBER
  • 486 POSTS
I checked the ground wire by connecting my test light to the positive battery terminal and then probing the ground wire. The test lamp lit so I'm assuming the ground is good.
Jan 15, 2025 at 10:06 PM
Avatar
CARADIODOC
  • CERTIFIED EXPERT
  • 34,306 POSTS
The test light is the better choice because it requires the circuit to be able to pass current, but they still only need to pass a very small amount of current.

Once the circuit is working, that is the time a voltmeter is useful in ground circuits. With a corroded ground connection or broken wire strands, the motor's high current will cause a significant "voltage drop" across the poor connection. By the time this becomes a problem, the earlier clue is usually going to be the fan motor runs a little slow.

The other place the voltmeter is better suited is in sensor ground circuits for computers. I have to defer here to my training from Chrysler, but they do a real lot the same as GM. Specifically, the Engine Computer will typically have four separate ground wires. One is for sensors and one is for high-current circuits like ignition coils and injectors. With those circuits that get switched on and off, they result in pulses of tiny voltage drops on their "power" ground wires which are completely insignificant to proper operation, except for sensor circuits. A couple of hundredths of volt drop on the ground wire translates into the sensor readings, and that tiny voltage means a real lot to the computer. For that reason, sensors have their own ground wire that is not subject to tiny voltage pulses when coils, injectors, and solenoids switch on and off.

The power ground and the sensor ground commonly each have a second one for redundancy, thus, four ground wires. On the power ground wires, naturally we'd want to see 0.0 volts, but it is kind of accepted that 0.2 volts is okay. There's a lot of current flow through them, so it doesn't take much resistance to develop that voltage. Sensor grounds are different. Current flow is going to be extremely low, so any measurable voltage means there's significant unacceptable resistance. While rare, that can cause some strange running symptoms that defy diagnosis.

While I'm at it, I should mention that engine sensors' ground circuits go to ground through the Engine Computer so that line can be monitored. Because of that monitoring circuitry, you'll find very close to 0.2 volts on those ground wires, but that's on the sensor side of the computer, not on the ground side. To say that with a little more clarity, expect to find 0.2 volts on the ground terminals at each sensor's connector. To prevent skewing the readings, the ground voltage must remain constant for sensors that measure temperature, position, (throttle position sensor), pressure, (MAP), or volume, (MAF). Grounds are less important for sensors that develop timing pulses, (crankshaft and camshaft position sensors). Their importance is exactly when the pulse occurs and whether it's going from "low" to "high" or from "high" to "low". Those are rise-time and fall-time, and are only important to the software. The exact voltages have little importance.

I apologize for getting off topic. We're concerned with the fan circuit, so let me know when you need more of my wondrous help.
Jan 15, 2025 at 11:10 PM