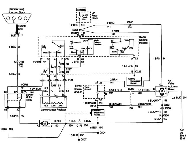
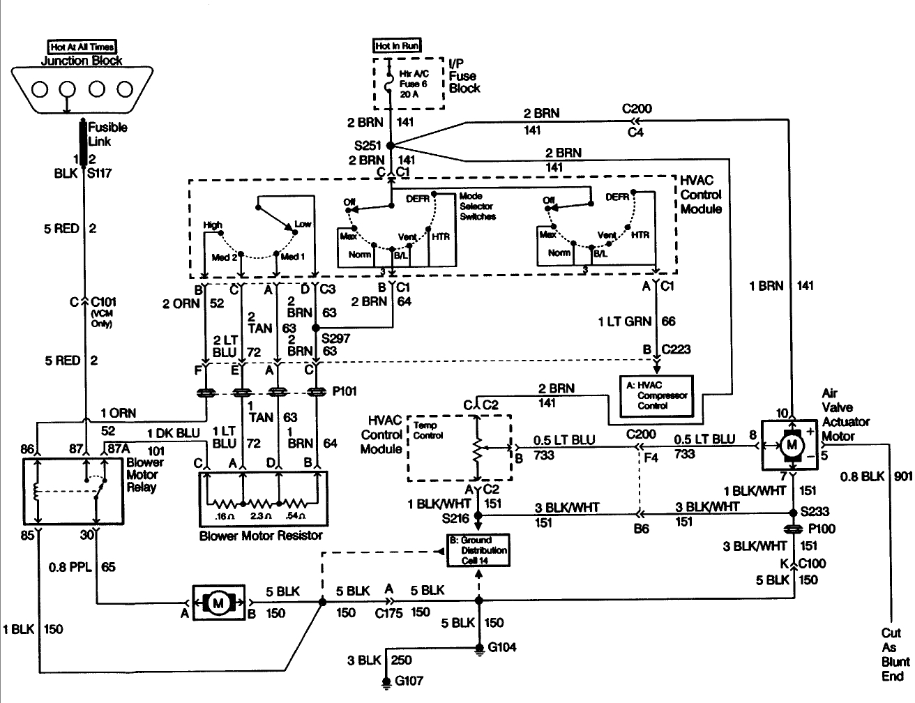
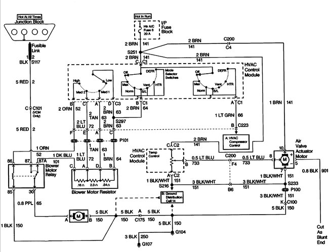
Replaced the blower motor and it had been fine until yesterday. it stopped working on high speed but the other speeds are fine. I replaced the resister and fan control switch with no change.
Jul 14, 2017 at 9:43 AM
