Hi,
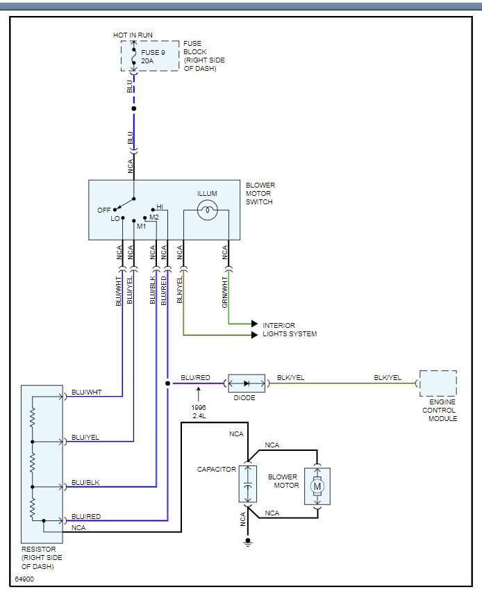
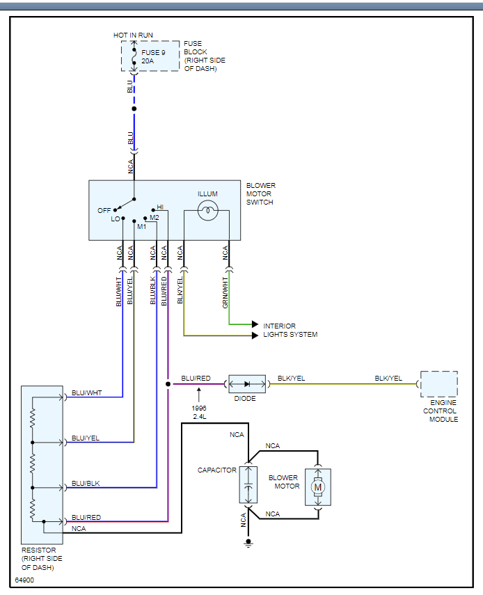
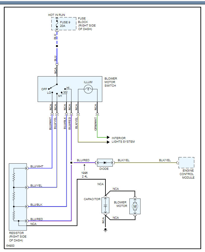
It can be in one of two places. First, check under the dash below where the blower motor sits. All you will see is a white plug and two screws that hold it in place.
If it isn't there, check under the hood on the firewall. There isn't anything listed in the manuals, but when I think back, the Dodge Ram 50 was the same truck. We didn't have the ram 50 in 1994, but I know up to at least 1988, they were mounted under the hood on the firewall. . I did find a pic for a 1990 Ram 50 showing it under the dash. I attached a pic. This, for your vehicle, a 1994, is the most likely location.
When looking, it has to be airflow of the blower motor to cool it. Otherwise, it would burn up.
Let us know if this helps.
Joe
See pic.
Images (Click to enlarge)
Jun 1, 2021 at 6:25 PM