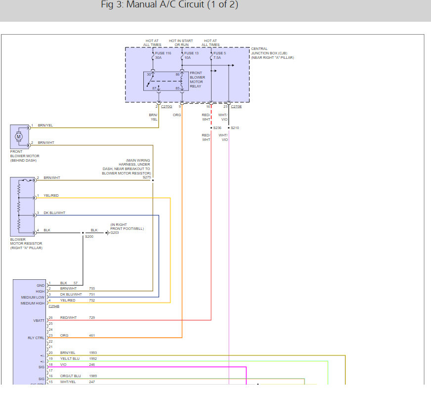
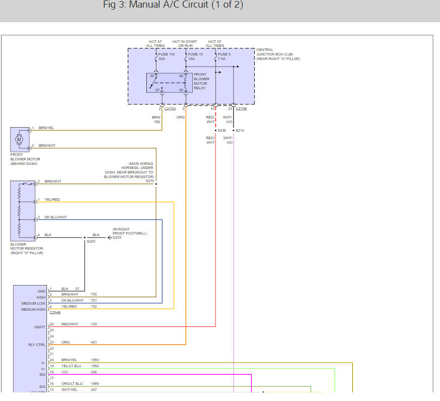
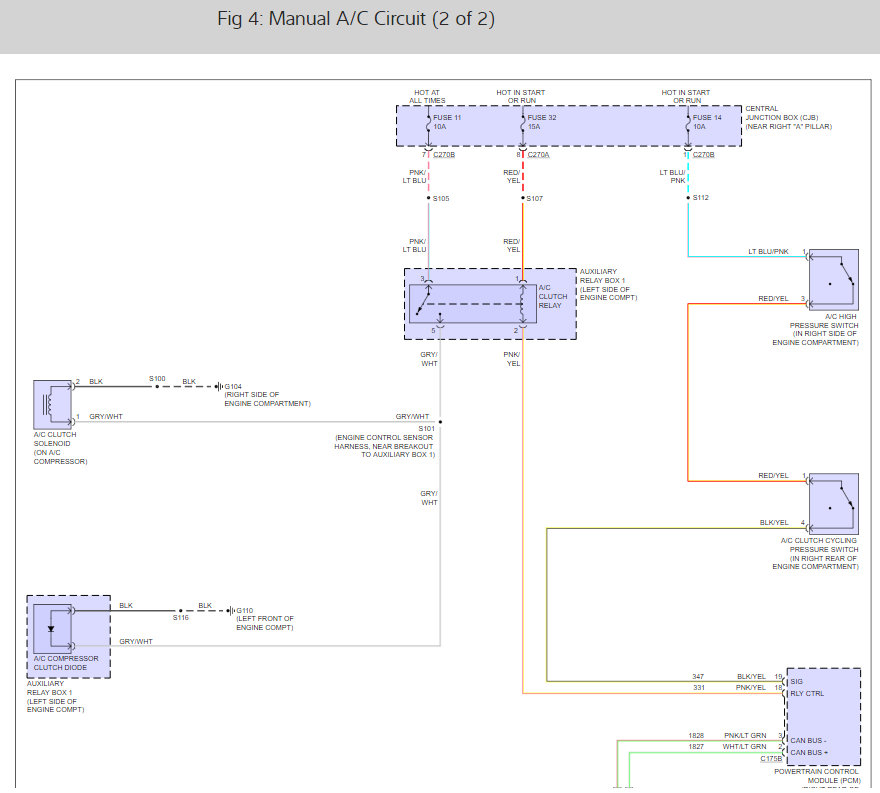
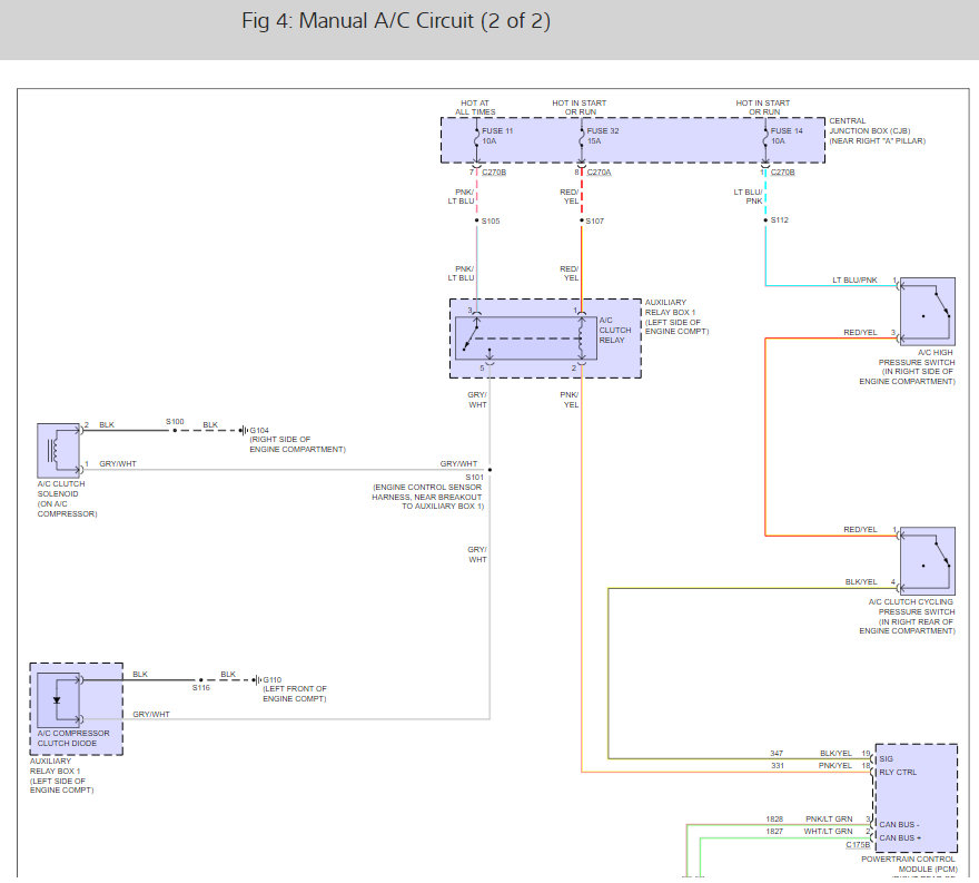
I have the manual AC/heat with three switches (blower speed, heat/cool, and diverter/on off switch. It is the last one I am having the problem with when I turn it either way the blower will start to operate than a relay will turn it and the lighter, power port off. Turning it back off the relay will reset and power will be back on to these items
Aug 13, 2018 at 11:05 AM




