Blower fan stopped working

2010 NISSAN ROGUE
118,000 MILES
Avatar
DANW59
  • MEMBER
  • 1 POST
Turned the blower knob, no air comes out.
Feb 12, 2022 at 6:18 AM
Advertisement
Avatar
JACOBANDNICKOLAS
  • CERTIFIED EXPERT
  • 110,175 POSTS
Hi,

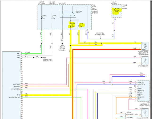
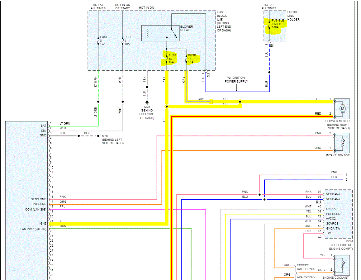
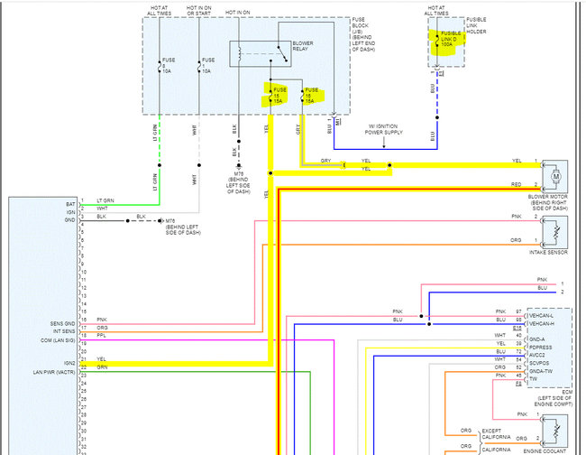
Have you checked fuses yet? If not, let's start there. I attached three pics below. The first two are the wiring schematic for the blower motor. Pic 3 shows what fuses I need you to check in the fuse panel inside the vehicle.

When you check these fuses, it is also important to confirm there is power to them. These fuses will only have power when the key is on, and the blower motor is requested on.

Here is a link that shows how to test the fuses for power:

https://www.2carpros.com/articles/how-to-check-a-car-fuse

Let me know what you find.

Joe

See pics below.
Feb 12, 2022 at 9:56 PM