The blower fan is not working why?

2005 CHEVROLET SILVERADO
115,062 MILES • 4.8L • V8 • 2WD • AUTOMATIC
Avatar
  • MEMBER
  • 1 POST
blower fan works intermitantly, the finally quit completely.
Jun 30, 2020 at 10:42 AM
Advertisement
Avatar
ASEMASTER6371
  • CERTIFIED EXPERT
  • 52,796 POSTS
Good afternoon.

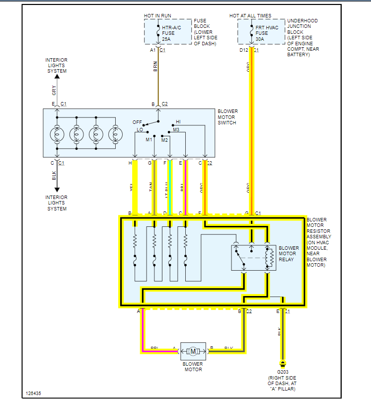
I attached a wiring diagram for you to view.

We need to do some testing for the blower motor control circuit.

https://www.2carpros.com/articles/how-to-check-a-car-fuse

Do you have a volt meter or test light to do some testing? This could be the blower motor itself or the resistor.

https://www.2carpros.com/articles/how-to-check-wiring

Roy

Apr 28, 2021 at 12:49 PM
Avatar
BILLY J RIGGS
  • MEMBER
  • 2 POSTS
What typically causes the blower to suddenly stop working?
Apr 30, 2021 at 2:23 PM (Merged)
Advertisement
Avatar
OBXAUTOMEDIC
  • CERTIFIED EXPERT
  • 3,711 POSTS
A fuse or relay.

Sometimes the Blower Motor Resistor, usually you will have one or two of the fan speeds only seen one that were just quit all together.
Apr 30, 2021 at 2:23 PM (Merged)
Avatar
BILLY J RIGGS
  • MEMBER
  • 2 POSTS
Thanks for the insight. I changed the Blower Motor Resistor and pigtail (available from the Chevrolet dealer) and solved the problem in about fifteen minutes! For the record, the high speed (5) had stopped working several months ago. We are in the 100's these days so the A/C is constantly in use.
Apr 30, 2021 at 2:23 PM (Merged)
Avatar
OBXAUTOMEDIC
  • CERTIFIED EXPERT
  • 3,711 POSTS
No problem. Keep Cool. HaHa
Apr 30, 2021 at 2:23 PM (Merged)
Avatar
BFELDHAHN
  • MEMBER
  • 1 POST
The AC and blower motor will be working fine and then it just stops (on all speeds), and the AC and re-circulation lights stay lit. If I turn the engine off/on it seemed to fix it for a while but it is becoming a more frequent issue and restarting the engine has no effect. If I mess with it i.e turn it off for a period of time or just keep cycling the AC/re-circulation buttons it may come on. I'm not really sure that performing these actions really had anything to do with temporary resolution of my issue but all I can find on the Internet is the resistor issue. I took advantage of the resistor recall and had Chevrolet replace the resistor but that has been at least 5 years ago. Any help would be appreciated.
Apr 30, 2021 at 2:23 PM (Merged)
Avatar
SCGRANTURISMO
  • CERTIFIED EXPERT
  • 4,897 POSTS
Hello,

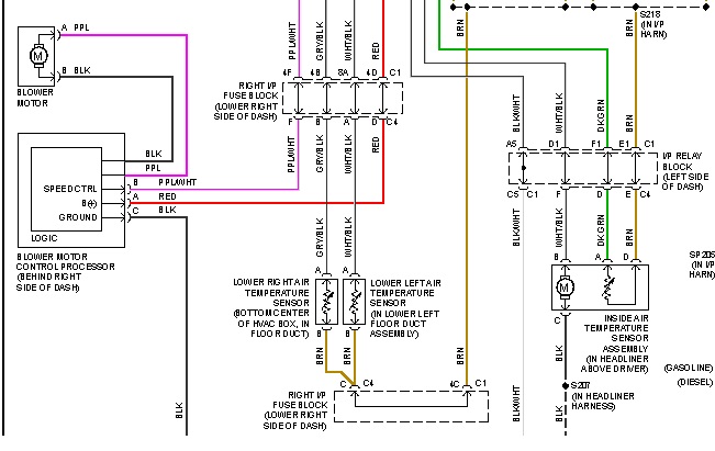
This could be a problem with Ground #200, which is located on the right side of the dashboard. In the diagrams down below I have included the Ground Distribution Wiring Diagram for your vehicle's Blower Motor, as well as a diagram of the location of Ground #200, and a guide for how to inspect the ground. Please go through these guides and get back to us with what you are able to find out.

Thanks,
Alex
2CarPros
Apr 30, 2021 at 2:23 PM (Merged)
Avatar
ALGAJR
  • MEMBER
  • 5 POSTS
My blower motor is not working. I changed the resister, and the connecting harness that connects to it. I also checked the fuse and the fuse is good also, there is power coming from the connector going into the resister, but the pigtail that comes from the resister and plugs into the blower motor does not have power coming from it.
Apr 30, 2021 at 2:23 PM (Merged)
Avatar
WRENCHTECH
  • CERTIFIED EXPERT
  • 20,761 POSTS
There are three fuses (HVAC, heater and blower) that run the system so make sure you check all of them. Here is a wiring diagrams and a guide to help you test the fuses with their locations:

https://www.2carpros.com/articles/how-to-check-a-car-fuse

If everything checks out we need to test the blower motor this guide with show you how.

https://www.2carpros.com/articles/blower-fan-motor-works-on-high-speed-only

If the motor checks out I would check the connection and wiring between the controller.

https://www.2carpros.com/articles/how-to-check-wiring

If all is good the controller is bad and needs to be replaced.

Check out the diagrams (below). Please let us know what you find.

Cheers
Apr 30, 2021 at 2:23 PM (Merged)
Avatar
ALGAJR
  • MEMBER
  • 5 POSTS
There is no other power going into the resister besides the power from the red wire, I test all the wires and turned the knob on the control switch to all the speeds.
Apr 30, 2021 at 2:23 PM (Merged)
Avatar
ALGAJR
  • MEMBER
  • 5 POSTS
I checked the fuses and their not blown, I rechecked the wires and cycled through the switch and the only one with power is the red wire. Can the problem be the AC control switch?
Apr 30, 2021 at 2:23 PM (Merged)
Avatar
ALGAJR
  • MEMBER
  • 5 POSTS
I checked the fuses and they are not blown. I rechecked the wires and cycled through the switch and the only one with power is the red wire. Can the problem be the AC control switch?
Apr 30, 2021 at 2:23 PM (Merged)
Avatar
WRENCHTECH
  • CERTIFIED EXPERT
  • 20,761 POSTS
If you are sure about the results of those tests, then you have a bad switch which means you need a controller. Here is a guide to help.

Check out the diagrams (below). Please let us know what happens.
Apr 30, 2021 at 2:23 PM (Merged)
Avatar
ALGAJR
  • MEMBER
  • 5 POSTS
The controller did it all fixed! Thanks for hanging in there with me. :) I love this site.
Apr 30, 2021 at 2:23 PM (Merged)
Avatar
  • MEMBER
  • 1 POST
i have replaced the 7 wire plug at the resistor that goes to the motor, also replace resistor. i have used a 12 v tester on all 5 speeds all have light on the 7 plug end on the proper abcdefg line markings in proper order. even have a light at the plug end of resistor that plugs into motor on all 5 speeds,but when plug into blower motor nothing have tried a new blower motor but still no fan movement.I ran two wires to the blower motor straight from 12v source fan very powerful that way. any ideas?
Apr 30, 2021 at 2:23 PM (Merged)
Avatar
KASEKENNY
  • CERTIFIED EXPERT
  • 18,907 POSTS
We need to back track to find out what the voltage is at the control processor (resistor). I understand you have voltage but we need to know how much voltage on each wire. Let's start with A. This should be 12 volts at all times. Next B, this should be different depending on what speed you have the fan set on. So let's check it on each setting.

Clearly if the blower motor comes on when you put 12 volts to then I suspect we have a wiring issue where you are not getting 12 volts on the B+ wire. If you don't have 12 volts there then the blower will not operate.

Let us know what the actual voltage is on each of these wires by back probing the connector with it turned on.
Apr 30, 2021 at 2:23 PM (Merged)
Avatar
MAHOCKEY
  • MEMBER
  • 1 POST
the blower works on #5 1 thru 4 blower does not work?
Apr 30, 2021 at 2:23 PM (Merged)
Avatar
SERVICE WRITER
  • CERTIFIED EXPERT
  • 9,123 POSTS
Sounds like a resistor or relay problem, outside chance of switch or wiring. The high speed runs a different course to the motor.

this guide will help

https://www.2carpros.com/articles/blower-fan-motor-works-on-high-speed-only


Please run down this guide and report back.
Apr 30, 2021 at 2:23 PM (Merged)
Avatar
2CP-ARCHIVES
  • MEMBER
  • 4,540 POSTS
what would cause blower not to work on heater/ac
Apr 30, 2021 at 2:23 PM (Merged)
Avatar
JDL
  • CERTIFIED EXPERT
  • 16,098 POSTS
At the blower motor, the purple wire is voltage, black wire is ground. Note the diagram. The red wire to processor is fuse protected, blower fuse. There are a couple other fuses, that go to the hvac control module.
Apr 30, 2021 at 2:23 PM (Merged)
Avatar
OLD SCHOOL CLINT
  • MEMBER
  • 1 POST
My truck's A/C system has a 5 point switch from 1-5 on blower speed. Blower speeds 1 and 5 stopped functioning but 2-4 worked. I dealt with it. Now 2, 3 and 4 are not working. I hear the compressor kicking in and I believe the trouble is the blower motor or a relay or maybe even the switch in the dash. I do not know where the relay is or how to get to the blower. I have restored and repaired A/C in trucks up to 1987 but after 1987 I am not familiar with these systems. Any information about this problem would be helpful.
Apr 30, 2021 at 2:23 PM (Merged)
Avatar
ASEMASTER6371
  • CERTIFIED EXPERT
  • 52,796 POSTS
Good morning,

The blower resistor is the most common reason for this.

I attached the location and procedure for you to view of the repair.

I also attached a wiring diagram of the system for you to view. Verify power to the resistor.

https://www.2carpros.com/articles/how-to-check-wiring

Roy

REMOVAL PROCEDURE


imageOpen In New TabZoom/Print

1. Disconnect the electrical connection at the blower motor.
2. Disconnect the electrical connection from the blower motor resistor.


imageOpen In New TabZoom/Print

3. Remove the blower motor resistor retaining screws.


imageOpen In New TabZoom/Print

4. Remove the blower motor resistor.
Apr 30, 2021 at 2:23 PM (Merged)
Avatar
MAUDE ISADORE
  • MEMBER
  • 1 POST
Fan motor started intermittently going on and off but only for a second but then stopped working all together. Checked 25amp fuse by drivers door=Good Larger block fuse under the hood, I did nothing with as I was told if it was bad nothing would have worked at all. Changed resistor on passenger side. Changed Relay on passenger side. Hooked wired from the battery. Changed the heater blower switch and fan blew on all four speeds for the first half of the day but then started working on just low and high and then stopped working all together? What is next?
Apr 30, 2021 at 2:24 PM (Merged)
Avatar
ASEMASTER6371
  • CERTIFIED EXPERT
  • 52,796 POSTS
I attached a diagram of the system for you below. Check for voltage to the blower motor when it does not work to see if the blower motor is the issue.

https://www.2carpros.com/articles/low-or-no-air-flow-from-vents

https://www.2carpros.com/articles/how-to-check-wiring

https://www.2carpros.com/articles/how-to-use-a-voltmeter

Roy
Apr 30, 2021 at 2:24 PM (Merged)
Avatar
DRYAN1
  • MEMBER
  • 1 POST
Blower motor quit and it started gradually stopping and then is just stopped completely. I changed the motor, resistor, relay, checked the fuses. My wipers are intermittent, my abs light stays on, and the cruise quit. Is the problem with the ignition switch?
Apr 30, 2021 at 2:24 PM (Merged)
Avatar
RENEE L
  • CERTIFIED EXPERT
  • 1,260 POSTS
Here is a link to an article form this site that features written instructions, pictures and a video explaining how to check the blower yourself.


https://www.2carpros.com/articles/blower-fan-motor-works-on-high-speed-only
Apr 30, 2021 at 2:25 PM (Merged)
Avatar
BRAD LAWSON
  • MEMBER
  • 1 POST
The heater would sound like it was blowing good but not much air came out. It was better in vent than on defrost. Now it won't blow air at all.
Apr 30, 2021 at 4:18 PM (Merged)
Avatar
STRAILER
  • CERTIFIED EXPERT
  • 53,854 POSTS
Hello,

It sounds like you have a blower motor that is out. but to confirm the issue lets use a test light to see if the blower motor is getting power. Here are two guides to help us see what's going on with the blower motor wiring diagrams so you can see how the system works:

https://www.2carpros.com/articles/how-to-use-a-test-light-circuit-tester

and

https://www.2carpros.com/articles/blower-fan-motor-works-on-high-speed-only

Check out the diagrams (below). Please let us know what you find. We are interested to see what it is.
Apr 30, 2021 at 4:18 PM (Merged)
Avatar
JWELZBACHER
  • MEMBER
  • 2 POSTS
I have a part truck so I took it out of it to replace. It still didn’t work. I took my controls my relay an my blower to part truck an hooked it all up everything works fine. I rehooked everything back up in my truck still doesn’t work. I put a meter on it in my truck an I am getting power all the way to blower but it want kick on for whatever reason. Any ideas?
May 25, 2021 at 11:46 AM (Merged)
Avatar
ASEMASTER6371
  • CERTIFIED EXPERT
  • 52,796 POSTS
Good afternoon,

This sounds like the blower motor resistor that is the issue.

https://www.2carpros.com/articles/how-to-check-wiring

I attached the procedure for you of replacing the resistor.

https://www.2carpros.com/articles/low-or-no-air-flow-from-vents

Roy
May 25, 2021 at 11:46 AM (Merged)