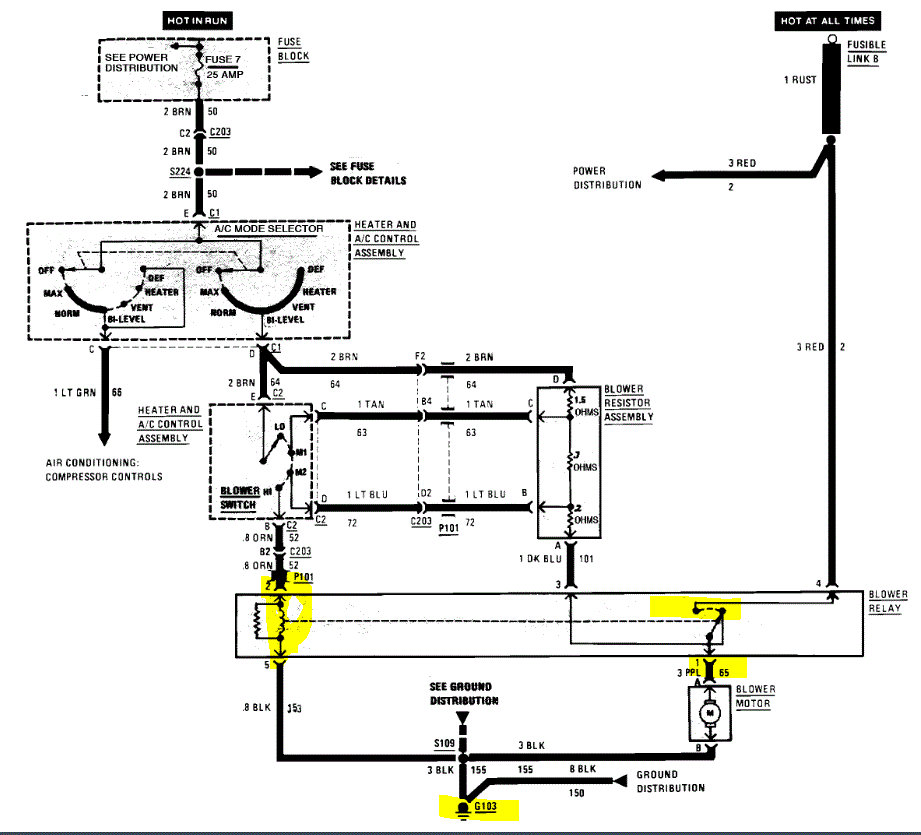
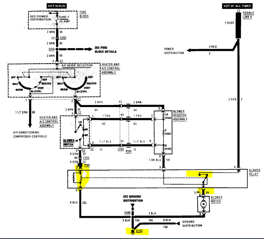
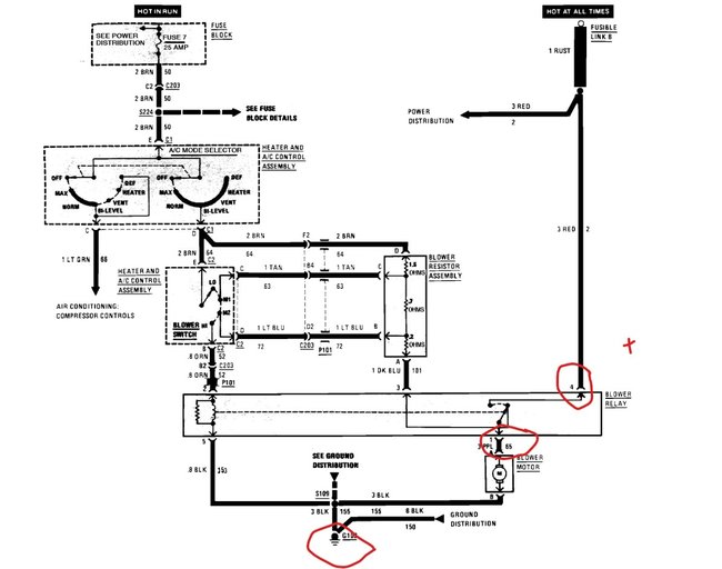
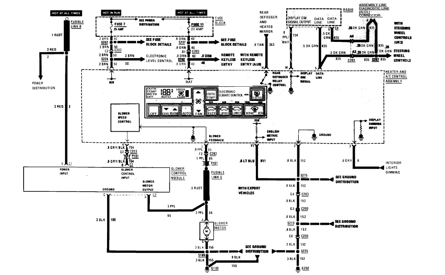
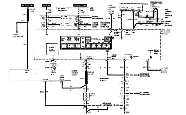
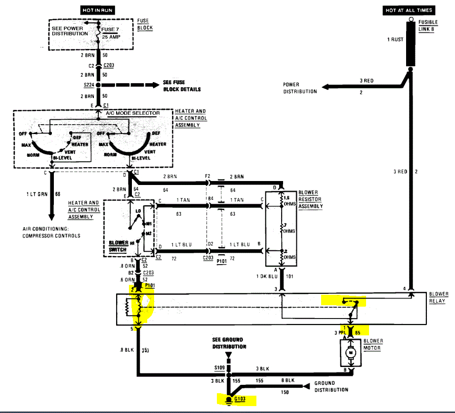
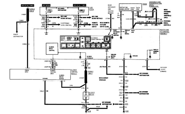
The car listed above is an Olds 88 Royale Brougham. The blower fan continued to run after turning off the car and had to disconnect the battery to get it to stop. Now the blower fan won't come on at all for heat or A/C. The A/C compressor comes on, but nothing comes from the vents. I tested the blower fan and it is good. Tested the relay and it opens and closes. New A/C was installed last year. Any ideas on what to check?
Apr 26, 2022 at 9:39 AM



