Blower fan not working

2014 HONDA CIVIC
160,000 MILES • 4 CYL • 2WD • AUTOMATIC
Avatar
HENRY BANH
  • MEMBER
  • 1 POST
The air stopped flowing in my car and after I replaced the blower motor and resistor. It is still not working. I think I will check the fuse next, but I am not sure which fuses to check.

Anything else I should consider before taking it to a mechanic?
Dec 23, 2020 at 7:06 AM
Advertisement
Avatar
ASEMASTER6371
  • CERTIFIED EXPERT
  • 52,796 POSTS
Good morning.

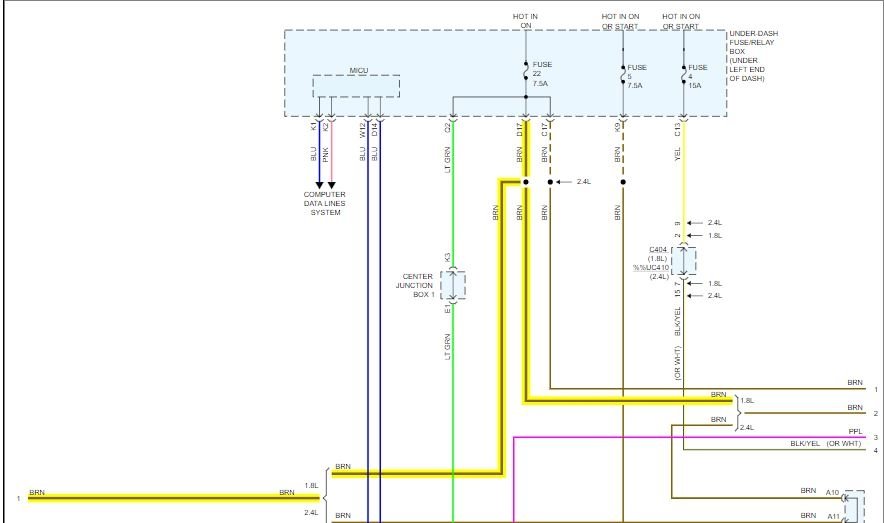
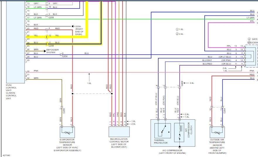
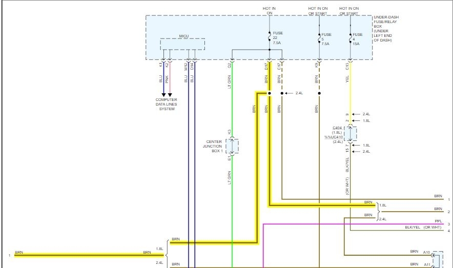
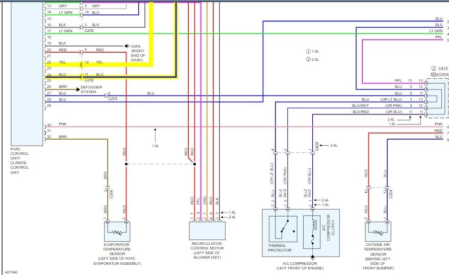
I attached a wiring diagram for you to view. Check the fuses for the relay to be sure power is at the blower motor itself.

https://www.2carpros.com/articles/how-to-check-wiring

https://www.2carpros.com/articles/how-to-check-a-car-fuse

https://www.2carpros.com/articles/how-to-check-an-electrical-relay-and-wiring-control-circuit

Roy
Dec 23, 2020 at 8:47 AM