☰
Login
Join
×
Home
Answered Questions
Repair Topics
Repair & Service Guides
Popular Questions
Warning Lights
Trouble Codes
How It Works
Testing / Diagnostics
Symptoms
Videos
Login
Become a Member
Home
Toyota
Camry
Climate Control
Blower Fan
Relay
Blower motor not coming on
1997 TOYOTA CAMRY
200,000 MILES • 4 CYL • 2WD • AUTOMATIC
JOHNRUBINO
MEMBER
2 POSTS
FOLLOW
No power at fan. All fuses and relays checked.
May 24, 2019 at 8:45 AM
Advertisement
ASEMASTER6371
CERTIFIED EXPERT
52,796 POSTS
Good afternoon,
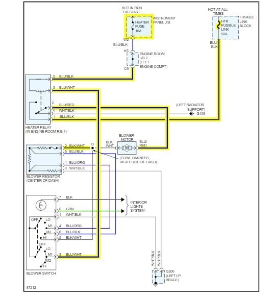
I attached a diagram for you to view. The power to the blower comes from the relay. Can you do some voltage tests at the relay with a test light or volt meter?
Roy
Image (Click to enlarge)
Mar 16, 2021 at 6:38 PM