Turn signals not working

2006 CHEVROLET EQUINOX
200,000 MILES • 6 CYL • 4WD • AUTOMATIC
Avatar
CARLENE REDMON
  • MEMBER
  • 2 POSTS
My blinkers stopped working. changed relay, blinker switch,fuse and bulb. what else could be wrong?
May 18, 2021 at 11:17 AM
Advertisement
Avatar
STRAILER
  • CERTIFIED EXPERT
  • 53,854 POSTS
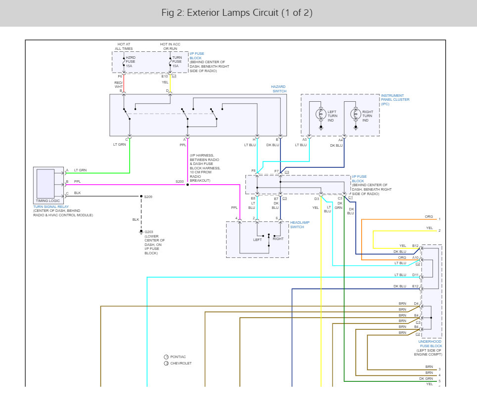
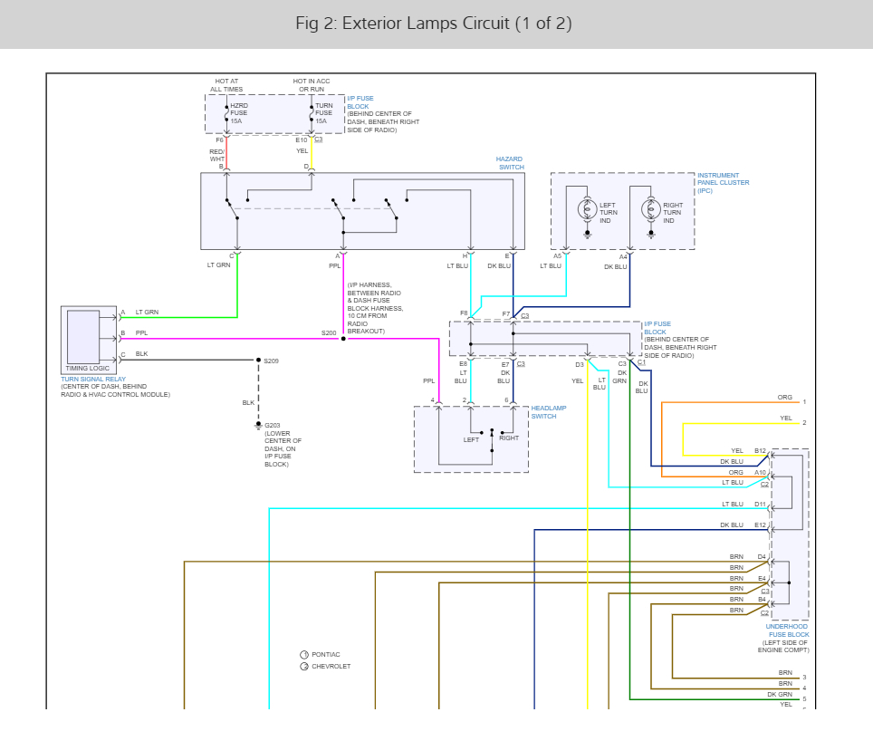
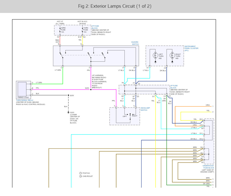
Lets check for power at the turn fuse in the under dash fuse panel. here is a guide to help you with the fuse location I have also included the turn signal wiring diagrams so you can see how the system works. This guide can help as well:

https://www.2carpros.com/articles/turn-signals-not-working-blinker

and

https://www.2carpros.com/articles/how-to-check-a-car-fuse


Check out the diagrams (below). Let us know what happens and please upload pictures or videos of the problem.
May 19, 2021 at 12:23 PM