Blinkers are not working (front or back)

2000 JEEP GRAND CHEROKEE
125,000 MILES • 4.0L • 6 CYL • 4WD • AUTOMATIC
Avatar
SHAWNA HELMBERGER STEVENS
  • MEMBER
  • 1 POST
New tail light assemblies with good bulbs and new sockets. Blinkers still do not work. Relay problem? Any suggestions?

Also, slow drain on battery. Very small. Been happening for years. Mechanics could not find source. Any ideas? Suggestions in research lead to bad computer to replacing the "cigarette" lighter.

Engine is sound, has lots of new parts and i really am hoping to fix the blinker problem so i can pass inspection. I have had my Jeep since 2000 and love it! I want to keep driving it.
May 27, 2019 at 2:00 PM
Advertisement
Avatar
KASEKENNY
  • CERTIFIED EXPERT
  • 18,907 POSTS
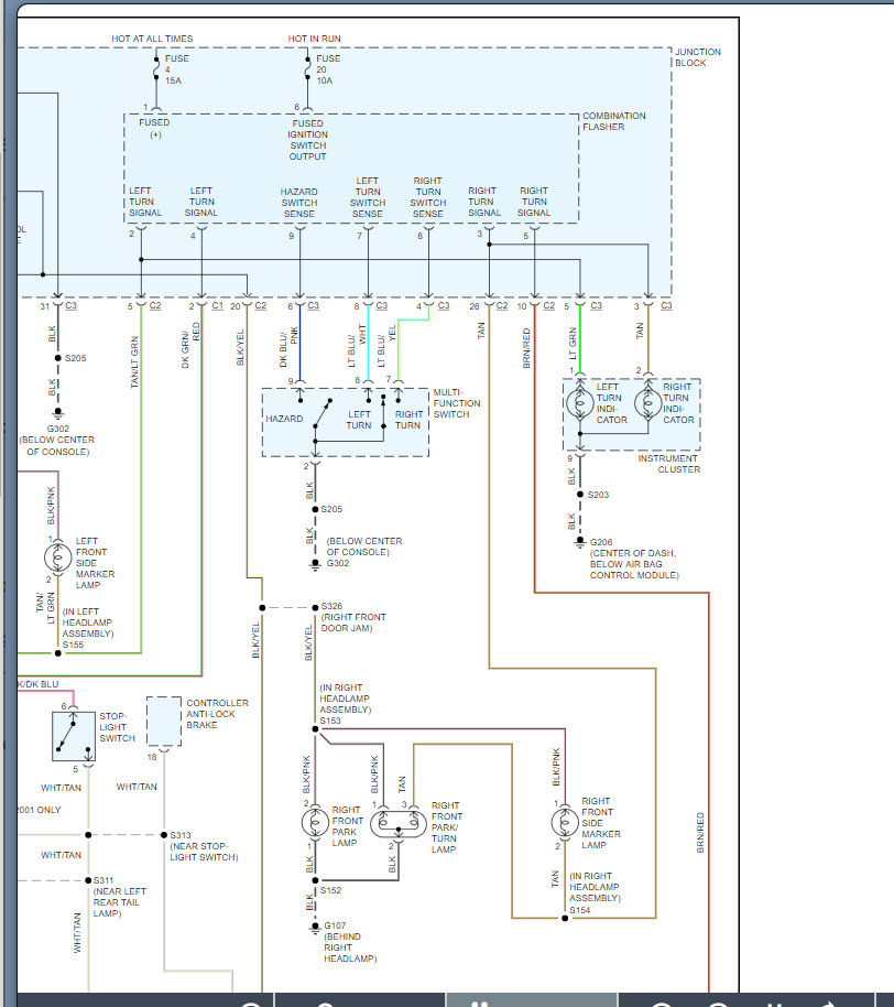
This is normally one of two issues. Either a blown fuse, or a flasher issue.

We are going to have to use a test light to find out where the issue is. I would suggest starting with checking power directly out of the fuse box that is shown in the diagram below.

Here is a guide that will help with using a test light:

https://youtu.be/Hlna_kUt7As

Also, here is a guide that will help with testing and replacing fuses and relays:

https://www.2carpros.com/articles/how-to-check-a-car-fuse

https://www.2carpros.com/articles/how-to-check-an-electrical-relay-and-wiring-control-circuit

Below is the wiring diagram that we need to use to test for sure what the issue is but if it is the relay, I included the process for that as well.

Let us know if you have other questions. Thanks
Jul 9, 2021 at 6:33 PM