Blinkers and hazards not working?

2002 TOYOTA COROLLA
95,000 MILES
Avatar
DEANNAOWENS23
  • MEMBER
  • 4 POSTS
My headlights/high beams are fully functional but both blinkers and hazards don’t work at all. After I realized my blinkers weren’t working, I pressed the hazard button which worked for around a second before making a popping sound like a blown fuse. I replaced both the 10A fuse that controls hazards and the blinker relay, but the blinkers still don’t work.
Jun 8, 2023 at 8:26 AM
Advertisement
Avatar
STEVE W.
  • CERTIFIED EXPERT
  • 15,113 POSTS
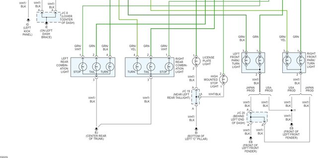
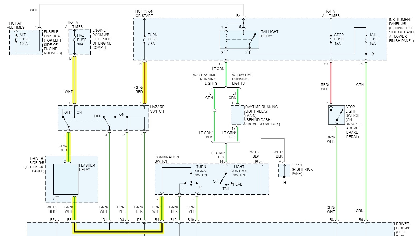
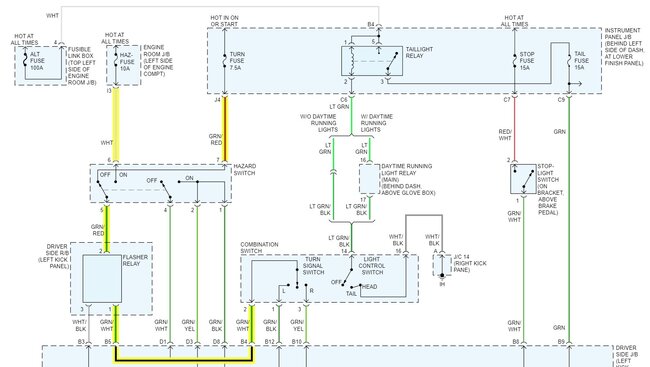
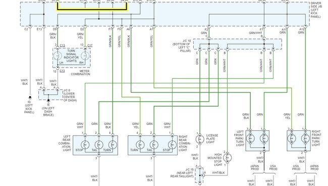
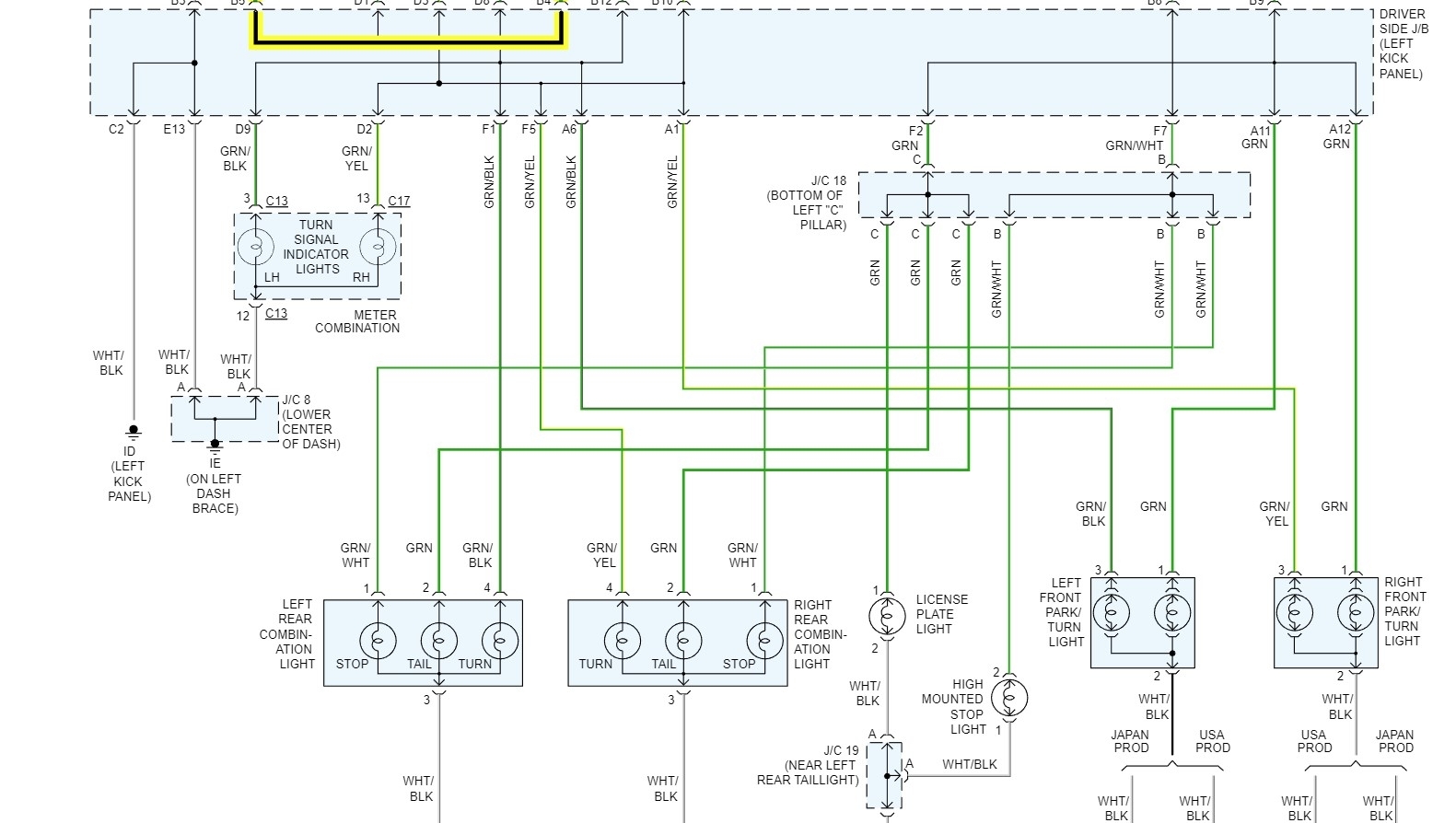
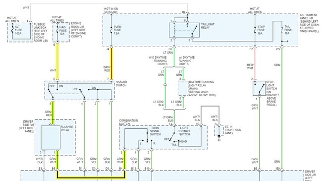
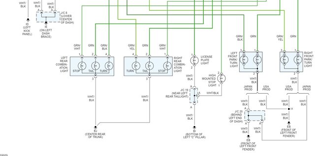
Looking at the wiring diagram it looks like they share a few things, but I would grab a test light first and test both of the fuses that power them. The hazard fuse under the hood and the turn fuse behind the dash on the left side. Use the test light to check for power on those fuses. Then go to the flasher relay and turn on the hazard switch and then check for power at terminal 3. If you have no power there, pull the hazard switch itself and see if there is power at terminals 6 and 7 with the key on. If there is power at those then you will need to go to the combination switch wiring and look for power at terminal 2 and then check at terminals 1 and 3 as you select left and right turn signals. However, if you are not even seeing the dash indicators, I don't think you have power to the switch. From the description it sounds like the wiring has a short, but we need to figure out where in the system the short is by testing. Have there been any changes to the vehicle like LED lights or other lighting changes?
Jun 8, 2023 at 7:50 PM
Avatar
DEANNAOWENS23
  • MEMBER
  • 4 POSTS
I’ve noticed that my headlights don’t turn off automatically anymore and that the inner console lights don’t work anymore at night as well.
Jun 8, 2023 at 7:52 PM
Advertisement
Avatar
STEVE W.
  • CERTIFIED EXPERT
  • 15,113 POSTS
That could all be related to power issues as the taillight relay is also controlled by the same ground. Do you have working taillights? It sounds like it may have a serious wiring issue with more than one circuit involved with those failures. There are some common areas, but it will take some testing to find where. Do you have a test light and a VOM?

https://www.2carpros.com/articles/how-to-use-a-test-light-circuit-tester
https://www.2carpros.com/articles/how-to-use-a-voltmeter
https://www.2carpros.com/articles/how-to-check-wiring
Jun 8, 2023 at 8:46 PM
Avatar
DEANNAOWENS23
  • MEMBER
  • 4 POSTS
I have working taillights, I replaced the 7.5 fuse in the instrument panel and the blinkers started working again, however the minute I flipped it to the right blinker the fuse blew immediately.
Jun 12, 2023 at 6:43 AM
Avatar
DEANNAOWENS23
  • MEMBER
  • 4 POSTS
If it makes any difference, I bought a brand-new corner light on the right which is when the problems started happening. Considering my car is so old, do you think the corner light itself can be causing the fuse to blow or it’s a wiring issue?
Jun 12, 2023 at 6:47 AM
Avatar
STEVE W.
  • CERTIFIED EXPERT
  • 15,113 POSTS
It could be a defective new part. A simple test would be to remove it and unplug it and see if the short goes away. Also look at the wiring while it's apart. A pinched wire that has even a few loose strands could blow the fuse if they were grounded out.
Jun 12, 2023 at 8:03 AM