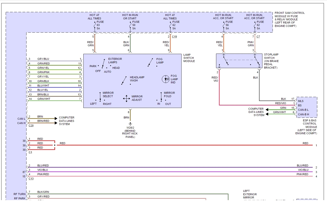
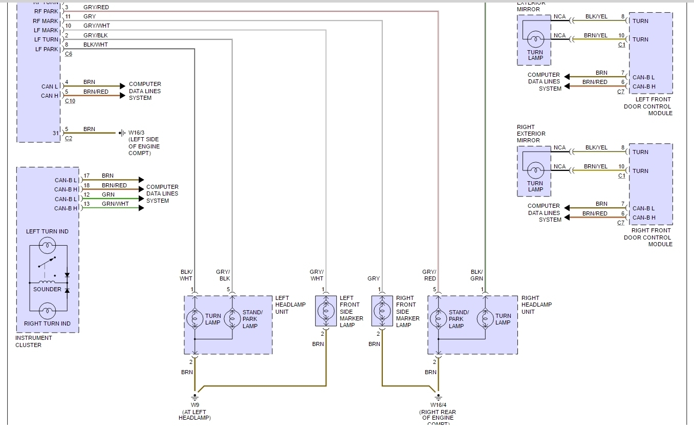
My blinkers work, but they do not stay blinking. If i press my left or right turning signal it will show for a second and it will just go away, it wont stay blinking. I would like to know what i have to do to fix that?
Nov 6, 2016 at 9:08 AM

